GM Service Manual Online
For 1990-2009 cars only
Makes
🢒
Cadillac
🢒
1999
🢒
DeVille
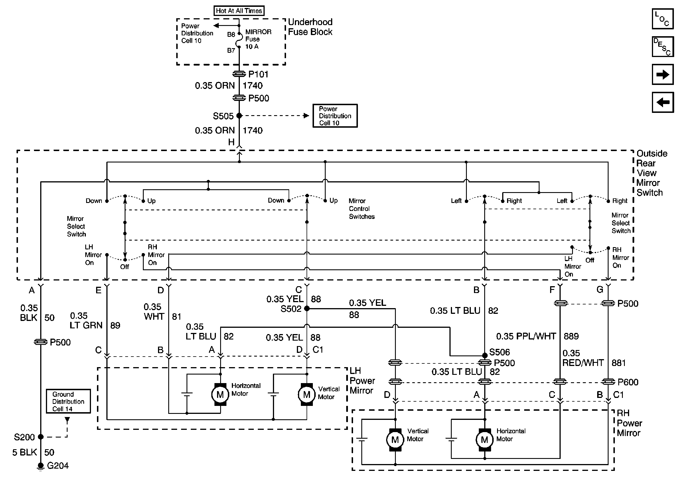
🢒 Cell 147: Outside Power Mirror, Eldorado Without Memory Mirrors
Cell 147: Outside Power Mirror, Eldorado Without Memory Mirrors
Cell 147: Outside Power Mirror, Eldorado Without Memory Mirrors
Power Door Systems Components
Outside Mirrors Circuit Description
Cell 147: Power Mirror Switch, Deville with Memory Mirrors
Cell 147: Outside Power Mirror, Deville Without Memory Mirrors
Cell 10: MIRROR, FOG, and DRL Fuses
Cell 10: MIRROR, FOG, and DRL Fuses
Cell 14: G204