GM Service Manual Online
For 1990-2009 cars only
Makes
🢒
Cadillac
🢒
1999
🢒
DeVille
🢒 Cell 20: Engine and Fuel Tank Sensors
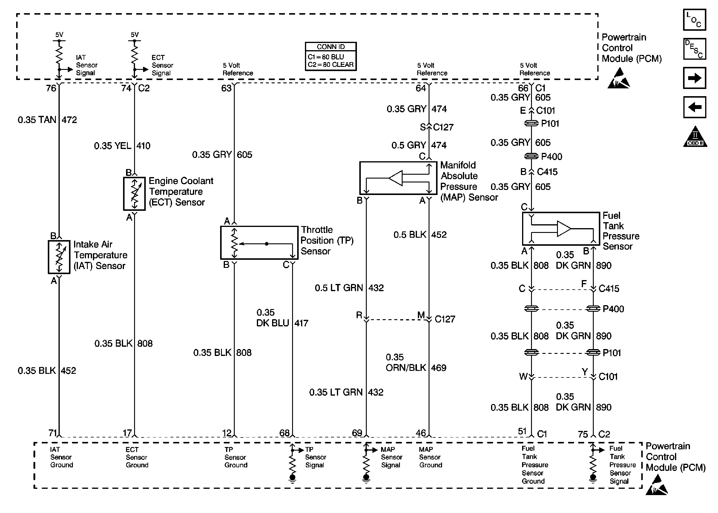
Cell 20: Engine and Fuel Tank Sensors
Cell 20: Engine and Fuel Tank Sensors
Engine Controls Components
Powertrain Control Module Description
Cell 20: Heated Oxygen Sensors (Later Production)
Cell 20: Fuel Injectors
OBD II Symbol Description Notice
Powertrain Control Module Connector End Views
Handling ESD Sensitive Parts Notice
Handling ESD Sensitive Parts Notice