GM Service Manual Online
For 1990-2009 cars only
Makes
🢒
Cadillac
🢒
1999
🢒
DeVille
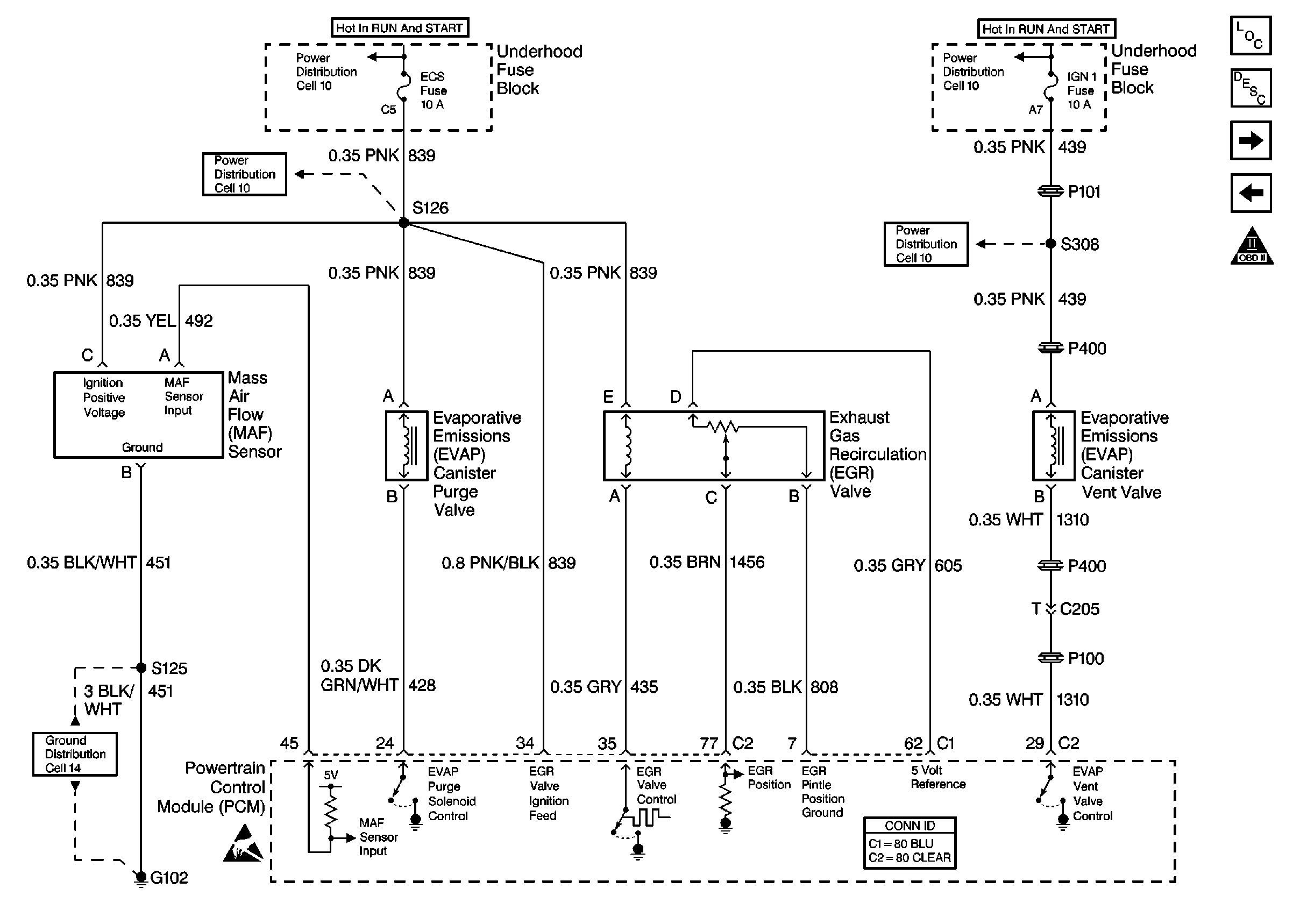
🢒 Cell 20: MAF Sensor, EVAP Components and EGR Valve
Cell 20: MAF Sensor, EVAP Components and EGR Valve
Cell 20: MAF Sensor, EVAP Components and EGR Valve
Engine Controls Components
Powertrain Control Module Description
Cell 20: IAC Valve and PSP, Oil Level Switches
Cell 20: Heated Oxygen Sensors (Later Production)
OBD II Symbol Description Notice
Power Distribution Schematics
Power Distribution Schematics
Power Distribution Schematics
Power Distribution Schematics
Ground Distribution Schematics
Powertrain Control Module Connector End Views
Handling ESD Sensitive Parts Notice