GM Service Manual Online
For 1990-2009 cars only
Makes
🢒
Cadillac
🢒
1999
🢒
DeVille
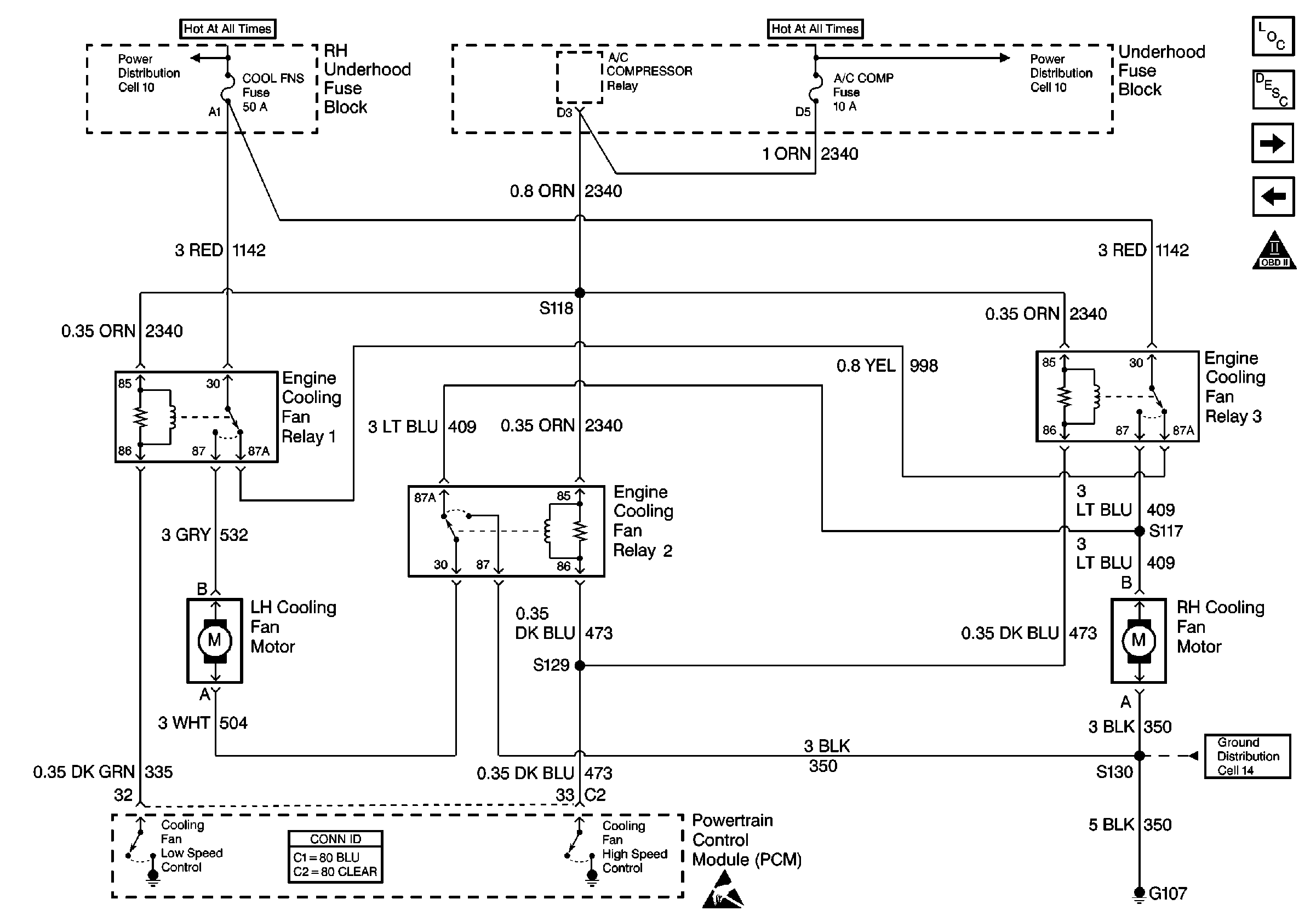
🢒 Cell 20: Cooling Fans and Relays
Cell 20: Cooling Fans and Relays
Cell 20: Cooling Fans and Relays
Engine Controls Components
Powertrain Control Module Description
Cell 20: Park/Neutral Position Switch and VSS
OBD II Symbol Description Notice
Power Distribution Schematics
Power Distribution Schematics
Ground Distribution Schematics
Powertrain Control Module Connector End Views
Handling ESD Sensitive Parts Notice