GM Service Manual Online
For 1990-2009 cars only
Makes
🢒
Cadillac
🢒
1999
🢒
DeVille
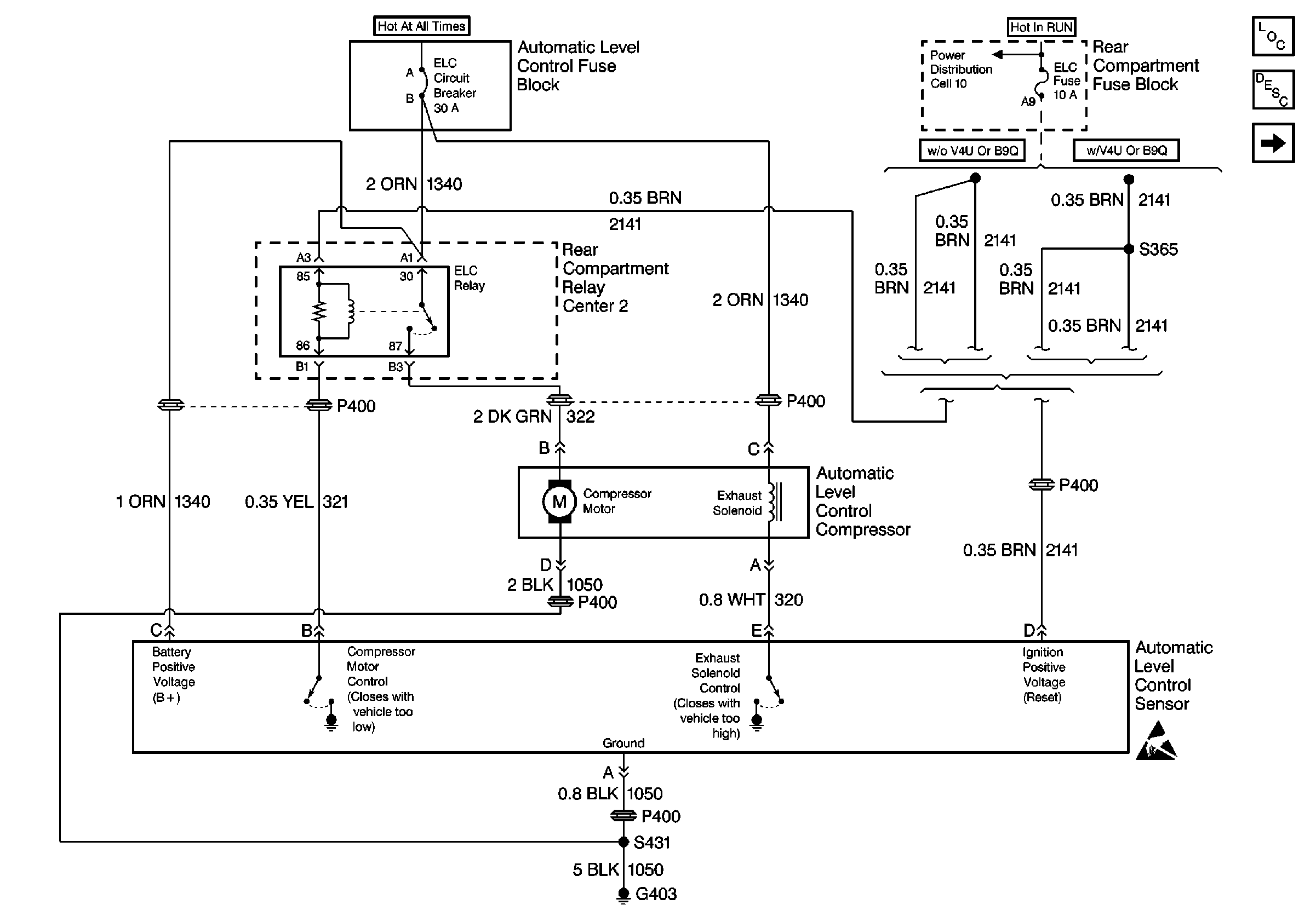
🢒 Cell 42: Automatic Level Control (Without F45)
Cell 42: Automatic Level Control (Without F45)
Cell 42: Automatic Level Control (Without F45)
Automatic Level Control Suspension Components
Automatic Level Control General Description
Handling ESD Sensitive Parts Notice
Power Distribution Schematics