GM Service Manual Online
For 1990-2009 cars only
Figure 1:

Underhood Fuse Block Assembly


Object Number: 375080  Size: SF
(1)HVAC Blower MiniFuse® (30A)
(2)ACCY MiniFuse® (15A)
(3)WSW MiniFuse® (30A)
(4)Not Used
(5)HDLOBML MiniFuse® (10A)
(6)HDLOBMR MiniFuse® (10A)
(7)I/P MiniFuse® (10A)
(8)PCM BATT MiniFuse® (10A)
(9)HDHIBMR MiniFuse® (10A)
(10)HDHIBML MiniFuse® (10A)
(11)IGN 1 MiniFuse® (10A)
(12)Not Used
(13)TRANS MiniFuse® (10A)
(14)Cruise Control MiniFuse® (10A)
(15)Ignition Coil Modules MiniFuse® (20A)
(16)INJR2 MiniFuse® (10A)
(17)Not Used
(18)Not Used
(19)PCM IGN MiniFuse® (10A)
(20)OXY SEN MiniFuse® (10A)
(21)INJR1 MiniFuse® (10A)
(22)FRT C/LTR MiniFuse® (20A)
(23)RR C/LTR MiniFuse® (20A)
(24)FOG/DRL MiniFuse® (15A)
(25)HORN MiniFuse® (15A)
(26)A/C CLU MiniFuse® (15A)
(27)HDLP HI BM Relay
(28)HDLP LO BM Relay
(29)FOG LP Relay
(30)DRL Relay
(31)HORN Relay
(32)A/C Clu Relay
(33)Not Used
(34)ACCY Relay
(35)Not Used
(36)Start 1 Relay
(37)Cool Fan 2 Relay
(38)IGN 1 Relay
(39)Cool Fan Series/Parallel (S/P) Relay
(40)Cool Fan 1 Relay
(41)Start Maxibreaker (30A)
(42)Not Used
(43)ABS Sol MaxiFuse® (50A)
(44)AIR Pump B MaxiFuse® (50A)
(45)AIR Pump A MaxiFuse® (50A)
(46)Cool Fan 2 MaxiFuse® (30A)
(47)Cool Fan 1 MaxiFuse® (30A)
(48)Spare (10A)
(49)Spare (10A)
(50)Spare (15A)
(51)Spare (20A)
(52)Spare (30A)
(53)Fuse Puller
Figure 2:

Rear Fuse Block Assembly


Object Number: 144158  Size: SF
(1)Fuel Pump MiniFuse® (20A)
(2)HVAC MiniFuse® (10A)
(3)MEM T&T MiniFuse® (10A)
(4)Data Link Connector (DLC) MiniFuse® (10A)
(5)DRV MDL MiniFuse® (10A)
(6)HTDST LR MiniFuse® (10A)
(7)PWR T&T MiniFuse® (30A)
(8)SIR MiniFuse® (10A)
(9)Not Used
(10)LP PK MiniFuse® (15A)
(11)EVAP Vent Solenoid MiniFuse® (10A)
(12)IGN 1 MiniFuse® (10A)
(13)DIMR MiniFuse® (10A)
(14)Sunshade MiniFuse® (10A)
(15)NAV MiniFuse® (10A)
(16)HTDST LF MiniFuse® (10A)
(17)INT LP MiniFuse® (10A)
(18)RRDR MDL MiniFuse® (10A)
(19)Stop LP MiniFuse® (15A)
(20)Park/Rev MiniFuse® (10A)
(21)Audio MiniFuse® (15A)
(22)RAP MiniFuse® (30A)
(23)LP PK L MiniFuse® (15A)
(24)NV MiniFuse® (10A)
(25)PASSMDL MiniFuse® (10A)
(26)Body MiniFuse® (15A)
(27)EXPORT LGT MiniFuse® (15A)
(28)RR BLO MiniFuse® (10A)
(29)Ignition Switch MiniFuse® (15A)
(30)T SIG/HAZ MiniFuse® (15A)
(31)REV/LK MiniFuse® (10A)
(32)CVRTD MiniFuse® (10A)
(33)HVAC MiniFuse® (10A)
(34)IGN 3 RR MiniFuse® (10A)
(35)ABS MiniFuse® (10A)
(36)HTDST RF MiniFuse® (10A)
(37)HTDST RR MiniFuse® (10A)
(38)DIM MiniFuse® (10A)
(39)Fuel Pump Relay
(40)PRK LP Relay
(41)IGN 1 Relay
(42)PRK BRK A Relay
(43)PRK BRK B Relay
(44)PARK Relay
(45)REVERSE Relay
(46)RAP Relay
(47)REV/LKOUT Relay
(48)DAMPER Relay
(49)IGN 3 Relay
(50)F/TNK DR REL Relay
(51)INT LP Relay
(53)Not Used
(54)LK/CYL Relay
(55)ELC Relay
(56)PWR Seat Circuit Breaker (30A)
(57)PWR WDO Circuit Breaker (30A)
(58)CIGAR Relay
(59)RR DEFOG Relay
(60)Park Brake MaxiFuse® (20A)
(61)RR DEGOG MaxiFuse® (40A)
(62)RR LUM/PWR Antenna MaxiFuse® (20A)
(63)Audio AMP MaxiFuse® (30A)
(64)ELC MaxiFuse® (30A)
(65)Cigar MaxiFuse® (40A)
(66)Not Used
(70)Spare (10A)
(71)Spare (10A)
(72)Spare (15A)
(73)Spare (20A)
(74)Spare (30A)
(75)Fuse Puller
Figure 3:

Fuel System with a Fuel Pressure Guage


Object Number: 201040  Size: MF
(1)Fuel Feed Pipe
(2)In-Line Fuel Filter
(3)Fuel Return Pipe
(4)Fuel Pump Flex Pipe
(5)Integral Reservoir
(6)Fuel Pipe Shut-off Adapters
(7)Fuel Pressure Gauge
(8)Fuel Pressure Connection
(9)Fuel Rail
(10)Fuel Pressure Regulator
Figure 4:

MAP, IAC, ECT, TP Sensors


Object Number: 602335  Size: SH
(1)MAP Sensor
(2)IAC Valve
(3)ECT Sensor
(4)TP Sensor
Figure 5:

EVAP Purge Solenoid, and EGR Valve


Object Number: 602336  Size: SH
(1)EVAP Purge Solenoid
(2)EGR Valve
Figure 6:

CKP B, CKP A, Engine Oil Pressure Switch, and Engine Oil Level Switch


Object Number: 602338  Size: SH
(1)CKP Sensor B
(2)CKP Sensor A
(3)Engine Oil Pressure Switch
(4)Engine Oil Level Switch
Figure 7:

Front Ignition Coil Cassette


Object Number: 602330  Size: SH
Figure 8:

Rear Ignition Coil Cassette


Object Number: 602329  Size: SH
Figure 9:

CMP, VSS, and HO2S Bank 1 Sensor 1


Object Number: 602339  Size: SH
(1)Camshaft Position (CMP) Sensor
(2)VSS
(3)HO2S Bank 1 Sensor 1
Figure 10:

HO2S Bank 1 Sensor 2 (Post HO2)


Object Number: 602294  Size: SH
Figure 11:

HO2S Bank 2 Sensor 1 (Front HO2)


Object Number: 602295  Size: SH
Figure 12:

Knock Sensor


Object Number: 602292  Size: SH
Figure 13:

AIR Relays


Object Number: 602334  Size: SH
(1)AIR Relay 1 and AIR Relay 2
Figure 14:

Right AIR Pump


Object Number: 602319  Size: SH
(1)Top AIR to Chassis Retaining Bolt
(2)Lower AIR to Chassis Retaining Bolts
(3)Front AIR Pump
Figure 15:

Right AIR Inlet Hose


Object Number: 602318  Size: MH
Figure 16:

Right AIR Exhaust Hose


Object Number: 602317  Size: SH
Figure 17:

Right AIR Pump


Object Number: 602316  Size: MH
Figure 18:

Rear AIR Check Valve


Object Number: 602315  Size: MH
(1)Rear AIR Check Valve
(2)AIR Exhaust Hose to AIR Check Valve
(3)AIR Exhaust Hose to AIR Check Valve RetainingNnuts
(4)AIR Exhaust Pipe to AIR Check Valve Retaining Nuts
(5)AIR Check Valve to Exhaust Manifold Pipe
Figure 19:

AIR Vacuum Routing


Object Number: 602313  Size: MH
(1)AIR Vacuum Source Hose
(2)AIR Vacuum Source Connection
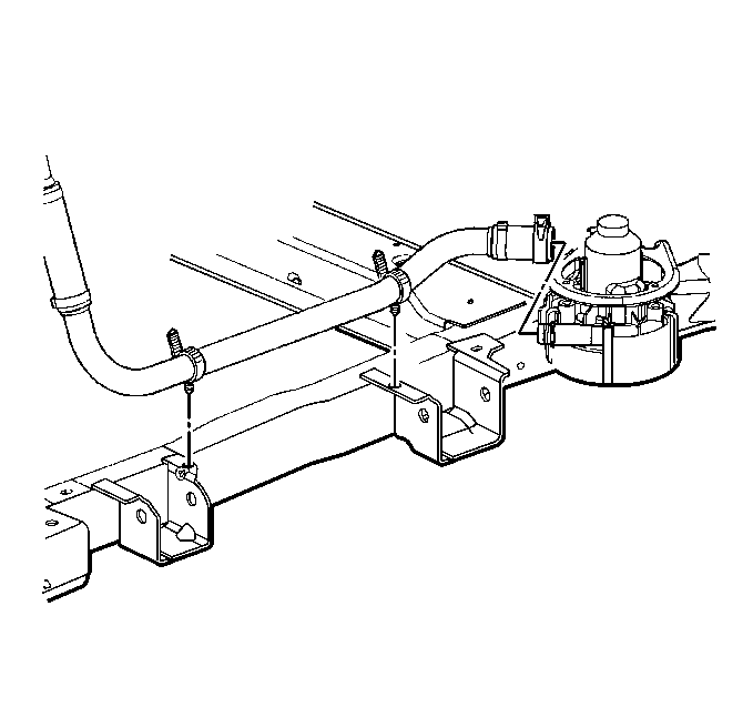
(3)Control Vacuum to the Front AIR Check Valve
Figure 20:

AIR Vacuum Control Solenoid and Vacuum Connections


Object Number: 602311  Size: MH
(1)Control Vacuum to Front AIR Check Valve
(2)Control Vacuum to Rear AIR Check Valve
(3)AIR Vacuum Control Solenoid
(4)AIR Source Vacuum Hose
Figure 21:

Left AIR Pump and Electrical Connector


Object Number: 602320  Size: SH
Figure 22:

Left AIR Exhaust Hose and Front AIR Check Valve


Object Number: 602321  Size: SH
Figure 23:

Left AIR Inlet Hose to AIR Pump


Object Number: 602322  Size: MH
(1)Left AIR Inlet Hose
(2)Left AIR Pump Retaining nuts
(3)Left AIR Inlet Filter
Figure 24:

Front AIR Check Valve to Exhaust Manifold


Object Number: 602323  Size: SH
(1)Front AIR Check Valve to Exhaust Pipe Retaining Nuts
(2)Front AIR Check Valve
(3)Front AIR Check Valve Bracket Retaining Bolt
(4)Front AIR Check Valve Bracket Retaining Nuts
(5)AIR Exhaust Pipe to Exhaust Manifold Retaining Nuts
(6)Exhaust Manifold
Figure 25:
Object Number: 574138  Size: SH
(1)IAC Valve Electrical Connector
(2)TP Sensor Electrical Connector
(3)TP Sensor
(4)IAC Valve
Figure 26:

Fuel Rail Assembly


Object Number: 597227  Size: SH
(1)Fuel Injector Retaining Clip
(2)Fuel Injector
(3)Fuel Rail Assembly
Figure 27:

Fuel Lines


Object Number: 575657  Size: SH
(1)Fuel Line Retainer Strap
(2)Fuel Return Line
(3)Fuel Feed Line
(4)EVAP Purge Pipe
Figure 28:

EVAP Vent Valve


Object Number: 342059  Size: SF
(1)Retainer
(2)Fresh Air Line
(3)Bolt
(4)Evap Vent Valve Solenoid
(5)Evap Vent Valve Electrical Connector
Figure 29:

Fuel Tank Pressure Sensor


Object Number: 342178  Size: SF
(1)Fuel Sender Access Panel
(2)Modular Fuel Sender Assembly
(3)Fuel Tank Pressure Sensor