GM Service Manual Online
For 1990-2009 cars only
Makes
🢒
Cadillac
🢒
2000
🢒
DeVille
🢒
Engine
🢒
Engine Cooling
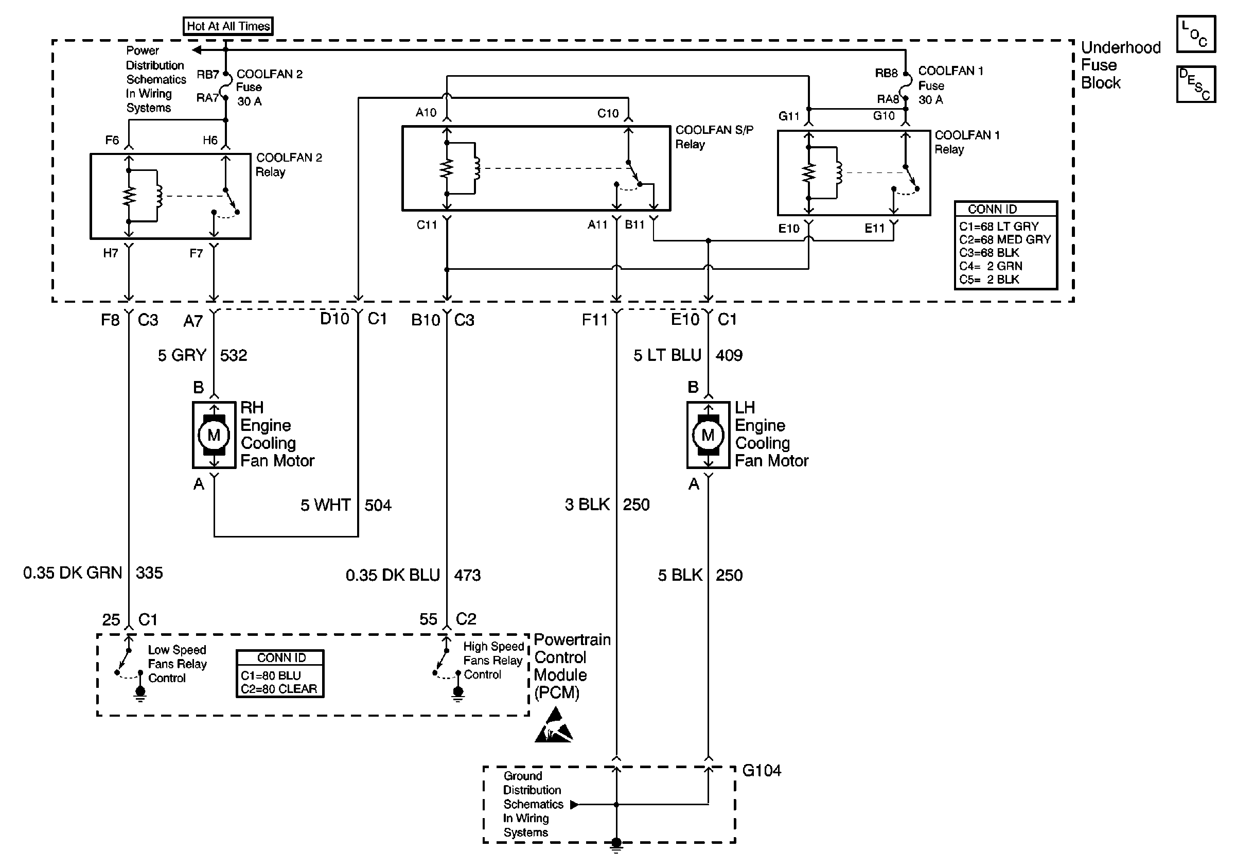
🢒 Cooling Fan Schematics
Cooling System Components
Engine Cooling Fan Description - Electric
Handling ESD Sensitive Parts Notice
Underhood Fuse Block Battery Voltage
Powertrain Control Module Connector End Views
G104 - Relays, Horns and Other Items
Power and Grounding Connector End Views Fuse Blocks and Ignition Switch