GM Service Manual Online
For 1990-2009 cars only

Removal Procedure

Tools Required

    • J 37097-A Hose Clamp Remover/Installer
    • J 38185 Hose Clamp Pliers
  1. Partially drain the engine coolant. Refer to Cooling System Draining and Filling .

  2. Object Number: 517969  Size: SH
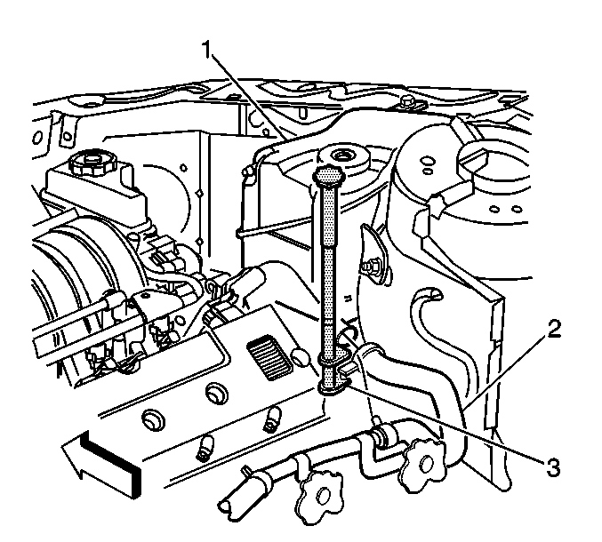
  3. Position the J 37097-A  (3) to the clamp in order to remove the surge tank outlet hose (2) from the surge tank (1).

  4. Object Number: 517966  Size: SH
  5. Position the J 38185  (3) to the clamp in order to remove the surge tank outlet hose (1) from the heater pipe (2).

  6. Object Number: 517964  Size: SH
  7. Remove the two push nuts (2) attaching the surge tank outlet hose (1) to the dash panel.
  8. Remove the surge tank outlet hose (1) from vehicle.

Installation Procedure


    Object Number: 517964  Size: SH
  1. Position the surge tank outlet hose (1) over the studs at the dash panel.
  2. Install the two push nuts (2) attaching the surge tank outlet hose (1) to the dash panel.

  3. Object Number: 517966  Size: SH
  4. Position the J 38185  (3) to the clamp in order to connect the surge tank outlet hose (1) to the heater pipe (2).

  5. Object Number: 517969  Size: SH
  6. Position the J 37097-A  (3) to the clamp in order to connect the surge tank outlet hose (2) to the surge tank (1).
  7. Fill the cooling system. Refer to Cooling System Draining and Filling .