GM Service Manual Online
For 1990-2009 cars only
Makes
🢒
Cadillac
🢒
2000
🢒
DeVille
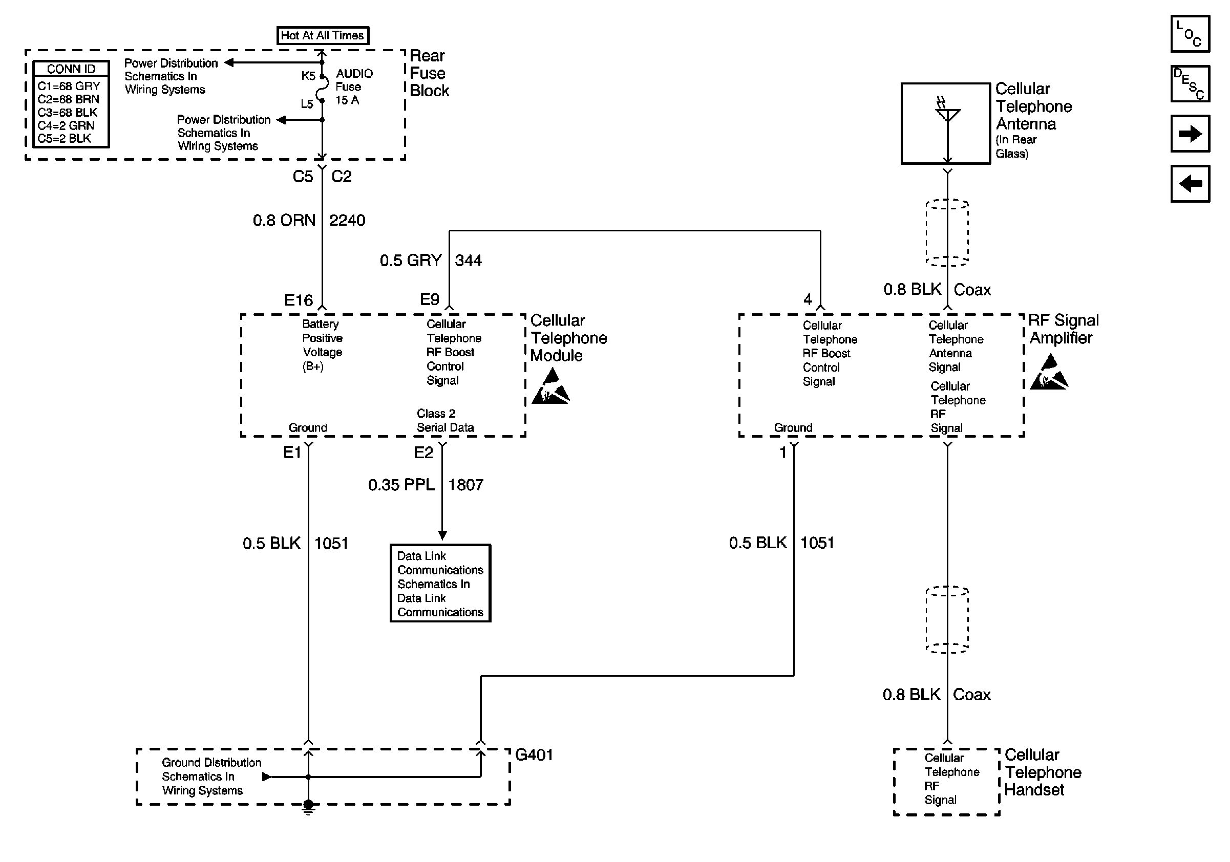
🢒 Cellular Telephone Module and RF Signal Amplifier - Power, Ground(w/o UE1)
Cellular Telephone Module and RF Signal Amplifier - Power, Ground(w/o UE1)
Cellular Telephone Module and RF Signal Amplifier -- Power, Ground (w/o UE1)
Cellular Communication Components
Cellular Telephone Circuit Description
Handling ESD Sensitive Parts Notice
Handling ESD Sensitive Parts Notice
G401
Power and Grounding Connector End Views Fuse Blocks and Ignition Switch
Rear Fuse Block Battery Voltage
Rear Fuse Block Battery Voltage
Cellular Telephone Module - Inputs and Outputs (w/oUE1)