GM Service Manual Online
For 1990-2009 cars only
Makes
🢒
Cadillac
🢒
2000
🢒
DeVille
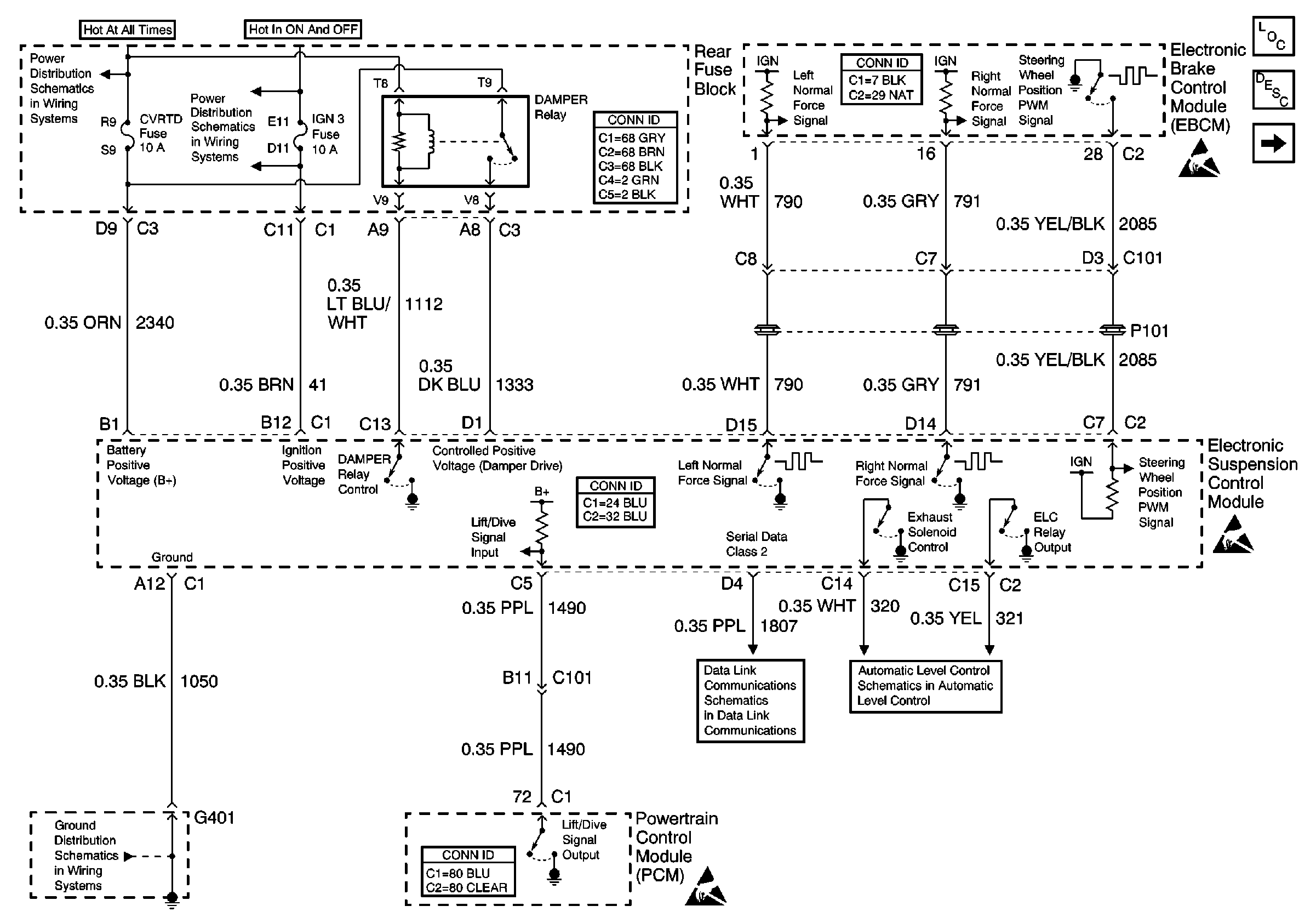
🢒 Electronic Suspension Control Module - Power, Ground
Electronic Suspension Control Module - Power, Ground
Electronic Suspension Control Module -- Power, Ground
Suspension Controls Components
Road Sensing Suspension Control Module Description
Actuators and Sensors
Handling ESD Sensitive Parts Notice
Handling ESD Sensitive Parts Notice
Handling ESD Sensitive Parts Notice
Power Distribution Schematics
Power Distribution Schematics
Power and Grounding Connector End Views Fuse Blocks and Ignition Switch
Road Sensing Suspension Control Module Description
Data Link Connector Schematics
Automatic Level Control Schematics