GM Service Manual Online
For 1990-2009 cars only
Makes
🢒
Cadillac
🢒
2000
🢒
DeVille
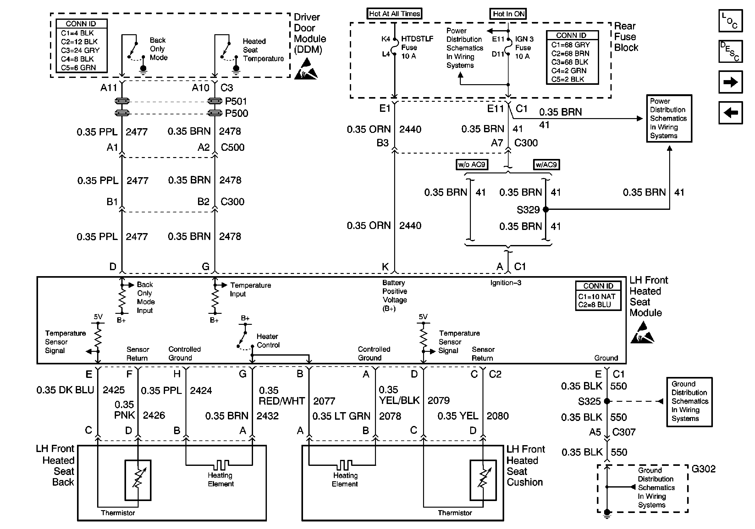
🢒 LH Front Heated Seats (Partial)
LH Front Heated Seats (Partial)
LH Front Heated Seats (Partial)
Power Seat Systems Components
Heated Seats Circuit Description
RH Front Heated Seats (Partial)
LH Front Heated Seats (Partial)
IGN 3 Fuse
IGN 3 Fuse
Handling ESD Sensitive Parts Notice
Handling ESD Sensitive Parts Notice
G302 - LH Front Seat
G302 - LH Front Seat