GM Service Manual Online
For 1990-2009 cars only
Makes
🢒
Cadillac
🢒
2000
🢒
DeVille
🢒 (AC9) Left Adaptive Seat
(AC9) Left Adaptive Seat
(AC9) Left Adaptive Seat
Power Seat Systems Components
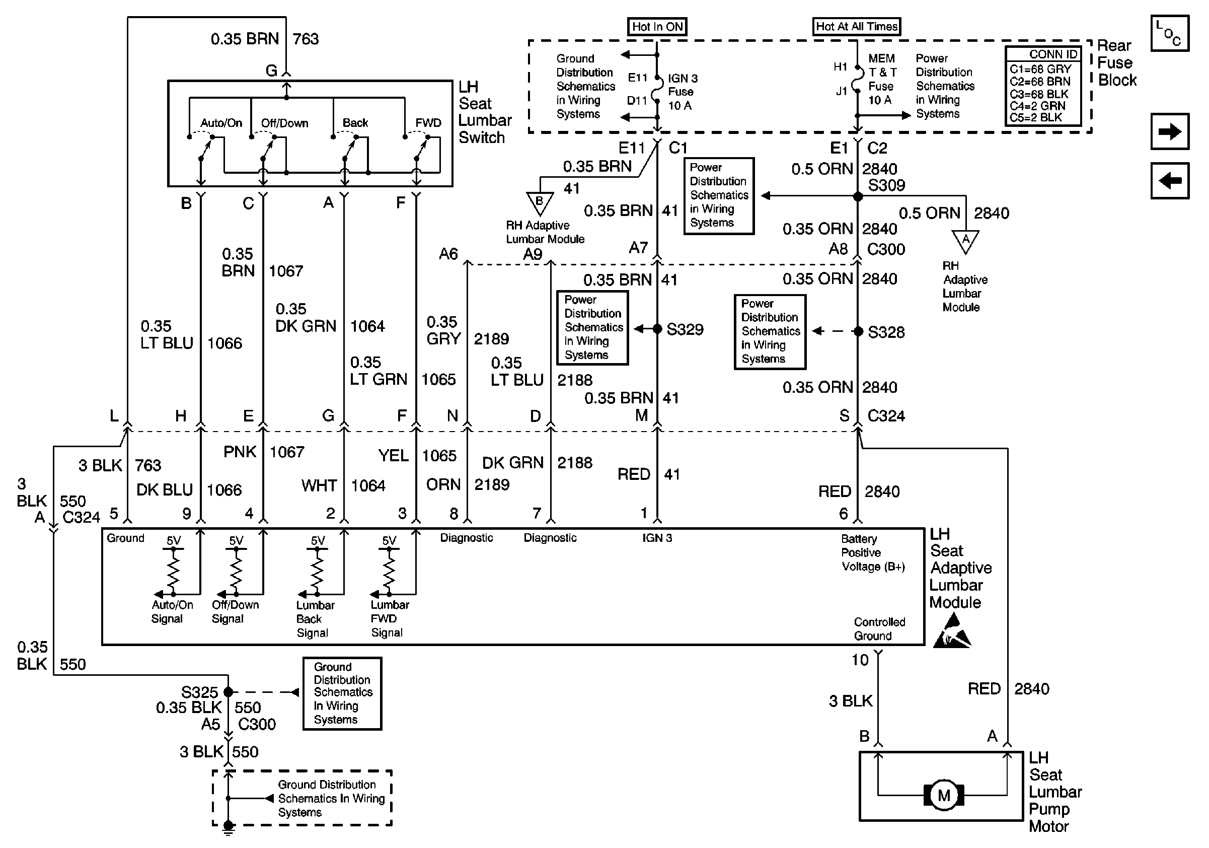
Power Lumbar Circuit Description with AC9
(AC9) Right Adaptive Seat
(AL2) Rear Seats
MEM T&T, RRLUM/ANT, and HTDST LF Fuses
(AC9) Right Adaptive Seat
MEM T&T, RRLUM/ANT, and HTDST LF Fuses
(AC9) Right Adaptive Seat
IGN 3 Fuse
MEM T&T, RRLUM/ANT, and HTDST LF Fuses
Handling ESD Sensitive Parts Notice
G302 - LH Front Seat
G302 - LH Front Seat