GM Service Manual Online
For 1990-2009 cars only
Makes
🢒
Cadillac
🢒
2000
🢒
DeVille
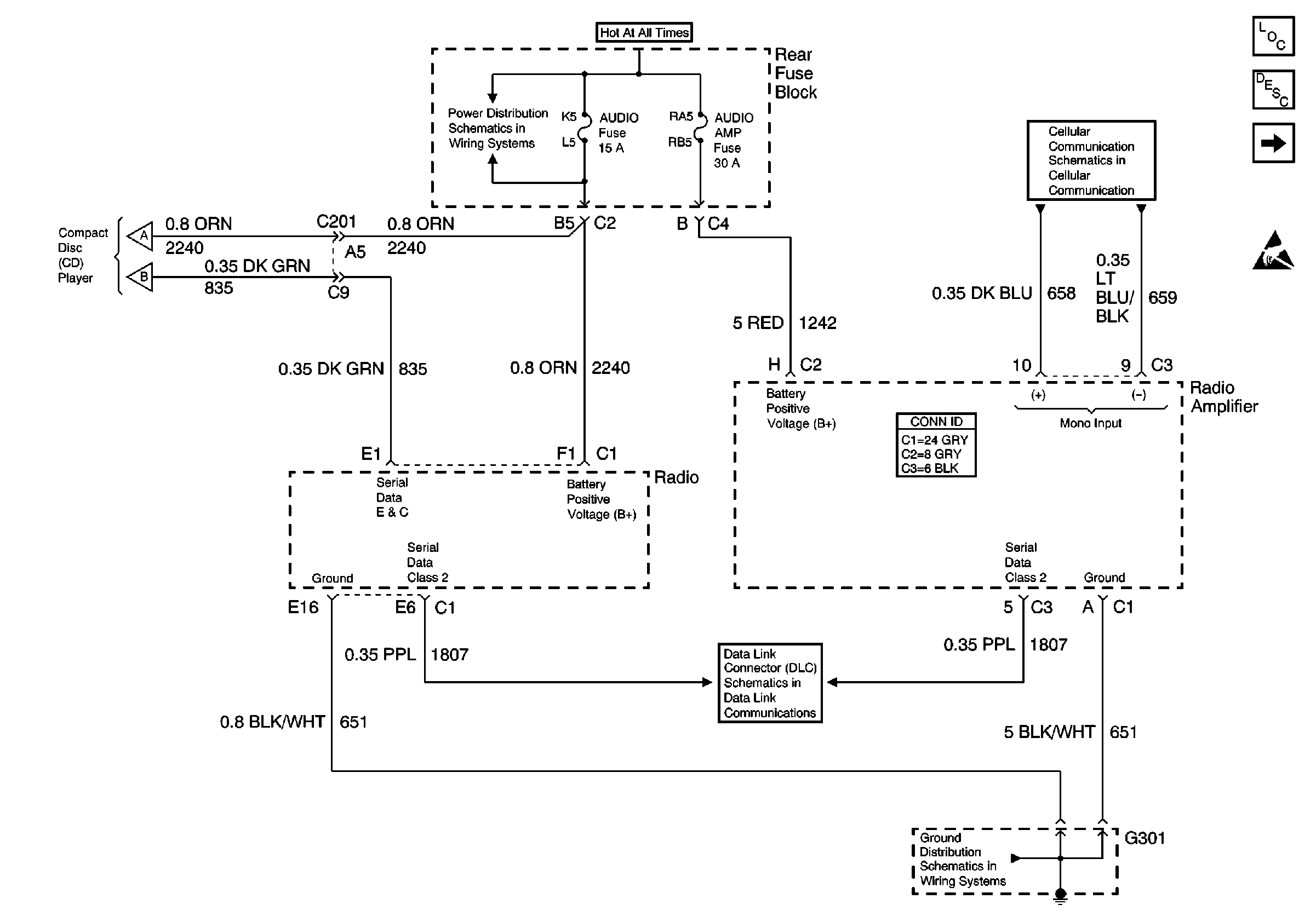
🢒 Power and Ground
Power and Ground
Power and Ground
Entertainment Components
Radio/Audio System Circuit Description exc UY4
Compact Disc (CD) Player
Handling ESD Sensitive Parts Notice
Cellular Telephone Module - Inputs and Outputs, Shielded (w/oUE1)
Compact Disc (CD) Player
Compact Disc (CD) Player
Data Link Connector Schematics
G301
Rear Fuse Block Battery Voltage