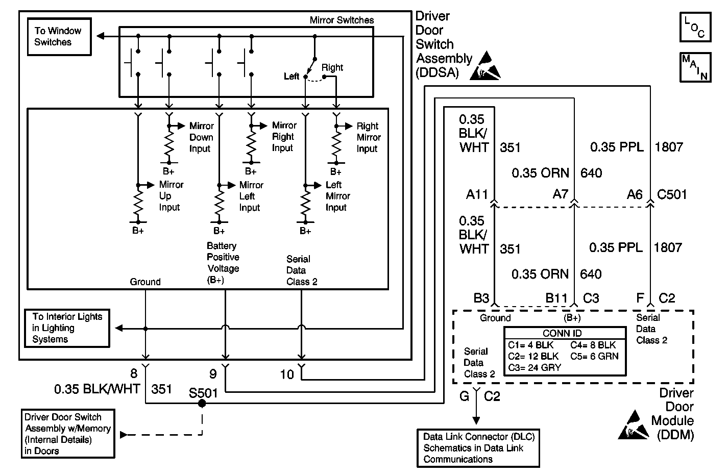
The Switch that failed and generated this diagnostic trouble code (DTC) is part of the driver door switch assembly (DDSA). This assembly contains a microprocessor which takes the signal generated by this switch and assigns a digital message to the switch signal. The driver door switch assembly (DDSA) then sends this message over the Serial Data Class 2 line to the driver door module (DDM) to move the left mirror, or, to the passenger front door module (PFDM), to move the right mirror. The DDM or PFDM then applies voltage to the appropriate circuit of their respective mirror to move it vertically and/or horizontally. It should be noted that, when a contact for a mirror position has failed , it will affect both mirrors.
The self diagnostic test runs once every 300 milliseconds regardless of source voltage if the Enable flag is set to enable.
If the driver door switch assembly (DDSA) detects that the switch is closed for more than 30 continuous seconds, it sets this DTC.
The driver door switch assembly (DDSA) deactivates and ignores inputs from the failed switch contacts and stops sending messages for this switch to the (DDM) and the (PFDM). The DDSA will continue to respond to inputs from other non-failed switch contacts.
The DDSA clears this DTC when the switch message status changes.
A sticking switch can cause this DTC to set.
Step | Action | Value(s) | Yes | No |
|---|---|---|---|---|
1 | Did you perform A Diagnostic System Check - Power Door Systems? | -- | Go to Step 2 | |
2 |
Does the scan tool display the Idle state? | -- | Go to Step 3 | Go to Step 4 |
3 |
Does the Mirror Switch parameter change state? | -- | Go to Diagnostic Aids | Go to Step 4 |
4 | Inspect for poor connections/terminal tension at the driver door switch assembly harness connector. Refer to Testing for Intermittent Conditions and Poor Connections and Connector Repairs in Wiring Systems. Did you find and correct the condition? | -- | Go to Step 6 | Go to Step 5 |
5 | Replace the driver door switch assembly. Refer to Front Door Switch Replacement . Did you complete the replacement? | -- | Go to Step 6 | -- |
6 |
Does the DTC reset? | -- | Go to Step 2 | System OK |