GM Service Manual Online
For 1990-2009 cars only

Refer To

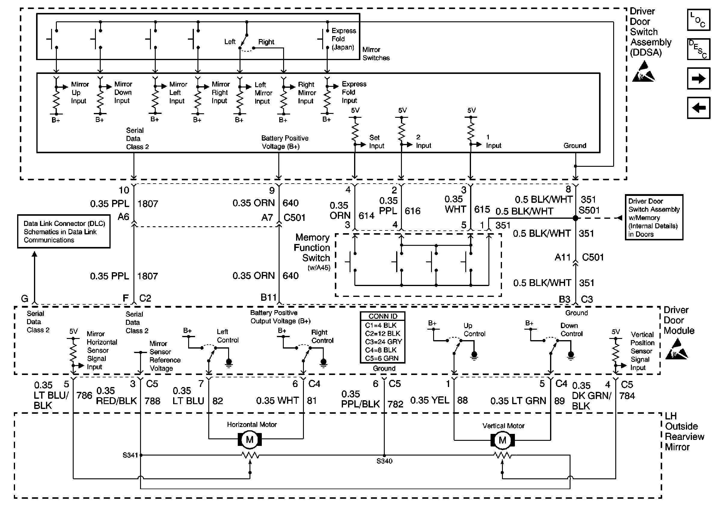
LH Power Mirror w/ Memory (A45)


Object Number: 491494  Size: FS
Power Door Systems Components
Outside Mirrors Description
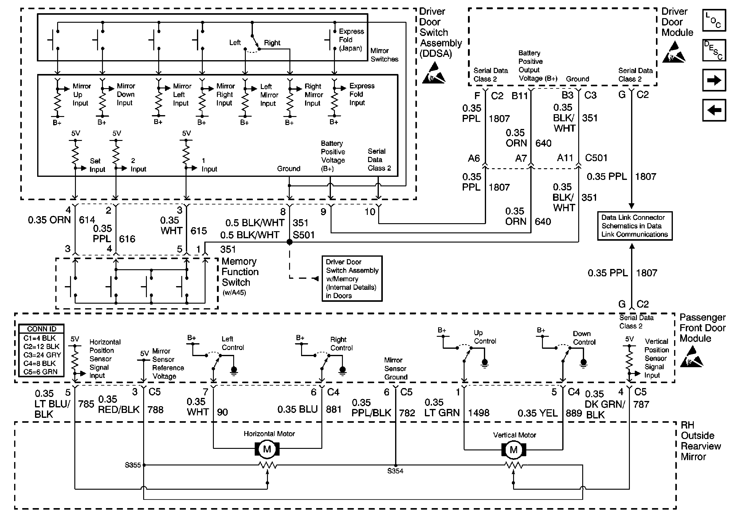
RH Power Mirror w/ Memory (A45)
Power Mirrors
Handling ESD Sensitive Parts Notice
Handling ESD Sensitive Parts Notice
Serial Data Class 2 (3 of 3)
Driver Door Switch Assembly (DDSA) Internal Details (w/Memory (A45))
.

Refer To

RH Power Mirror w/ Memory (A45)


Object Number: 491495  Size: FS
Power Door Systems Components
Outside Mirrors Description
Heated Mirrors
LH Power Mirror w/ Memory (A45)
Handling ESD Sensitive Parts Notice
Handling ESD Sensitive Parts Notice
Handling ESD Sensitive Parts Notice
Driver Door Switch Assembly (DDSA) Internal Details (w/Memory (A45))
Serial Data Class 2 (3 of 3)
.

Circuit Description

The LH mirror and the RH mirror vertical position sensors are potentiometers. The driver door module (DDM) and the passenger door module (PFDM) determine the vertical position of the mirrors based on the signal voltage from these sensors.

Conditions for Running the DTC

The door modules must be powered up and have battery voltage applied.

Conditions for Setting the DTC

The code will be set when the mirror vertical position sensor voltage is above or below the associated range limits (within 10%) for 30 seconds in the requested position. The voltage failure range limits that the module uses to set the code will vary from vehicle to vehicle and from module to module. Therefore, use the table below to determine what the failed voltage range limits are for your particular vehicle/module.

If the Mirror 5 volt reference voltage indicated on the scan tool is closest to:

the code will be set when the mirror position sensor voltage is:

the code will be set when the mirror position sensor voltage is:

5.0 volts

0 to 0.60 volts

4.7 to 5.0 volts

4.4 volts

0 to 0.53 volts

4.1 to 4.4 volts

3.8 volts

0 to 0.45 volts

3.6 to 3.8 volts

Action Taken When the DTC Sets

Memory movements on this axis are disabled. Manual movements are not disabled.

Conditions for Clearing the DTC

When the door modules no longer sense the failure .

Diagnostic Aids

       Important: After readjusting the mirror positions, be sure to reset the mirror memory switch to the new positions.

    • If this code is set as a history code, but not as a current code, remove the fuse for the door module that set the code for 10 seconds, then reinstall it.
    • A sticking switch may cause this DTC to set.

Step

Action

Value(s)

Yes

No

1

Did you perform A Diagnostic System Check - Power Door Systems?

--

Go to Step 2

Go to Diagnostic System Check - Power Door Systems

2

  1. Turn OFF the ignition.
  2. Install a scan tool.
  3. Turn ON the ignition, with the engine OFF.
  4. Using the mirror position adjustment switch, move the applicable mirror to the limits of the UP and DOWN positions.
  5. With the scan tool, observe the Up/Down Sensor parameter in the associated door modules Data list.

Does the scan tool indicate that the voltage increases with the Up adjustments and decreases with the Down adjustments?

--

Go to Diagnostic Aids

Go to Step 3

3

  1. Turn OFF the ignition.
  2. Disconnect the applicable mirror harness connector that contains the 5 volt mirror sensor reference circuit, the mirror sensor ground circuit, and the mirror position sensor signal circuits.
  3. Turn ON the ignition, with the engine OFF.
  4. With the scan tool, observe the Up/Down Sensor parameter in the Data list.

Does the scan tool indicate the voltage is greater than the specified value?

3.8 V

Go to Step 4

Go to Step 8

4

  1. Probe the mirror vertical position sensor signal pin of the module with a fused jumper connected to the mirror sensor ground pin of the module.
  2. With the scan tool, observe the Up/Down Sensor parameter in the applicable door module Data list.

Does the scan tool indicate the voltage is within the specified value?

0-0.75 Volts

Go to Step 5

Go to Step 8

5

With a DMM, measure for voltage at the 5 volt reference pin of the module.

Does the voltage measure within the specified value?

3.50-5.00 V

Go to Step 6

Go to Step 8

6

Inspect for poor connections at the harness connector of the applicable mirror. Refer to Testing for Intermittent Conditions and Poor Connections and Connector Repairs in Wiring Systems.

Did you find and correct the condition?

--

Go to Step 10

Go to Step 7

7

Replace the mirror . Refer to Power Mirror Replacement .

Did you complete the replacement?

--

Go to Step 10

--

8

Inspect for poor connections at the harness connector of the applicable door module. Refer to Testing for Intermittent Conditions and Poor Connections and Connector Repairs in Wiring Systems.

Did you find and correct the condition?

--

Go to Step 10

Go to Step 9

9

Replace the door module. Refer to Door Control Module Replacement

Did you complete the replacement?

--

Go to Step 10

--

10

  1. Clear the DTCs using the scan tool.
  2. Operate the vehicle within the Conditions for Running the DTC as specified in the supporting text.

Does the DTC reset?

--

Go to Step 2

System OK