GM Service Manual Online
For 1990-2009 cars only

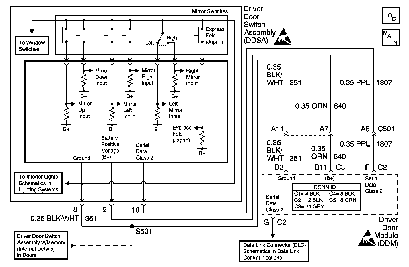
Object Number: 543682  Size: MF
Power Door Systems Components
Driver Door Switch Assembly (DDSA) Internal Details (w/Memory (A45))
Handling ESD Sensitive Parts Notice
Handling ESD Sensitive Parts Notice
Front Door Dimming
Driver Door Switch Assembly (DDSA) Internal Details (w/Memory (A45))
Serial Data Class 2 (3 of 3)

Circuit Description

The Switch that failed and generated this diagnostic trouble code (DTC) is part of the driver door switch assembly (DDSA). This assembly contains a microprocessor which takes the signal generated by this switch and assigns a digital message to the switch signal. The driver door switch assembly (DDSA) then sends this message over the Serial Data Class 2 line to the driver door module (DDM) and the passenger front door module (PFDM) to move the mirrors. The DDM and the PFDM then apply voltage to the appropriate circuit of their respective mirror to fold (retract) or unfold (extend) both mirrors.

Conditions for Running the DTC

The self diagnostic test runs once every 30 seconds regardless of source voltage.

Conditions for Setting the DTC

If the driver door switch assembly (DDSA) detects that the switch is closed for more than 30 continuous seconds, it sets this DTC.

Action Taken When the DTC Sets

The driver door switch assembly (DDSA) deactivates and ignores inputs from the failed switch contacts and stops sending messages for this switch to the (DDM) and the (PFDM). The DDSA will continue to respond to inputs from other non-failed switch contacts.

Conditions for Clearing the DTC

The DDSA clears this DTC when the switch message status changes.

Diagnostic Aids

A sticking switch can cause this DTC to set

Step

Action

Value(s)

Yes

No

1

Did you perform A Diagnostic System Check - Power Door Systems?

--

Go to Step 2

Go To Diagnostic System Check - Power Door Systems

2

  1. Install a Scan tool.
  2. Turn ON the ignition, with the engine OFF.
  3. With the scan tool, observe the Mirror Fold Switch parameter in the Driver Door Switch Inputs list.

Does the scan tool display the Idle state?

--

Go to Step 3

Go to Step 4

3

  1. Activate the mirror fold switch.
  2. With the scan tool, observe the Mirror Fold Switch parameter.

Does the Mirror Fold Switch parameter change state?

--

Go to Diagnostic Aids

Go to Step 4

4

Inspect for poor connections/terminal tension at the driver door switch assembly harness connector. Refer to Testing for Intermittent Conditions and Poor Connections and Connector Repairs in Wiring Systems.

Did you find and correct the condition?

--

Go to Step 6

Go to Step 5

5

Replace the driver door switch assembly. Refer to Front Door Switch Replacement .

Did you complete the replacement?

--

Go to Step 6

--

6

  1. Use the scan tool in order to clear the DTCs.
  2. Operate the vehicle within the Conditions for Running the DTC as specified in the supporting text.

Does the DTC reset?

--

Go to Step 2

System OK