GM Service Manual Online
For 1990-2009 cars only

Refer to

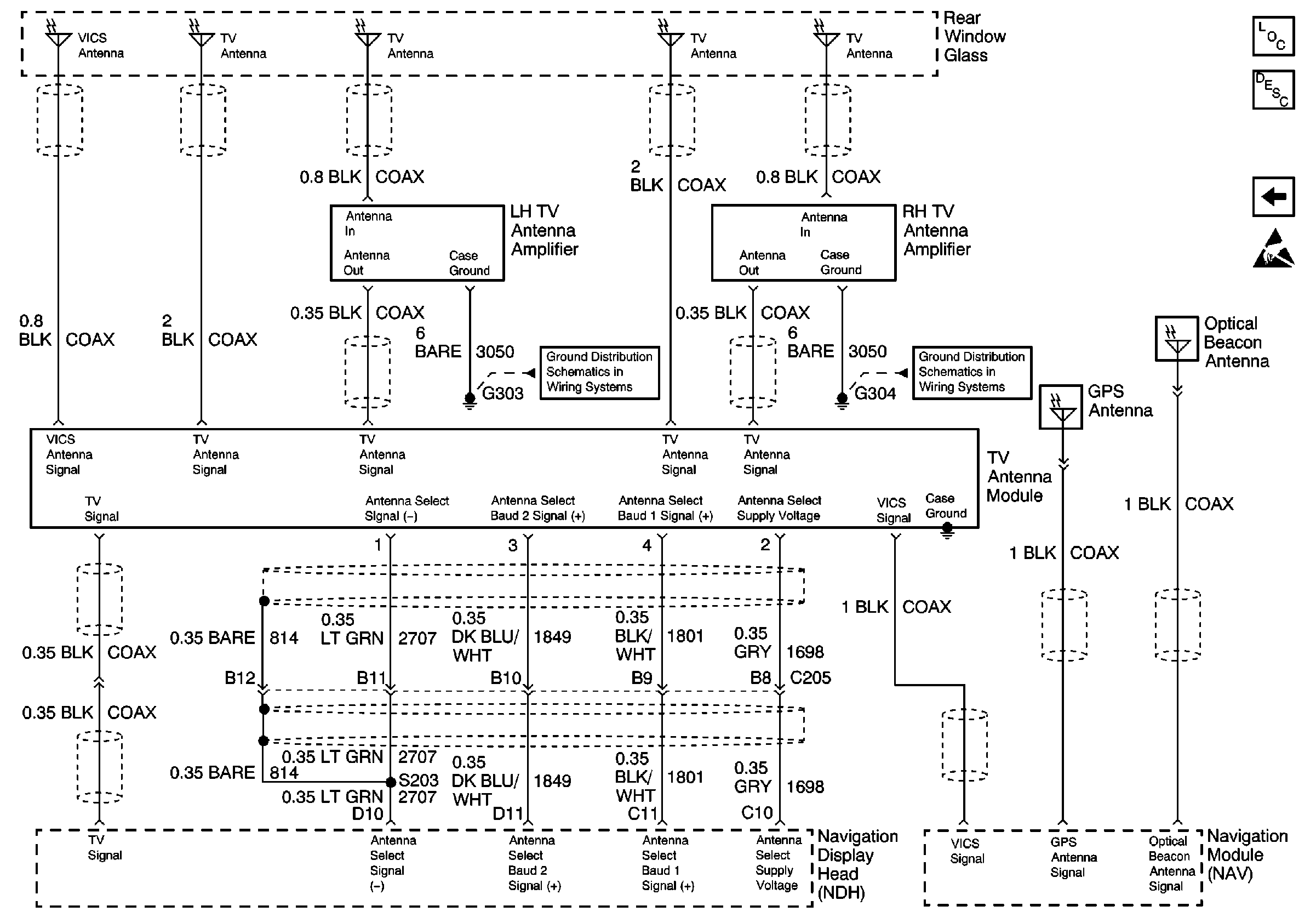
Antennas


Object Number: 499653  Size: FS
Navigation System Components
Video and Radio Communication
Handling ESD Sensitive Parts Notice
Navigation System Connector End Views
Navigation System Connector End Views
Navigation System Connector End Views
G300, G303, G304, G306
G300, G303, G304, G306
.

Circuit Description

The navigation display head (NDH) supplies power to the TV antenna module to permit the selection of the antenna set used. The NDH tests the antenna select supply voltage circuit every 500ms after the ignition is cycled to ON. The NDH does this by monitoring the current draw on the antenna select supply voltage circuit.

Conditions for Running the DTC

The navigation display head (NDH) must detect a power mode transition from OFF-ASLEEP to either:

    • ACC
    • ON

The vehicle must be equipped with the navigation system with TV option (RPO UE7).

The navigation display head (NDH) does not set this DTC if B1327 or B1328 is current.

Conditions for Setting the DTC

    • Current draw of the TV antenna module exceeds the regular value.
    • The antenna select supply voltage circuit shorted to ground.

DTC B2460 does not set if DTC B1328 or DTC B1327 is current.

Action Taken When the DTC Sets

    • TV video unclear, grey screen.
    • TV audio unclear, full of static.

This failure has no effect outside the TV function of the navigation system.

Conditions for Clearing the DTC

A current DTC clears when the navigation display head (NDH) does not detect the failure for more than 500ms.

Diagnostic Aids

An intermittent condition may be caused by the following:

    • Mis-routed harness
    • Rubbed through wire insulation

Step

7

Action

Value(s)

Yes

No

1

Did you perform Diagnostic System Check - Navigation System ?

--

Go to Step 2

Go to Diagnostic System Check - Navigation System

2

  1. Disconnect the TV antenna module.
  2. Turn ON the ignition with the engine off.
  3. Measure the voltage of the antenna select supply voltage circuit.

Is the voltage within the specified range?

0.3-1.0 V

Go to Step 5

Go to Step 3

3

Test the antenna select supply voltage circuit for a short. Refer to Circuit Testing and Wiring Repairs in Wiring Systems.

did you find and correct the condition?

--

Go to Step 7

Go to Step 4

4

Inspect for poor connections at the harness connector of the navigation display head (NDH). Refer to Testing for Intermittent Conditions and Poor Connections and Connector Repairs in Wiring Systems.

Did you find and correct the condition?

--

Go to Step 7

Go to Step 6

5

Replace the TV antenna module assembly. Refer to Television Antenna Module Replacement in Entertainment.

Did you complete the replacement?

--

Go to Step 7

--

6

Replace the navigation display head (NDH). Refer to Navigation Display Module Replacement in Entertainment.

Did you complete the replacement?

--

Go to Step 7

--

7

  1. Use the scan tool in order to clear the DTC.
  2. Operate the vehicle according to the Conditions for Running the DTC in the supporting text.

Does the DTC reset?

--

Go to Step 2

System OK