GM Service Manual Online
For 1990-2009 cars only

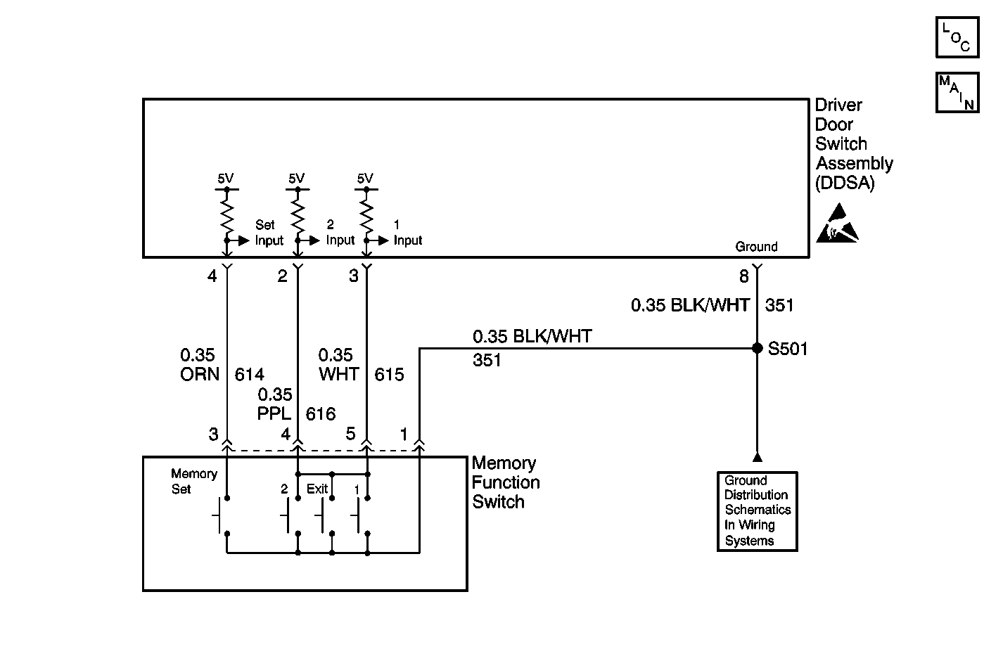
Object Number: 522188  Size: MF
Power Seat Systems Components
Memory Seats Schematics
Handling ESD Sensitive Parts Notice
Ground Distribution Schematics

Circuit Description

The switch that failed and generated this diagnostic trouble code (DTC) is wired to the driver door switch assembly (DDSA). The DDSA contains a microprocessor which takes the signal generated by the memory function switch, processes it, and assigns a digital message to it.

When the DDSA receives a signal to initiate a memory recall, it sends class 2 messages to the driver door module and the passenger front door module to position the mirrors, the memory seat module to position the driver seat, the instrument panel module to adjust climate controls, and the integrated radio control to adjust radio settings.

Conditions for Running the DTC

The DDSA must be powered and can not have B1328 -- Battery Voltage High or B1327-Battery Voltage Low as active DTCs for this DTC to set.

Conditions for Setting the DTC

If the driver door switch assembly (DDSA) receives the message that the switch is closed for more than 30 continuous seconds, the DDSA then sets this DTC.

Action Taken When the DTC Sets

The DDSA ignores the invalid switch input from the memory function switch and will not respond to it. The DDSA will respond to all other valid switch inputs.

Conditions for Clearing the DTC

The DDSA clears this DTC under two conditions. Either the switch signal is not received during one of the checks of the class 2 data link, or the power to the DDSA changes from OFF to ON.

Test Description

The numbers below refer to the step numbers on the diagnostic table.

  1. Checks the existing state of the memory recall switch number 2 by using the current state of the input parameter.

Step

Action

Value(s)

Yes

No

1

Did you perform the Diagnostic System Check - Power Seat Systems?

--

Go to Step  2

Go to Diagnostic System Check - Power Seat Systems

2

  1. Install a scan tool.
  2. Turn ON the ignition, with the engine OFF.
  3. With a scan tool, observe the Memory Recall Switches parameter in the Driver Door Switch data list.

Does the scan tool display Idle?

--

Go to Step  3

Go to Step  4

3

  1. Activate the memory recall switch 2.
  2. With a scan tool, observe the Memory Recall Switches parameter.

Does the Memory Recall Switches parameter momentarily change state?

--

Go to Testing for Intermittent Conditions and Poor Connections in Wiring Systems

Go to Step  4

4

  1. Turn OFF the ignition.
  2. Disconnect the memory recall switch.
  3. Turn ON the ignition, with the engine OFF.
  4. With a scan tool, observe the Memory Recall Switches parameter.

Does the scan tool display Idle?

--

Go to Step  7

Go to Step  5

5

Test the memory switch 2 input circuit for a short to ground. Refer to Circuit Testing and Wiring Repairs in Wiring Systems.

Did you find and correct the condition?

--

Go to Step  10

Go to Step  6

6

Inspect for poor connections at the harness connector of the driver door switch assembly. Refer to Testing for Intermittent Conditions and Poor Connections and Connector Repairs in Wiring Systems.

Did you find and correct the condition?

--

Go to Step  10

Go to Step  8

7

Inspect for poor connections at the harness connector of the memory function switch. Refer to Testing for Intermittent Conditions and Poor Connections and Connector Repairs in Wiring Systems.

Did you find and correct the condition?

--

Go to Step  10

Go to Step  9

8

Replace the driver door switch assembly. Refer to Front Door Switch Replacement in Doors.

Did you complete the replacement?

--

Go to Step  10

--

9

Replace the memory function switch. Refer to Driver Seat Adjuster Memory Switch Replacement .

Did you complete the replacement?

--

Go to Step  10

--

10

  1. Clear the DTCs using the scan tool.
  2. Operate the vehicle within the Conditions for Running the DTC as specified in the supporting text.

Does the DTC reset?

--

Go to Step  2

System OK