GM Service Manual Online
For 1990-2009 cars only

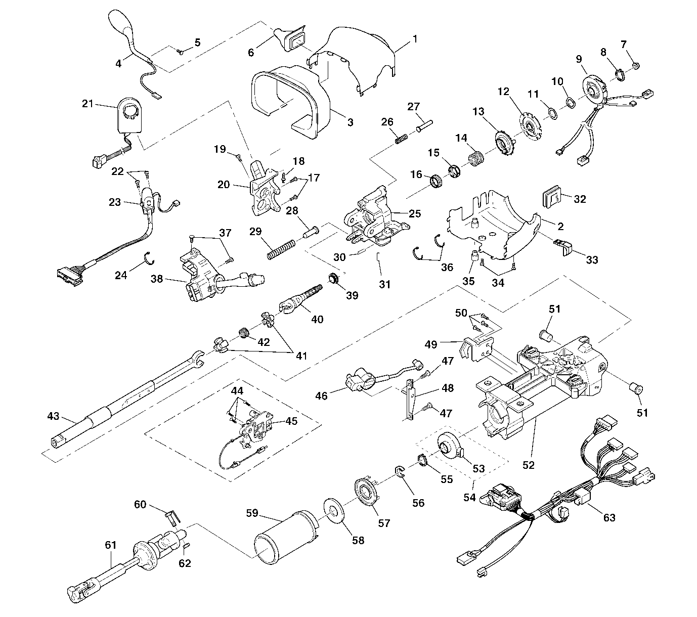
Steering Column Disassembled View Power Tilt and Telescope, Floor Shift

Power Steering Column, Floor Shift


Object Number: 589701  Size: LF
(1)Upper Trim Cover
(2)Lower Trim Cover
(3)Steering Column Closeout Trim Cover
(4)Flange Prevailing Torque Nut
(5)Retaining Ring
(6)SIR Coil
(7)Wave Washer
(8)Bearing Retainer
(9)Shaft Lock
(10)Turn Signal Cancel Cam
(11)Pan Head Tapping Screw
(12)Switch Mounting Bracket
(13)Lock Bolt
(14)Lock Bolt Spring
(15)Upper Bearing Spring
(16)Upper Bearing Inner Race Seat
(17)Inner Race
(18)Pan Head Tapping Screws
(19)TORX® Head Screw
(20)Pan Head Tapping Screw
(21)Ignition Lock Cylinder Case
(22)Pan Head Tapping Screws
(23)Ignition Switch Assembly
(24)Theft Deterrent Control Module
(25)Wire Harness Strap
(26)Electric Park Lock Assembly
(27)Wire Harness Strap
(28)Steering Column Tilt Head Assembly
(29)Bearing Holder
(29)Bearing Holder
(30)Trim Cover Protector
(31)Power Tilt and Telescope Toggle Switch Assembly
(32)Pan Head Tapping Screws
(33)Wire Harness Straps
(34)Pan Head Tapping Screws
(35)Turn Signal Multifunction Switch Assembly
(36)Wire Harness Strap
(37)Centering Sphere
(38)Bearing Assembly
(39)Race and Upper Shaft Assembly
(40)Joint Preload Spring
(41)Steering Shaft Assembly
(42)Potentiometer Housing
(43)Tilt and Telescope Drive Motor Assembly
(44)TORX® Head Screw
(45)Pan Head Tapping Screws
(46)Tilt and Cable Assembly
(47)Gear Shift and Tilt Motor Bracket
(48)Telescoping Jacket Assembly
(49)Pivot Pins
(50)Steering Column Housing Support
(51)TORX® Head Screws
(52)Lead Screw
(53)TORX® Head Screws
(54)Jackscrew Right Hand Telescoping Nut
(55)Pan Head Tapping Screws
(56)Tilt and Telescope Module
(57)TORX® Head Screw
(58)TORX® Head Screws
(59)Telescope Cable Assembly
(60)Cable Spring
(61)Lower Shield Assembly
(62)Tilt and Telescope Drive Motor Assembly
(63)Potentiometer Housing
(64)Steering Shaft Position Sensor
(65)Retaining Ring
(66)Sensor Locator
(67)Sensor Retainer
(68)Steering Shaft Seal
(69)Boot Seal
(70)Pinch Bolt
(71)Intermediate Steering Shaft Assembly
(72)Main Harness

Steering Column Disassembled View Power Tilt and Telescope, Col Shift

Power Steering Column, Column Shift


Object Number: 588874  Size: LF
(1)Upper Trim Cover
(2)Lower Trim Cover
(3)Steering Column Closeout Trim Cover
(4)Shift Lever
(5)Shift Lever Screw
(6)Shift Lever Seal
(7)Flange Prevailing Torque Nut
(8)Retaining Ring
(9)SIR Coil
(10)Wave Washer
(11)Bearing Retainer
(12)Shaft Lock
(13)Turn Signal Cancel Cam
(14)Pan Head Tapping Screw
(15)Switch Mounting Bracket
(16)Lock Bolt
(17)Lock Bolt Spring
(18)Upper Bearing Spring
(19)Upper Bearing Inner Race Seat
(20)Inner Race
(21)Pan Head Tapping Screws
(22)TORX® Head Screw
(23)Pan Head Tapping Screw
(24)Ignition Lock Cylinder Case
(25)Pan Head Tapping Screws
(26)Ignition Switch Assembly
(27)Theft Deterrent Control Module
(28)Wire Harness Strap
(29)Wire Harness Strap
(30)Steering Column Tilt Head Assembly
(31)Bearing Holder
(31)Bearing Holder
(32)Trim Cover Protector
(33)Power Tilt and Telescope Toggle Switch Assembly
(34)Pan Head Tapping Screws
(35)Wire Harness Straps
(36)Pan Head Tapping Screws
(37)Turn Signal Multifunction Switch Assembly
(38)Wire Harness Strap
(39)Bearing Assembly
(40)Race and Upper Shaft Assembly
(41)Centering Sphere
(42)Joint Preload Spring
(43)Steering Shaft Assembly
(44)Flat Head Tapping Screws
(45)Linear Shift Assembly
(46)Potentiometer Housing
(47)Tilt and Telescope Drive Motor Assembly
(48)TORX® Head Screw
(49)Pan Head Tapping Screws
(50)Gear Shift and Tilt Motor Bracket
(51)Tilt and Cable Assembly
(52)Automatic Transmission Shift Lock Control
(53)Telescoping Jacket Assembly
(54)Pivot Pins
(54)Pivot Pin
(55)Steering Column Housing Support
(56)Pan Head Tapping Screws
(57)Lead Screw
(58)TORX® Head Screws
(59)Jackscrew Right Hand Telescoping Nut
(60)Pan Head Tapping Screws
(61)Tilt and Telescope Module
(62)TORX® Head Screw
(63)TORX® Head Screws
(64)Telescope Cable Assembly
(65)Lower Shield Assembly
(66)Cable Spring
(67)Tilt and Telescope Drive Motor Assembly
(68)Potentiometer Housing
(69)Steering Shaft Position Sensor
(70)Retaining Ring
(71)Sensor Retainer
(72)Steering Shaft Seal
(73)Boot Seal
(74)Pinch Bolt
(75)Intermediate Steering Shaft Assembly
(76)Main Harness

Steering Column Disassembled View Manual Tilt,Floor Shift

Manual Tilt Steering Column, Floor Shift


Object Number: 603803  Size: LF
(1)Upper Trim Cover
(2)Lower Trim Cover
(3)Steering Column Closeout Trim Cover
(4)Flanged Prevailing Torque Nut
(5)Retaining Ring
(6)SIR Coil
(7)Wave Washer
(8)Bearing Retainer
(9)Shaft Lock
(10)Turn Signal Cancel Cam
(11)Upper Bearing Spring
(12)Upper Bearing Inner Race Seat
(13)Inner Race
(14)Pan Head Tapping Screws
(15)TORX® Head Screw
(16)Pan Head Tapping Screw
(17)Ignition Lock Cylinder Case
(18)Theft Deterrent Control Module
(19)Tapping Screws
(20)Ignition Switch Assembly
(21)Wire Harness Strap
(22)Bearing and Housing Assembly
(23)Lock Bolt Spring
(24)Lock Bolt Assembly
(25)Spring Guide
(26)Tilt Spring
(27)Release Lever Spring
(28)Release Lever Pin
(29)Trim Cover Protector
(30)Tilt Knob
(31)Pan Head Tapping Screws
(32)Solenoid Opening Button
(33)Wire Harness Straps
(34)Pan Head Tapping Screws
(35)Turn Signal and Multifunction Switch Assembly
(36)Steering Column Electric Park Lock
(37)Bearing Assembly
(38)Race and Upper Shaft Assembly
(39)Centering Sphere
(40)Joint Preload Spring
(41)Lower Shaft Assembly
(42)Pivot Pins
(42)Pivot Pin
(43)Steering Column Support Assembly
(44)Steering Wheel Position Sensor Assembly
(45)Retaining Ring
(46)Sensor Locator
(47)Sensor Retainer
(48)Steering Shaft Seal
(49)Boot Seal
(50)Bolt and Retainer Assembly
(51)Intermediate Steering Shaft Assembly
(52)Pinch Bolt Nut
(53)Main Wiring Harness

Steering Column Disassembled View Manual Tilt,Column Shift

Manual Tilt Steering Column, Column Shift


Object Number: 603810  Size: LF
(1)Upper Trim Cover
(2)Lower Trim Cover
(3)Steering Column Closeout Trim Cover
(4)Shift Lever
(5)Shift Lever Screw
(6)Shift Lever Seal
(7)Flanged Prevailing Torque Nut
(8)Retaining Ring
(9)SIR Coil
(10)Wave Washer
(11)Bearing Retainer
(12)Shaft Lock
(13)Turn Signal Cancel Cam
(14)Upper Bearing Spring
(15)Upper Bearing Inner Race Seat
(16)Inner Race
(17)Pan Head Tapping Screws
(18)TORX® Head Screw
(19)Pan Head Tapping Screw
(20)Ignition Lock Cylinder Case
(21)Theft Deterrent Control Module
(22)Tapping Screws
(23)Ignition Switch Assembly
(24)Wire Harness Strap
(25)Bearing and Housing Assembly
(26)Lock Bolt Spring
(27)Lock Bolt Assembly
(28)Spring Guide
(29)Tilt Spring
(30)Release Lever Spring
(31)Release Lever Pin
(32)Trim Cover Protector
(33)Tilt Lever
(34)Pan Head Tapping Screws
(35)Solenoid Opening Button
(36)Wire Harness Straps
(37)Pan Head Tapping Screws
(38)Turn Signal and Multifunction Switch Assembly
(39)Bearing Assembly
(40)Race and Upper Shaft Assembly
(41)Centering Sphere
(42)Joint Preload Spring
(43)Lower Shaft Assembly
(44)Flat Head 6-Lobed Soc Tap Screws
(45)Linear Shift Assembly
(46)Electrical (BTSI) Actuator
(47)Pan Head Tapping Screws
(48)BTSI Mounting Bracket Assembly
(49)Cable Support Bracket
(50)Flat Head Screws
(51)Pivot Pins
(52)Steering Column Support Assembly
(53)Steering Wheel Position Sensor
(54)Steering Wheel Position Sensor (Optional)
(55)Retaining Ring
(56)Sensor Locator
(57)Sensor Retainer
(58)Steering Shaft Seal
(59)Boot Seal
(60)Bolt and Retainer Assembly
(61)Intermediate Steering Shaft Assembly
(62)Pinch Bolt Nut
(63)Main Wiring Harness