GM Service Manual Online
For 1990-2009 cars only

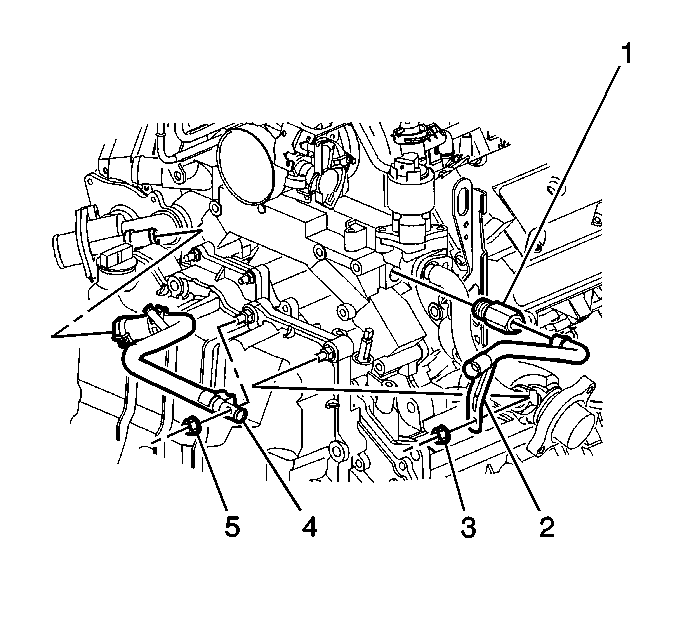
Removal Procedure


    Object Number: 474771  Size: SH
  1. Drain the cooling system. Refer to Cooling System Draining and Filling in Engine Cooling.
  2. Remove the heater inlet pipe (2). Refer to Heater Inlet Pipe Replacement .
  3. Unscrew the heater inlet pipe adapter (1), by rotating the heater inlet pipe adapter (1) counter clockwise until the heater inlet pipe adapter (1) is released from the coolant crossover.

Installation Procedure


    Object Number: 474771  Size: SH

    Notice: Use the correct fastener in the correct location. Replacement fasteners must be the correct part number for that application. Fasteners requiring replacement or fasteners requiring the use of thread locking compound or sealant are identified in the service procedure. Do not use paints, lubricants, or corrosion inhibitors on fasteners or fastener joint surfaces unless specified. These coatings affect fastener torque and joint clamping force and may damage the fastener. Use the correct tightening sequence and specifications when installing fasteners in order to avoid damage to parts and systems.

  1. Install the heater inlet pipe adapter (1) by rotating the inlet fitting (1) clockwise.
  2. Tighten
    Torque the heater inlet adapter fitting (1) to 38 N·m (28 lb ft).

  3. Install the heater inlet pipe (2). Refer to Heater Inlet Pipe Replacement .
  4. Fill the cooling system. Refer to Cooling System Draining and Filling in Engine Cooling.