GM Service Manual Online
For 1990-2009 cars only
Figure 1:

Center Front of the Passenger Compartment, in the Front of the Overhead Console


Object Number: 524995  Size: LF
(1)Sunroof Slide Switch
(2)Rear Window Sunshade Switch
(3)Overhead Console Courtesy Lamp
(4)Noise Cancellation Microphone
(5)Outside Moisture Sensor
(6)Inside Rearview Mirror
(7)Overhead Console Courtesy Lamp
(8)Cellular Telephone Microphone - (w/UE1)
(9)Garage Door Opener
(10)Sunroof Vent Switch
(11)Overhead Console
Figure 2:

Right Side of the Engine Compartment, on the Lower Part of the Windshield Washer Reservoir


Object Number: 525032  Size: LF
(1)Windshield Washer Fluid Pump
(2)Windshield Washer Solvent Level Switch
Figure 3:

Right Rear of the Engine Compartment, Near the Strut Tower


Object Number: 525010  Size: LF
(1)Windshield Wiper Motor
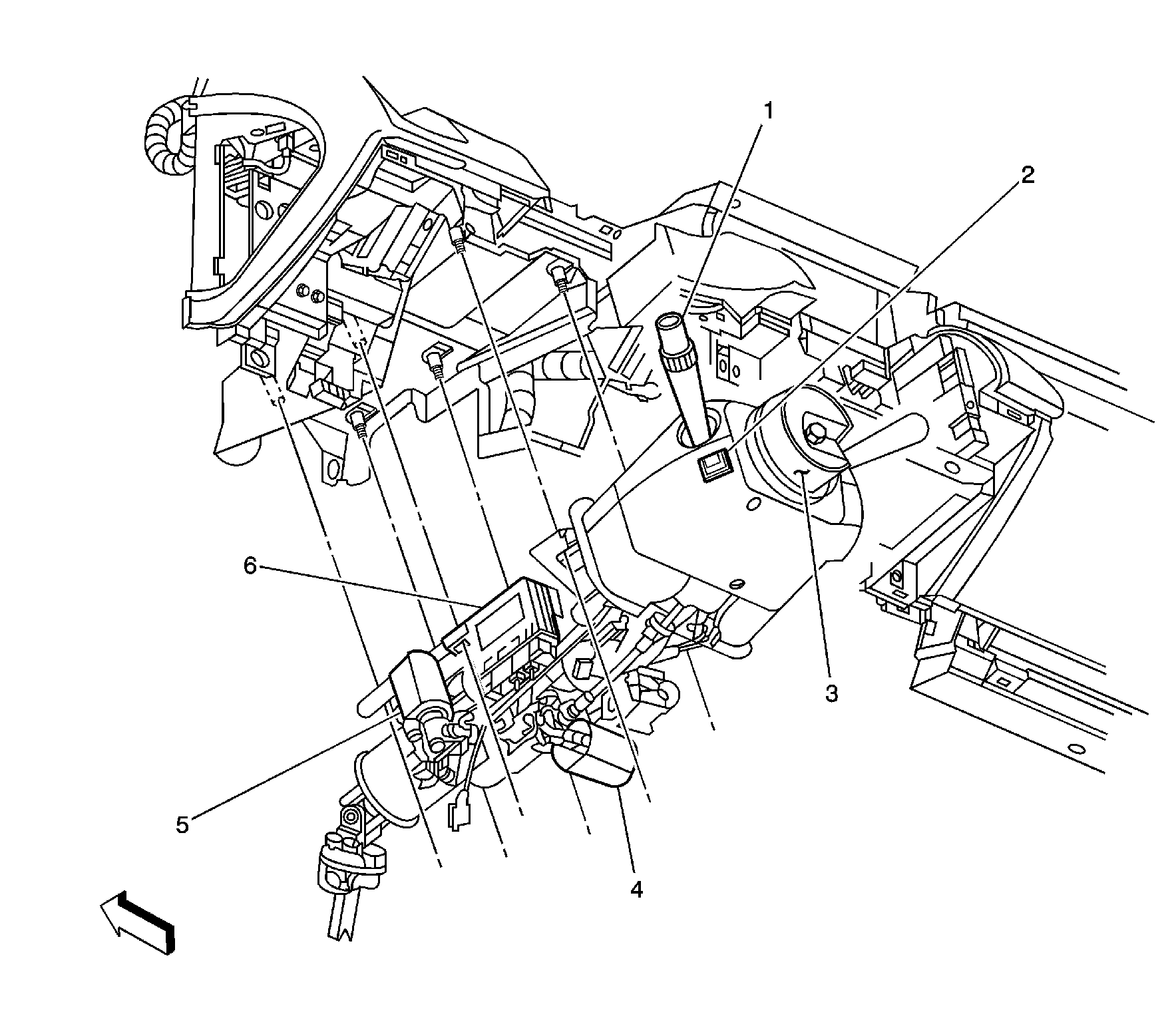
Figure 4:

Under the Left Side of the Instrument Panel


Object Number: 525005  Size: LF
(1)Multifunction Lever
(2)Tilt/Telescope Switch
(3)Horn Switch (Hidden)
(4)Tilt Actuator
(5)Telescope Actuator
(6)Steering Column Module