GM Service Manual Online
For 1990-2009 cars only
Makes
🢒
Cadillac
🢒
2001
🢒
DeVille
🢒
Body and Accessories
🢒
Wiring Systems
🢒 Cigar Lighter/Power Outlet Schematics
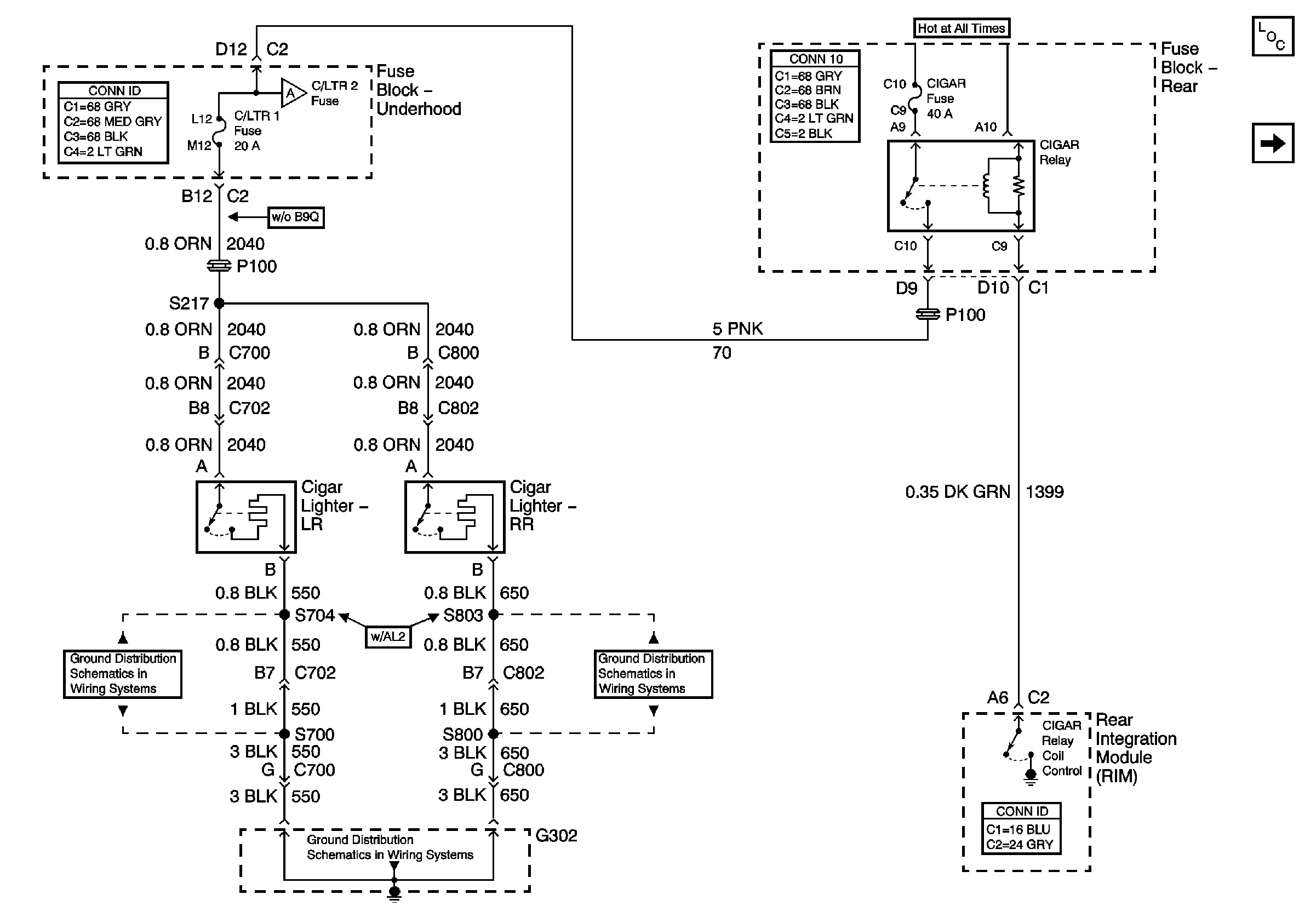
Figure
1:
Rear Cigar Lighters
Master Electrical Component List
Cigar and Auxiliary Power Outlets
G302 Right Front Seat
G302 Right Front Seat
G302 Right Front Seat
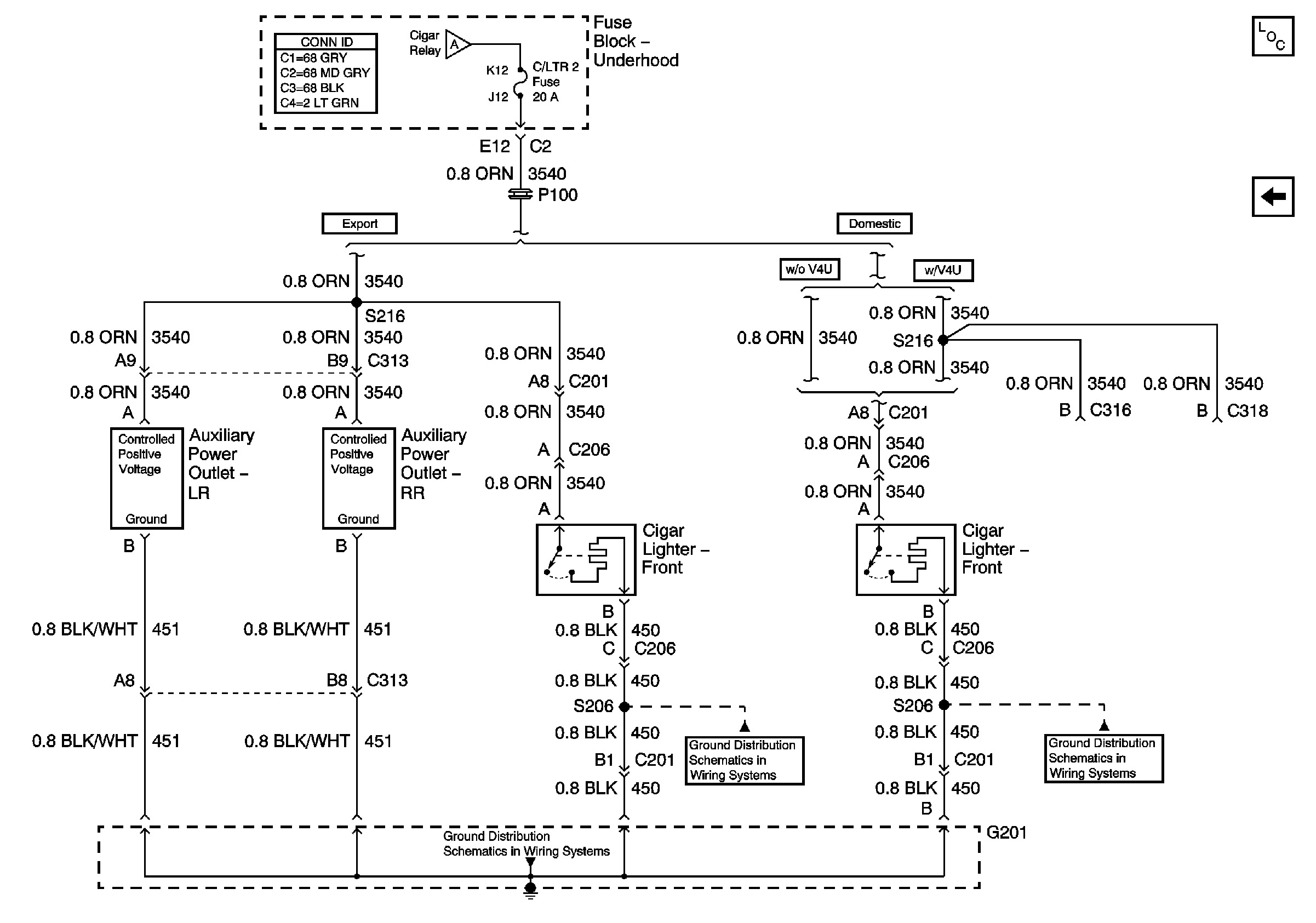
Figure
2:
Cigar and Auxiliary Power Outlets
Master Electrical Component List
Rear Cigar Lighters
G302 Right Front Seat
G302 Right Front Seat