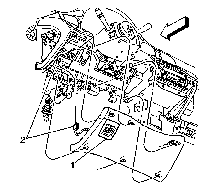
Important: The knee bolster trim panel (1) must be replaced, not repaired, if there is any visible damage.
Important: The knee bolster trim panel must be replaced, not repaired, if there is any visible damage.