GM Service Manual Online
For 1990-2009 cars only
Makes
🢒
Cadillac
🢒
2001
🢒
DeVille
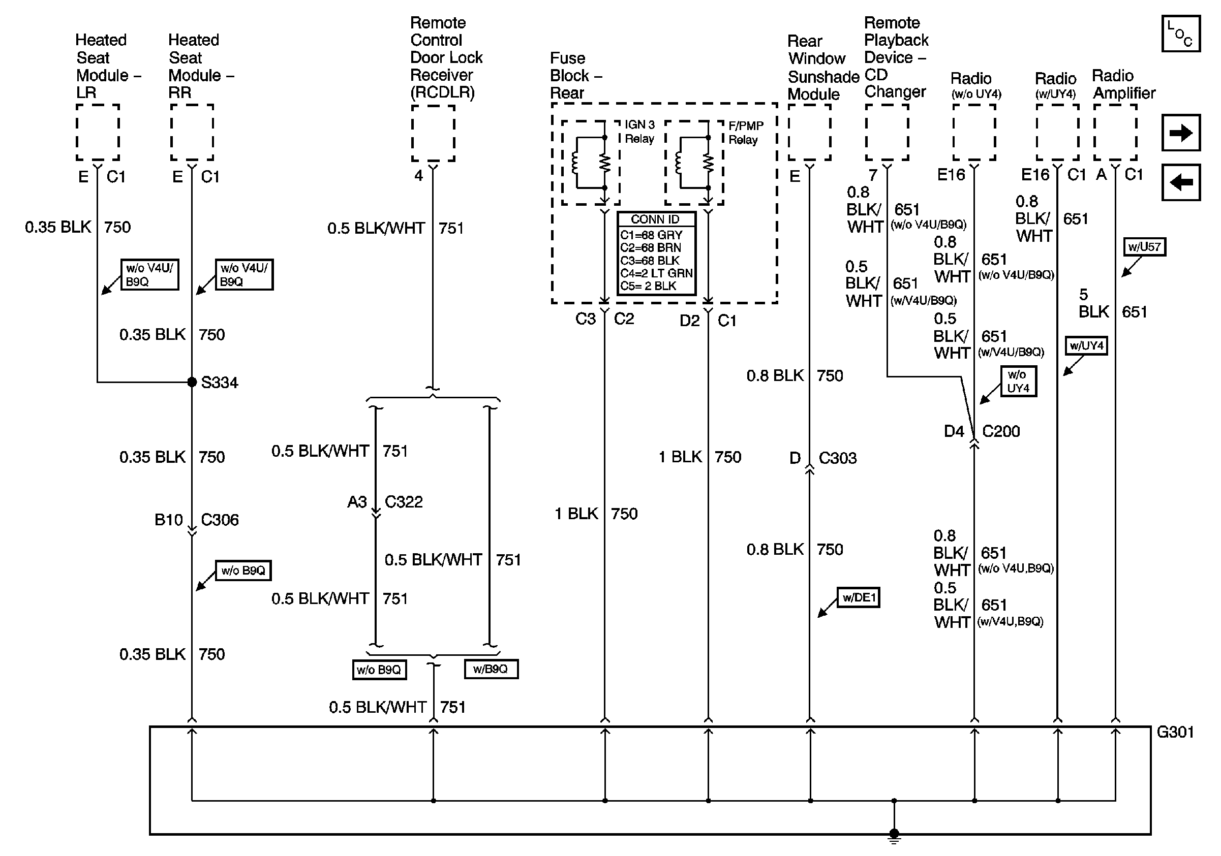
🢒 G301
G301
G301
Master Electrical Component List
G302 Right Front Seat
G300,G303,G304,G306