GM Service Manual Online
For 1990-2009 cars only
Makes
🢒
Cadillac
🢒
2001
🢒
DeVille
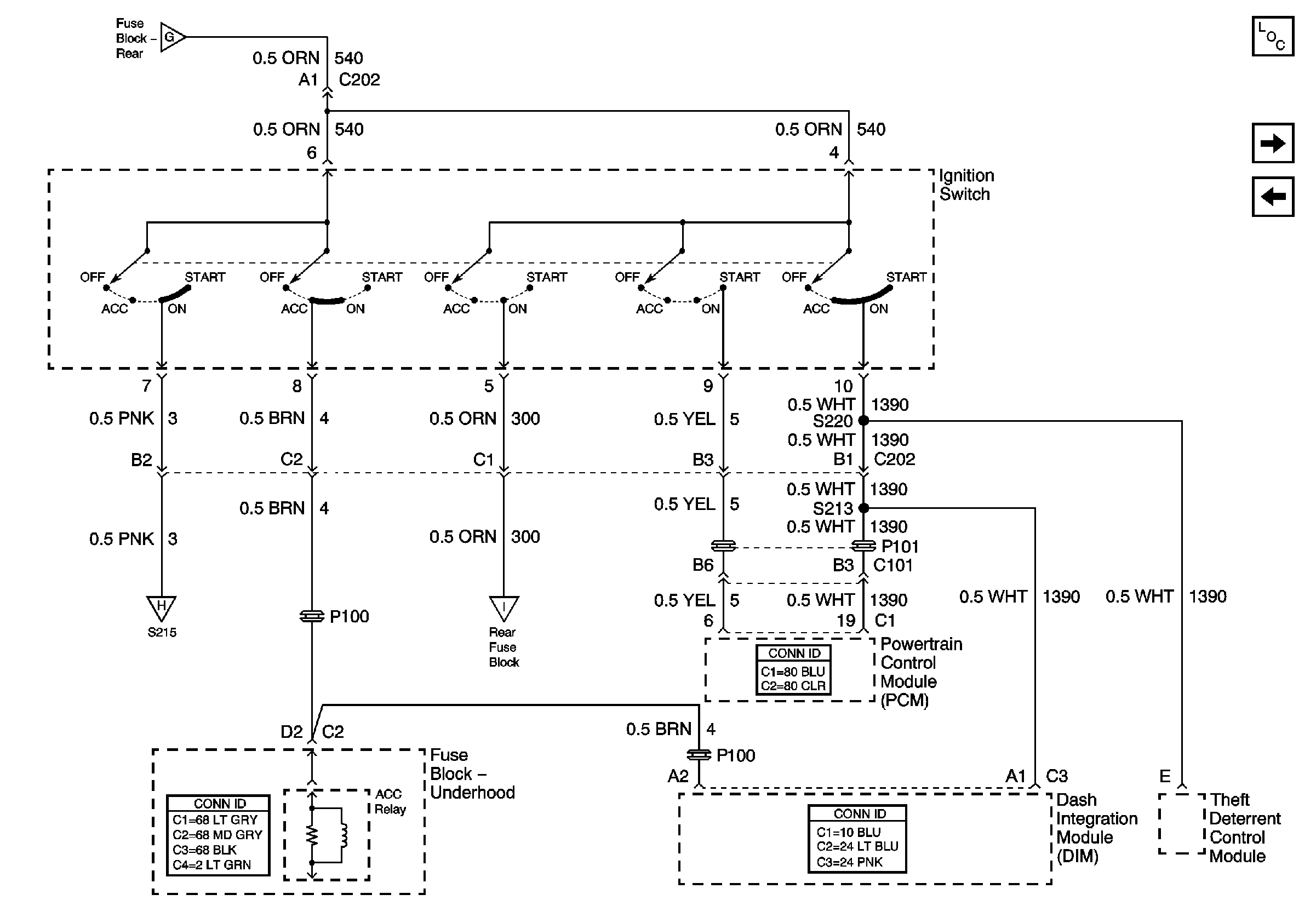
🢒 Ignition Switch
Ignition Switch
Ignition Switch
Master Electrical Component List
Ignition Feeds to Underhood and Rear Fuse Blocks
RR BLO, RR DR MDL, HVAC, Stop LP, IGN SW, and TSIG/HAZ Fuses