GM Service Manual Online
For 1990-2009 cars only
Makes
🢒
Cadillac
🢒
2001
🢒
DeVille
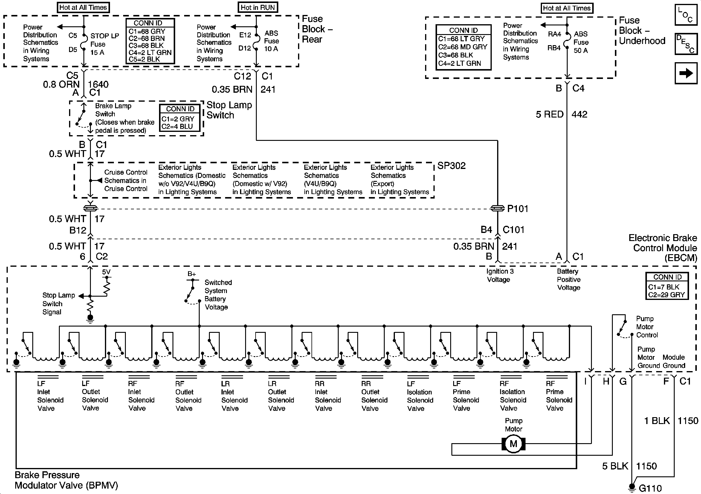
🢒 Power, Ground, Stoplamp Switch, Solenoid Valves and Pump Motor
Power, Ground, Stoplamp Switch, Solenoid Valves and Pump Motor
Power, Ground, Stoplamp Switch, Solenoid Valves and Pump Motor
Master Electrical Component List
ABS Description and Operation
RR BLO, RR DR MDL, HVAC, Stop LP, IGN SW, and TSIG/HAZ Fuses
ELC, Night Vision, HVAC, ABS Fuses
ABS Sol, Air Pump B, C/LTR 1, C/LTR 2, Fuses