GM Service Manual Online
For 1990-2009 cars only
Makes
🢒
Cadillac
🢒
2001
🢒
DeVille
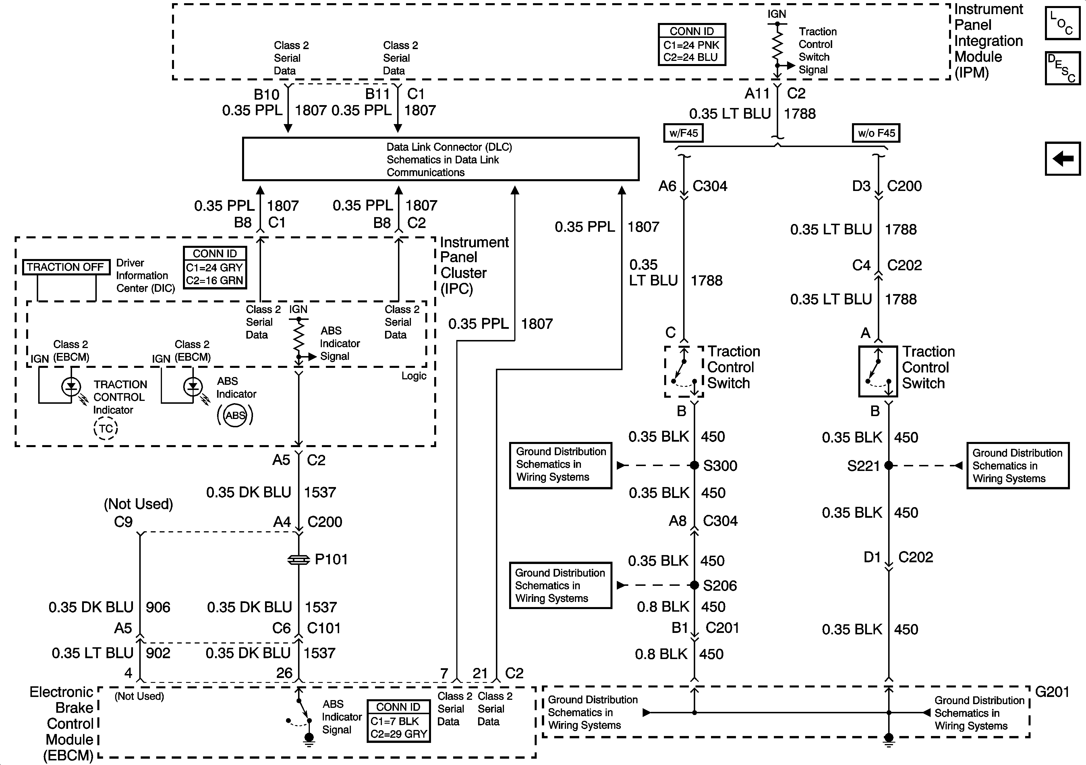
🢒 Indicators and Traction Control Switch
Indicators and Traction Control Switch
Indicators and Traction Contorl Switch
Master Electrical Component List
ABS Description and Operation
G201 IP Harness and Console Harness
G201 IP Harness and Console Harness
G201
G201 IP Harness and Console Harness