GM Service Manual Online
For 1990-2009 cars only
Makes
🢒
Cadillac
🢒
2001
🢒
DeVille
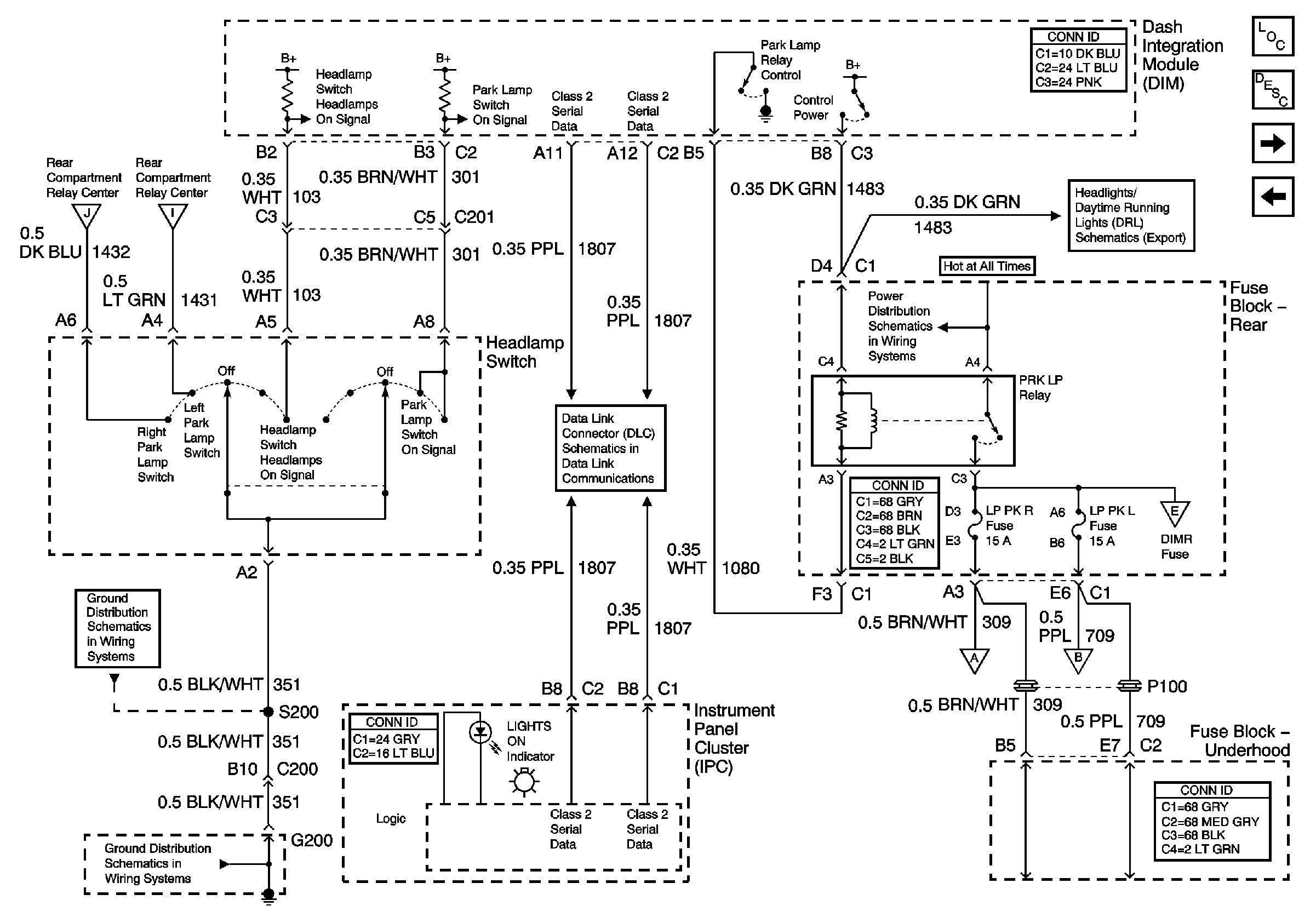
🢒 Headlamp Switch, Park Lamp Relay
Headlamp Switch, Park Lamp Relay
Headlamp Switch, Park Lamp Relay
Master Electrical Component List
Exterior Lighting Systems Description and Operation
Turn/Hazard Flasher Module, Hazard Switch
Right PRK LP and Left PRK LP Fuses
Class 2 Serial Data (1 of 3)
G201,G202 CKT 451 Steering Column
G201,G202 CKT 451 Steering Column