GM Service Manual Online
For 1990-2009 cars only
Makes
🢒
Cadillac
🢒
2001
🢒
DeVille
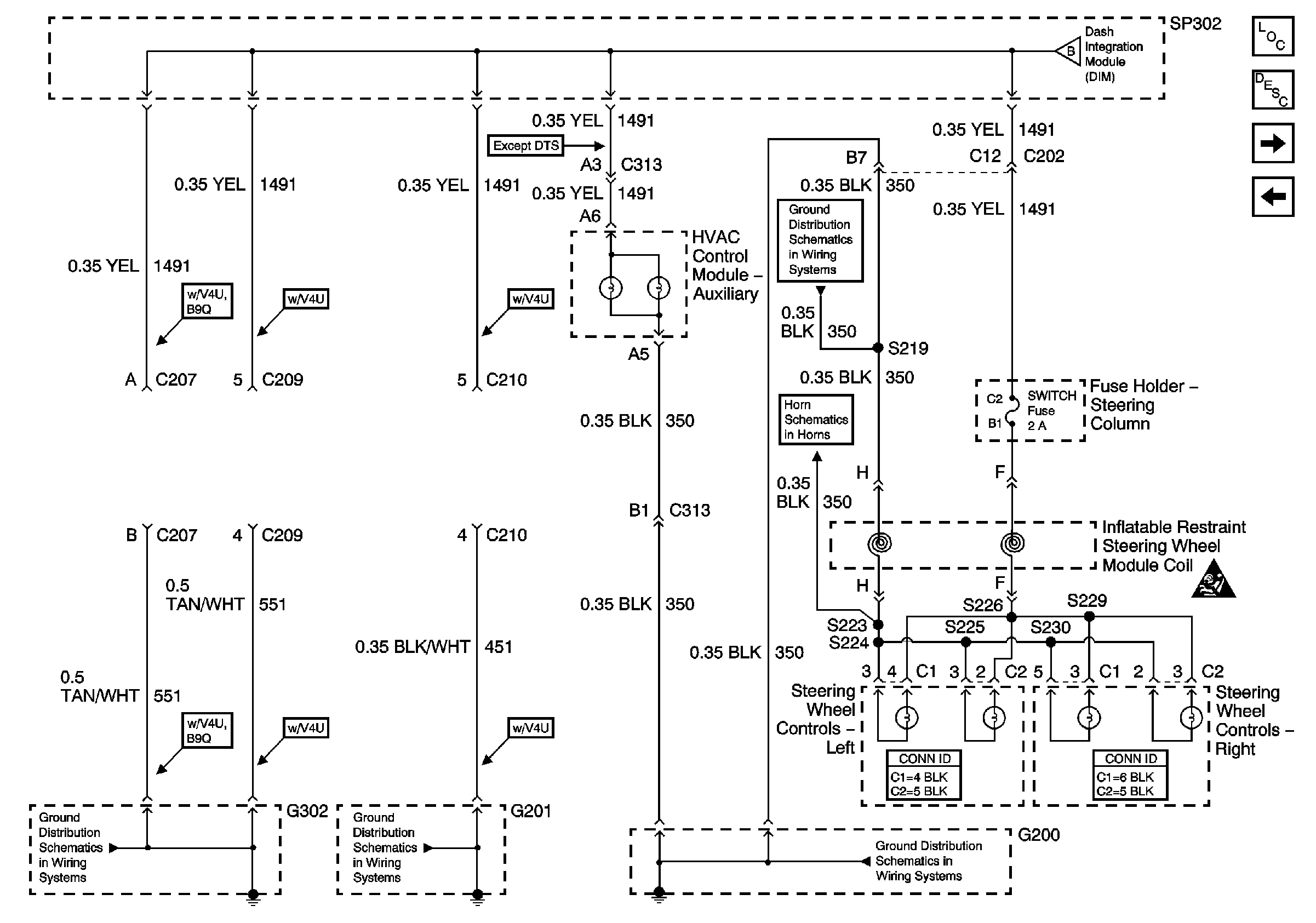
🢒 Steering Wheel Controls
Steering Wheel Controls
Steering Wheel Controls
Master Electrical Component List
Interior Lighting Systems Description and Operation
Console Dimming
Instrument Panel Dimming
SIR Caution
G200
G200
Horns
G201,G202 CKT 451 Steering Column
G302 Left Front Seat