GM Service Manual Online
For 1990-2009 cars only
Makes
🢒
Cadillac
🢒
2001
🢒
DeVille
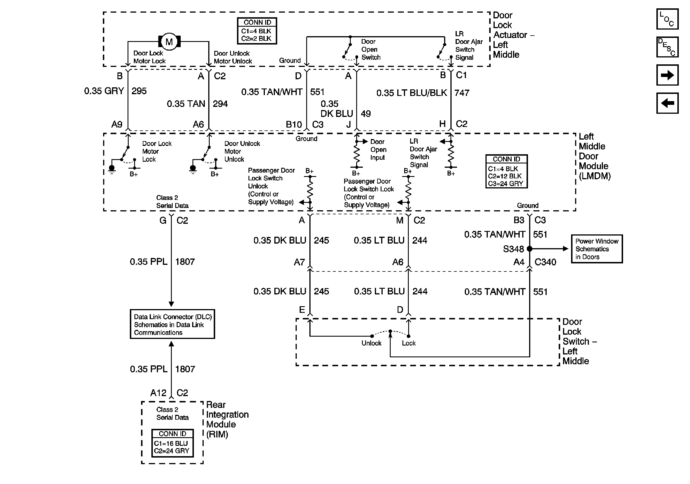
🢒 Left Middle Door Power Door Lock (w/V4U)
Left Middle Door Power Door Lock (w/V4U)
Left Middle Door Power Door Lock (w/V4U)
Master Electrical Component List
Power Door Locks Description and Operation
Left Rear Door Power Door Lock
Driver Door Power Door Lock
Left Middle Door Power Window
Class 2 Serial Data (1 of 3)