GM Service Manual Online
For 1990-2009 cars only
Makes
🢒
Cadillac
🢒
2001
🢒
DeVille
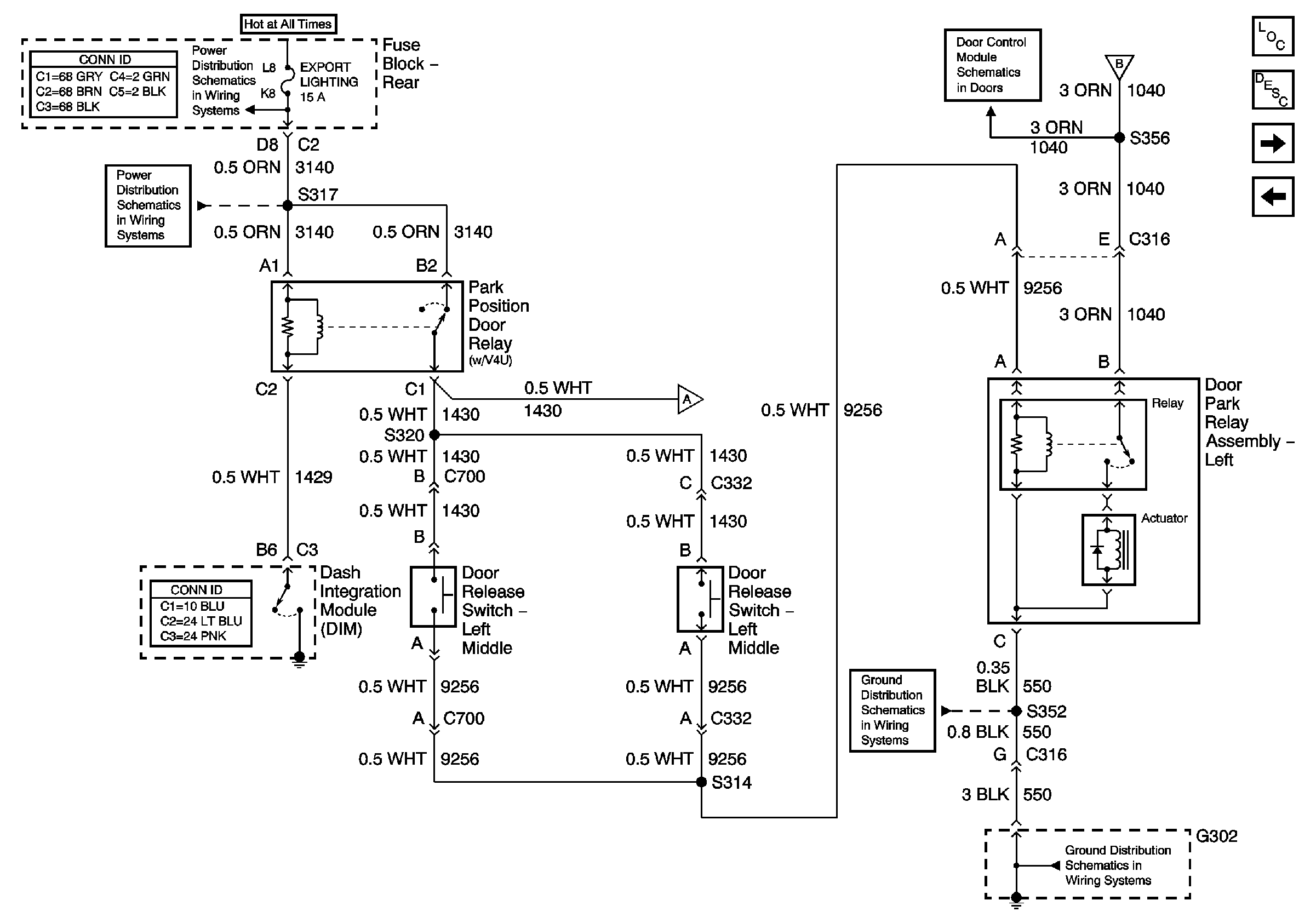
🢒 Power Door Locks Middle Door Release (w/V4U) 1 of 2
Power Door Locks Middle Door Release (w/V4U) 1 of 2
Power Door Locks Middle Door Release (w/V4U) 1 of 2
Master Electrical Component List
Power Door Locks Description and Operation
Power Door Locks Middle Door Release (w/V4U) 2 of 2
Right Rear Door Power Door Lock (w/o B9Q)
G302 V4U/B9Q
G302 V4U/B9Q
Audio Amp and Export LTG/LK Fuses
Audio Amp and Export LTG/LK Fuses
Left Middle Door Module (LMDM) Power and Ground Inputs and Outputs