GM Service Manual Online
For 1990-2009 cars only
Makes
🢒
Cadillac
🢒
2001
🢒
DeVille
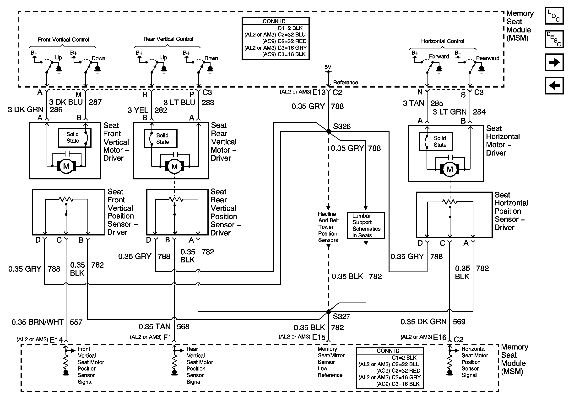
🢒 Front/Rear Vertical, Horizontal Motors, Position Sensors (w/A45/AL2)
Front/Rear Vertical, Horizontal Motors, Position Sensors (w/A45/AL2)
Front/Rear Position Sensors (w/A45/AL2)
Master Electrical Component List
Memory Seats Description and Operation
Recline, Belt Tower Motors and Position Sensors (Class2)
Left Seat Switch, MSM, Power Ground (w/A45/AL2)
Power, Ground, Motors Sensors, Switch and MSM (w/A45/AL2)