GM Service Manual Online
For 1990-2009 cars only
Makes
🢒
Cadillac
🢒
2001
🢒
DeVille
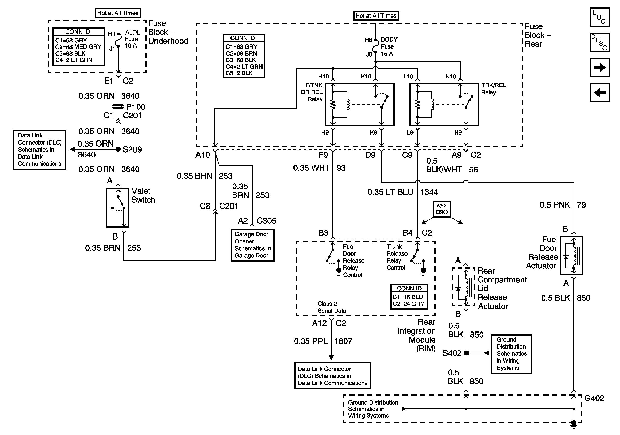
🢒 Fuse Blocks, Actuators, and Rear Integration Module (RIM)
Fuse Blocks, Actuators, and Rear Integration Module (RIM)
Fuse Blocks, Actuators, and Rear Integration Module (RIM)
Master Electrical Component List
SIR System Description and Operation
Release Systems - IPM Module and Release Switch
G402 Backup Lamps, Courtesy Lamps and License Lamp
G402 Backup Lamps, Courtesy Lamps and License Lamp
Power and Ground
ALDL, PCM BATT, IP Fuses
Rear Fuse Block Battery Voltage