GM Service Manual Online
For 1990-2009 cars only
Makes
🢒
Cadillac
🢒
2002
🢒
DeVille
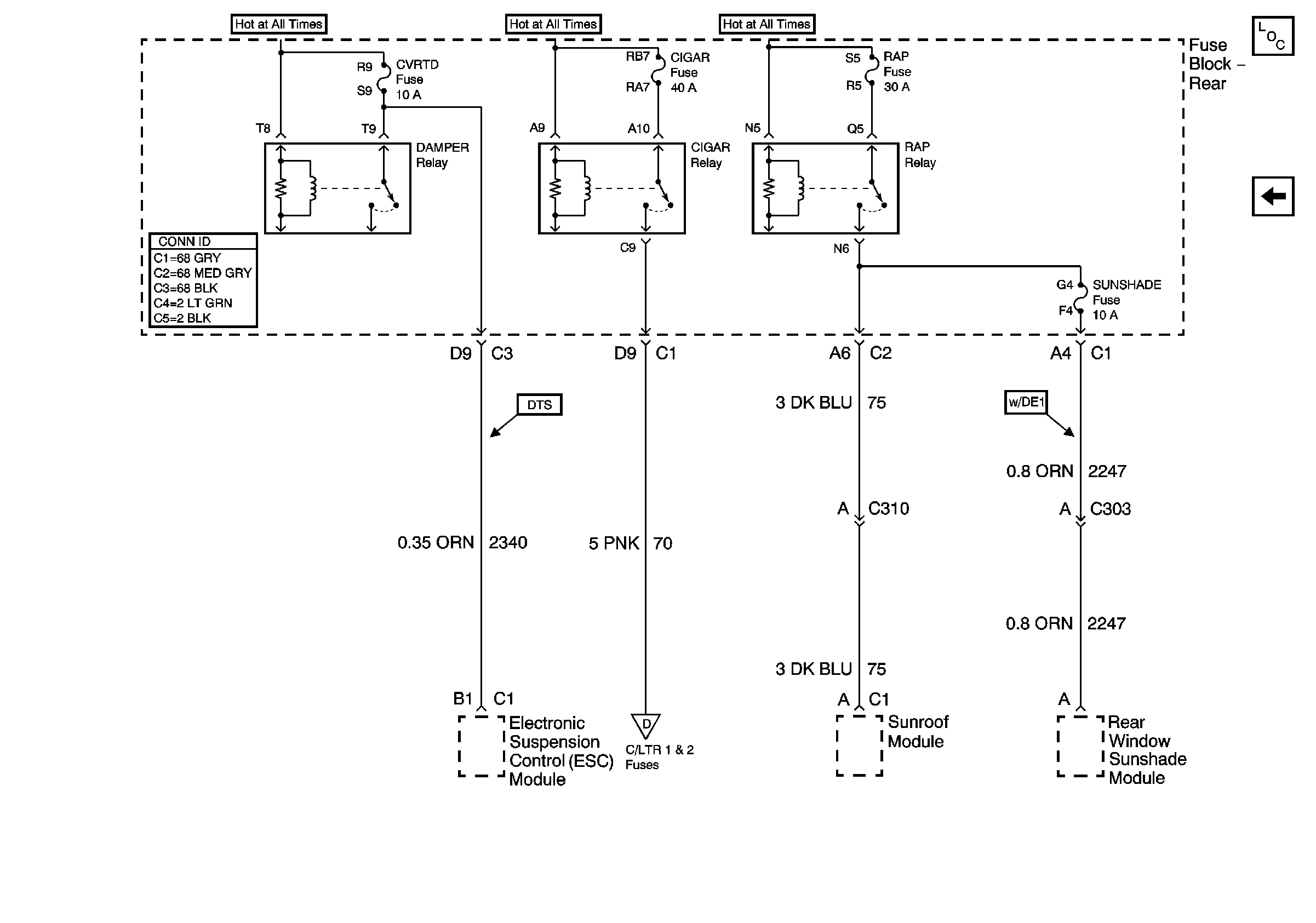
🢒 CVRTD, Cigar, RAP, Sunshade Fuses
CVRTD, Cigar, RAP, Sunshade Fuses
CVRTD, Cigar, RAP, Sunshade Fuses
Master Electrical Component List
ELC, Night Vision, HVAC, ABS Fuses
ABS Sol, Air Pump B, C/LTR 1, C/LTR 2, Fuses