GM Service Manual Online
For 1990-2009 cars only
Makes
🢒
Cadillac
🢒
2002
🢒
DeVille
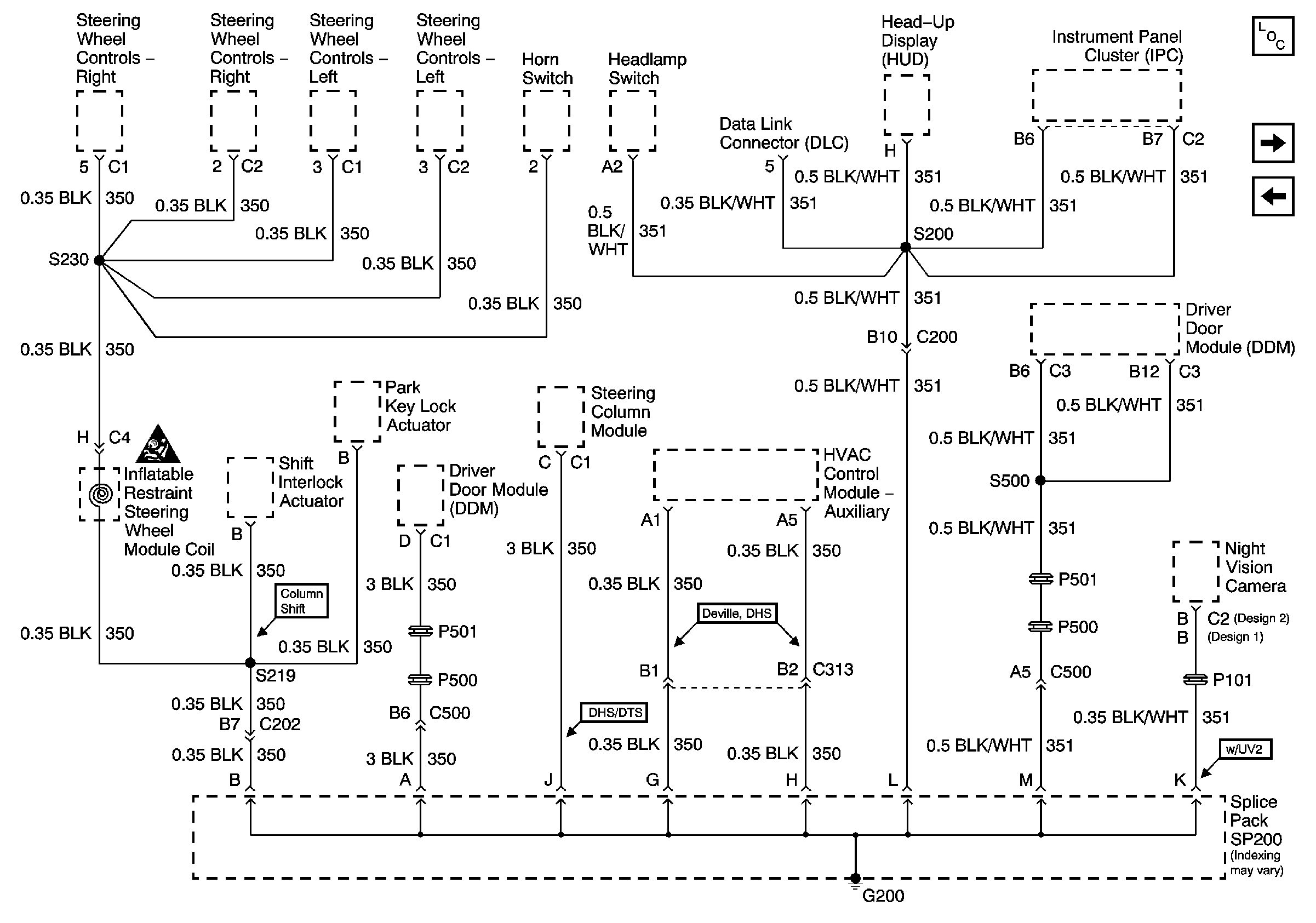
🢒 G200
G200
G200
Master Electrical Component List
G201 1 of 3
G104
Power and Grounding Schematic Icons