GM Service Manual Online
For 1990-2009 cars only
Makes
🢒
Cadillac
🢒
2002
🢒
DeVille
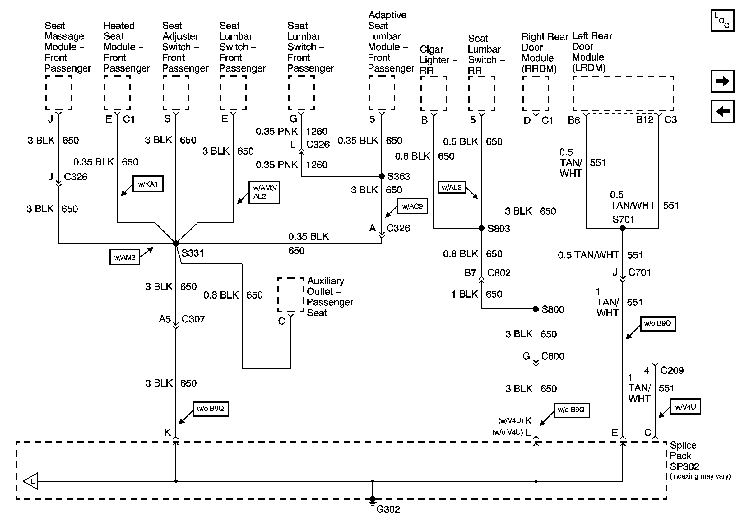
🢒 G302 1 of 3
G302 1 of 3
G302 1 of 3
Master Electrical Component List
G302 2 of 3
G301
G302 2 of 3