GM Service Manual Online
For 1990-2009 cars only
Makes
🢒
Cadillac
🢒
2002
🢒
DeVille
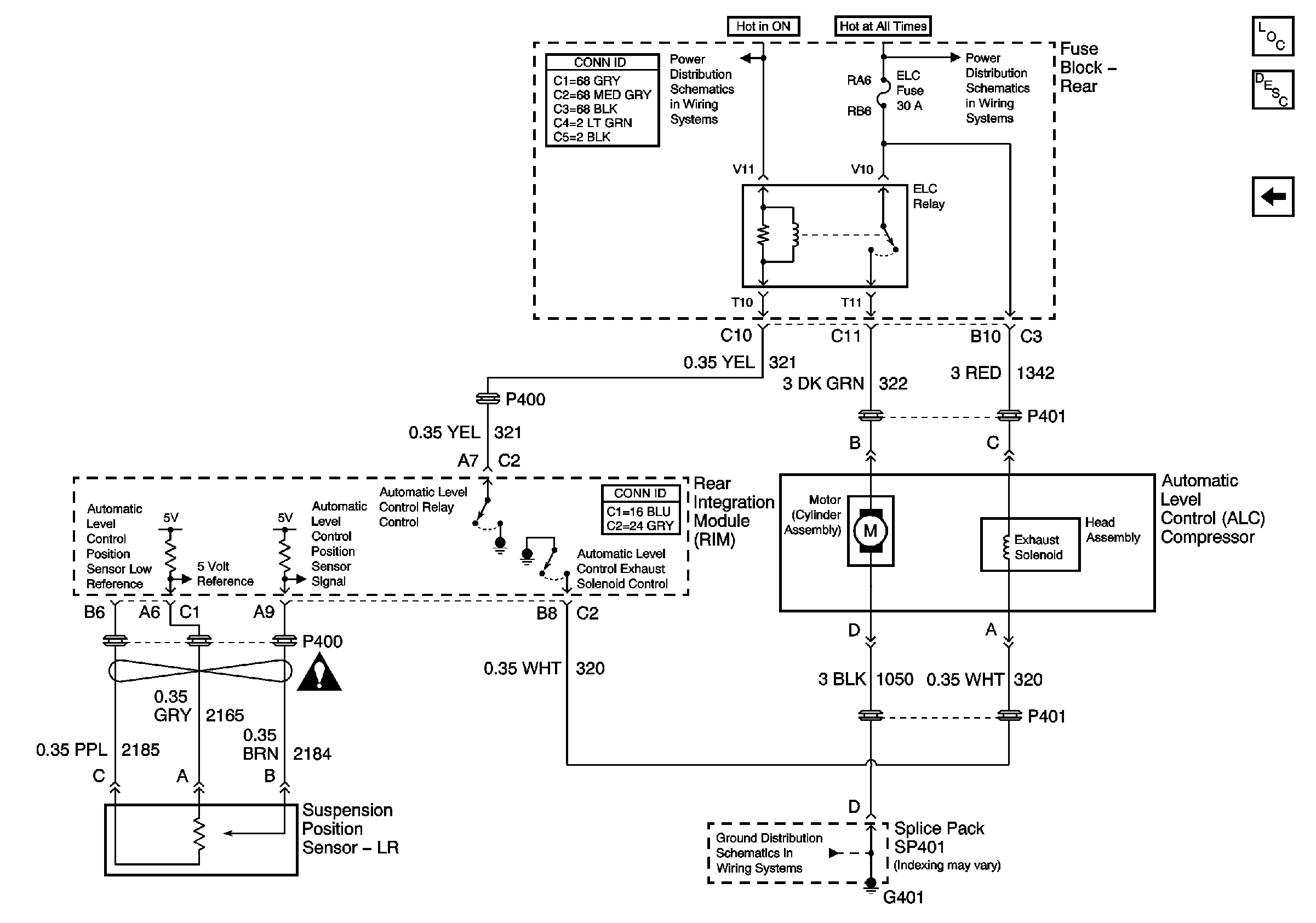
🢒 Automatic Level control (w/o F45)
Automatic Level control (w/o F45)
w/o F45
Master Electrical Component List
Automatic Level Control Description and Operation w/o F45
Automatic Level control (w/F45)
G401
Automatic Level Control Schematic Icons
Ignition Feeds to Underhood and Rear Fuse Blocks
ELC, Night Vision, HVAC, ABS Fuses