GM Service Manual Online
For 1990-2009 cars only
Makes
🢒
Cadillac
🢒
2002
🢒
DeVille
🢒 Park Brake System
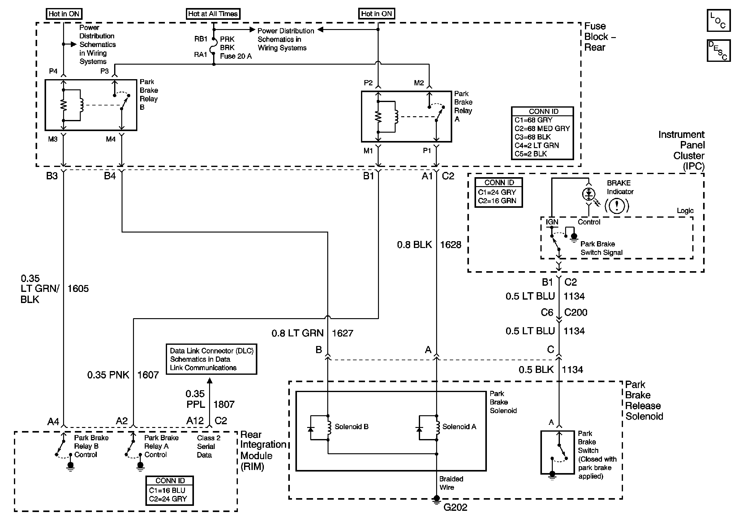
Park Brake System
Master Electrical Component List
Park Brake System Description and Operation
Class 2 Serial Data (2 of 3)
Ignition Feeds to Underhood and Rear Fuse Blocks
Ignition Feeds to Underhood and Rear Fuse Blocks