GM Service Manual Online
For 1990-2009 cars only
Makes
🢒
Cadillac
🢒
2002
🢒
DeVille
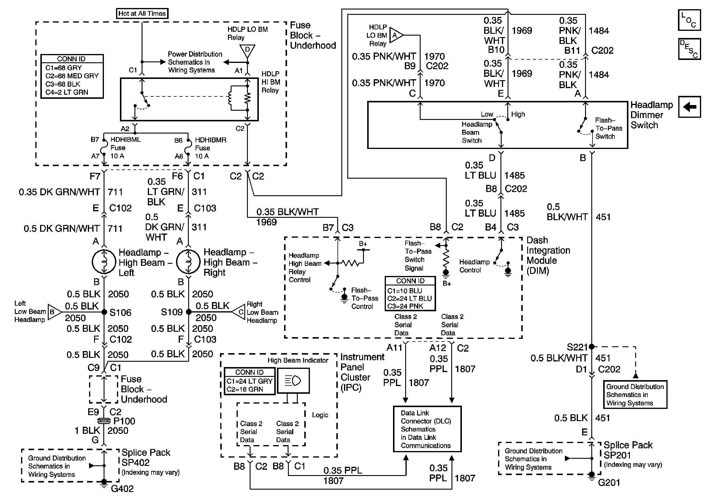
🢒 High Beam Headlamps (Export)
High Beam Headlamps (Export)
High Beam Headlamps (Export)
Master Electrical Component List
Exterior Lighting Systems Description and Operation
Fog Lights
Low Beam Headlamps (Export)
G201 1 of 3
G201 1 of 3
Class 2 Serial Data (1 of 3)
Low Beam Headlamps (Export)
G402 1 of 2
Low Beam Headlamps (Export)
Underhood Fuse Block Battery Voltage
Low Beam Headlamps (Export)