GM Service Manual Online
For 1990-2009 cars only
Makes
🢒
Cadillac
🢒
2002
🢒
DeVille
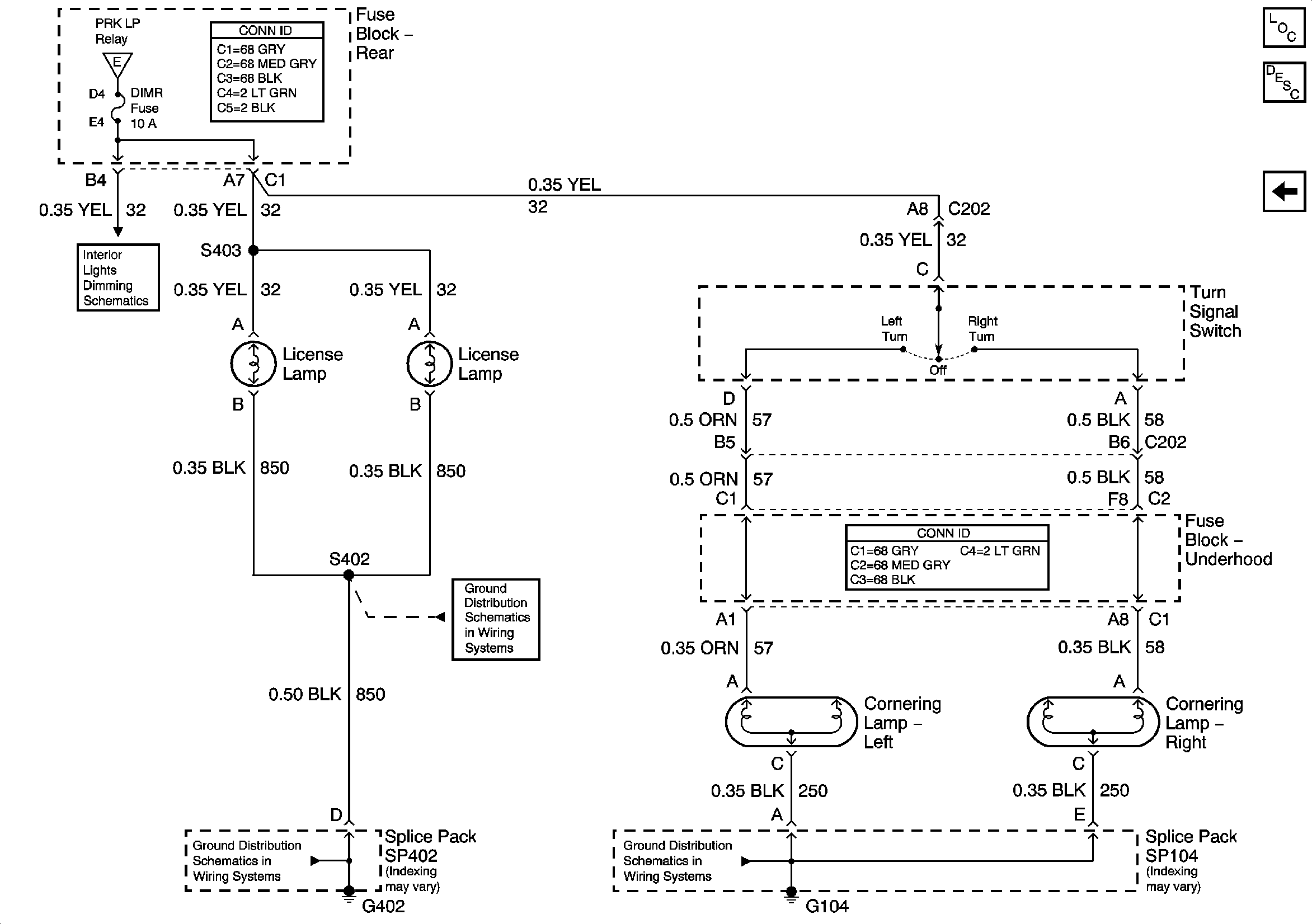
🢒 License and Cornering Lamps
License and Cornering Lamps
License and Cornering Lamps
Master Electrical Component List
Exterior Lighting Systems Description and Operation
Headlamp Switch, Park Lamp Relay
Front Park/Turn and Side Marker Lamps
G104
G402 2 of 2
G402 2 of 2
G402 1 of 2
Dimming Control
Headlamp Switch, Park Lamp Relay