GM Service Manual Online
For 1990-2009 cars only
Makes
🢒
Cadillac
🢒
2002
🢒
DeVille
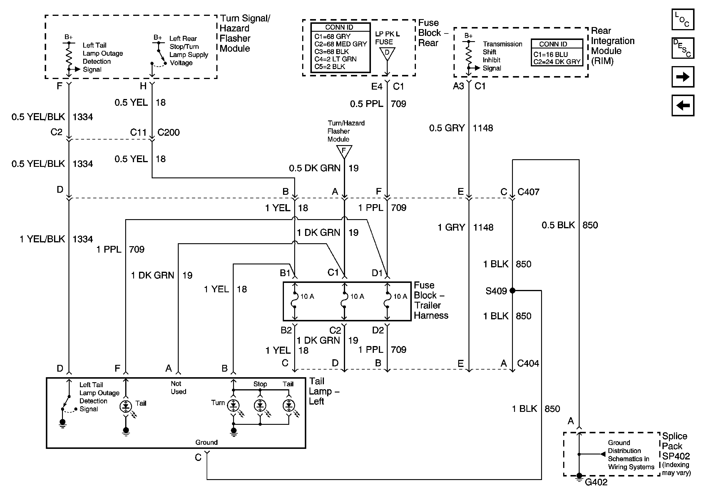
🢒 Left Tail Lamp
Left Tail Lamp
Left Tail Lamp