GM Service Manual Online
For 1990-2009 cars only
Makes
🢒
Cadillac
🢒
2002
🢒
DeVille
🢒 Class 2 Dimming Communication
Class 2 Dimming Communication
Class 2 Dimming Communication
Master Electrical Component List
Interior Lighting Systems Description and Operation
Dimming Control
Overhead Console, Vanity and Courtesy Lamps
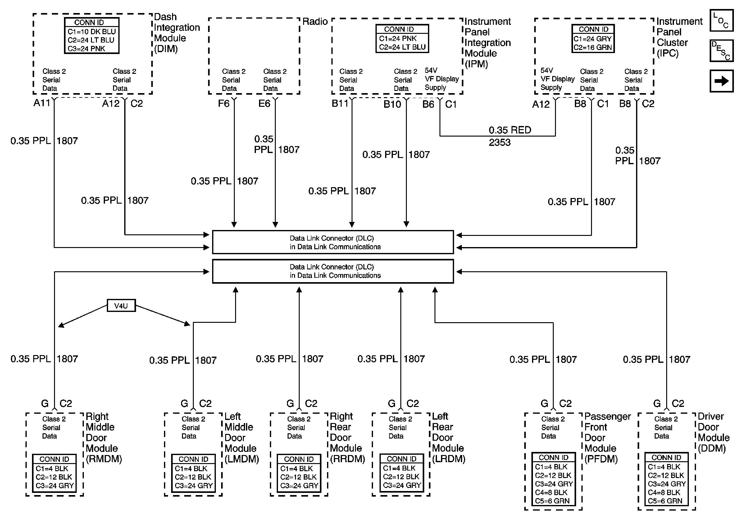
Class 2 Serial Data (3 of 3)
Class 2 Serial Data (1 of 3)