GM Service Manual Online
For 1990-2009 cars only
Makes
🢒
Cadillac
🢒
2002
🢒
DeVille
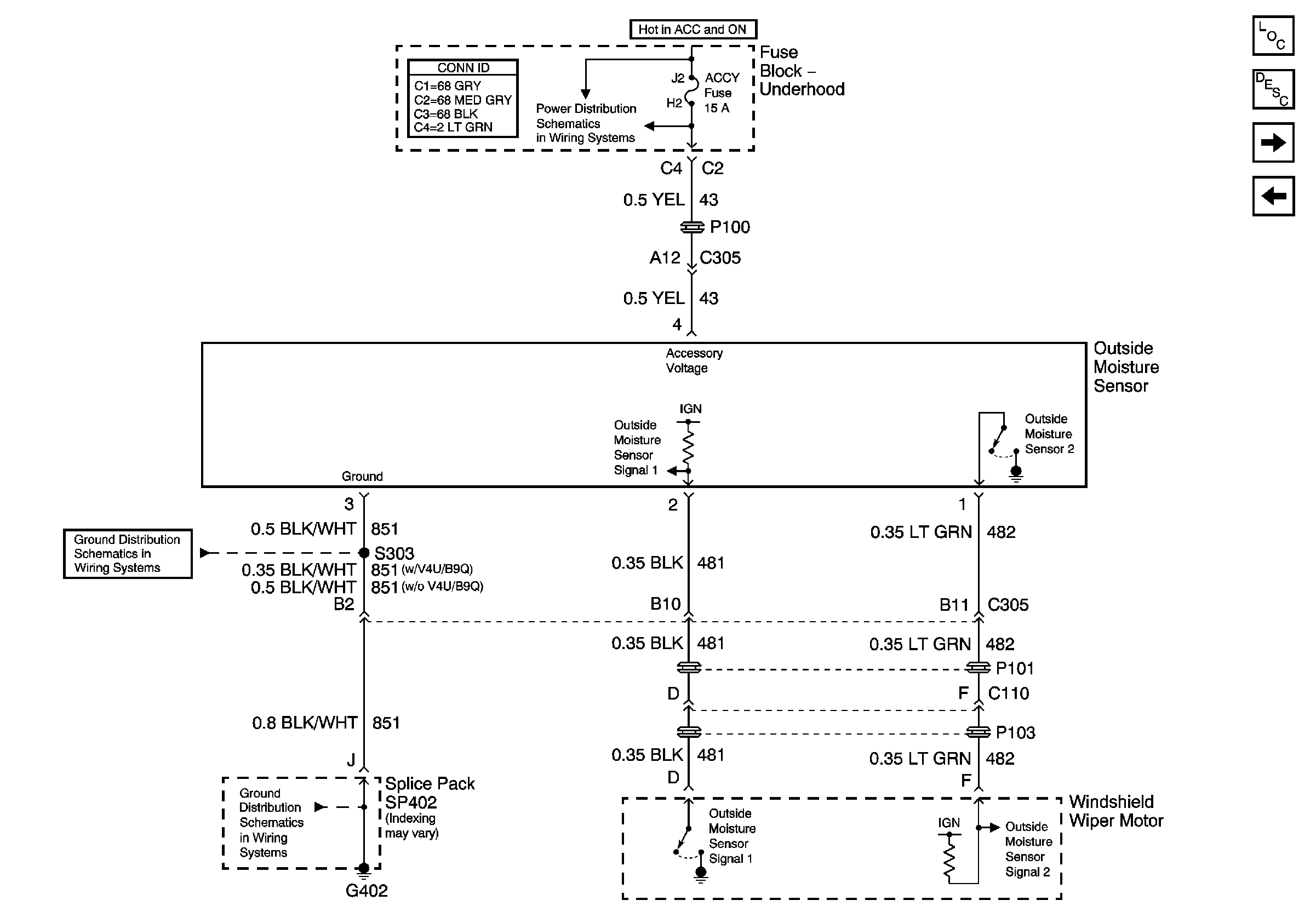
🢒 Outside Moisture Sensor
Outside Moisture Sensor
Outside Moisture Sensor
Master Electrical Component List
Wiper/Washer System Description and Operation
Washer Solvent Level Switch
Wiper/Washer Switch and Pump
G402 1 of 2
G402 1 of 2
DRL, FOG, AC CLU, ACCY, Wiper, Headlamps