GM Service Manual Online
For 1990-2009 cars only
Makes
🢒
Cadillac
🢒
2002
🢒
DeVille
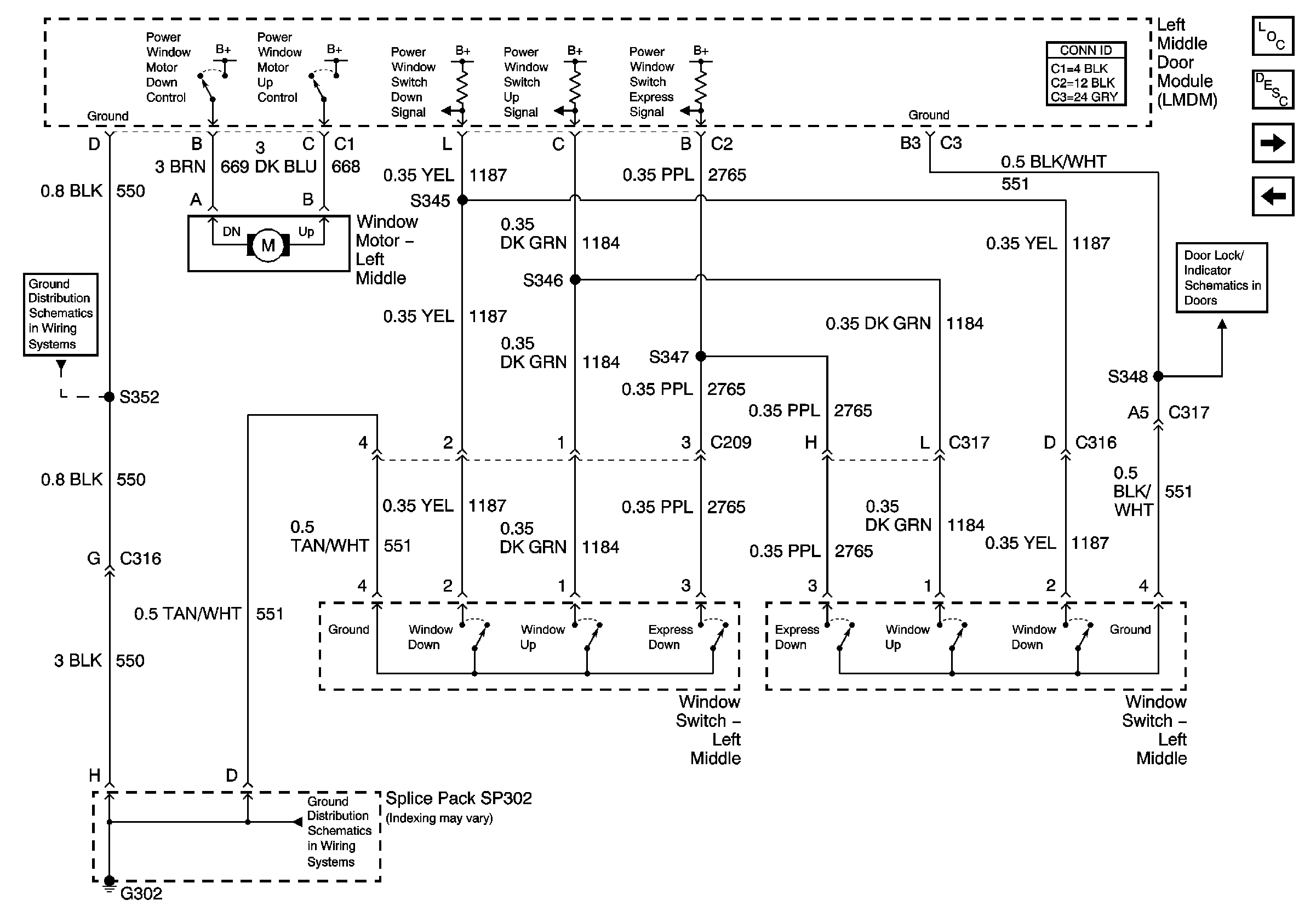
🢒 Left Middle Door Power Window
Left Middle Door Power Window
Left Middle Door Power Window (w/V4U)
Master Electrical Component List
Power Windows Description and Operation
Right Middle Door Power Window
Front Passenger Power Window w/Express
Left Middle Door Power Door Lock (w/V4U)
G302 3 of 3
G302 2 of 3