GM Service Manual Online
For 1990-2009 cars only
Makes
🢒
Cadillac
🢒
2002
🢒
DeVille
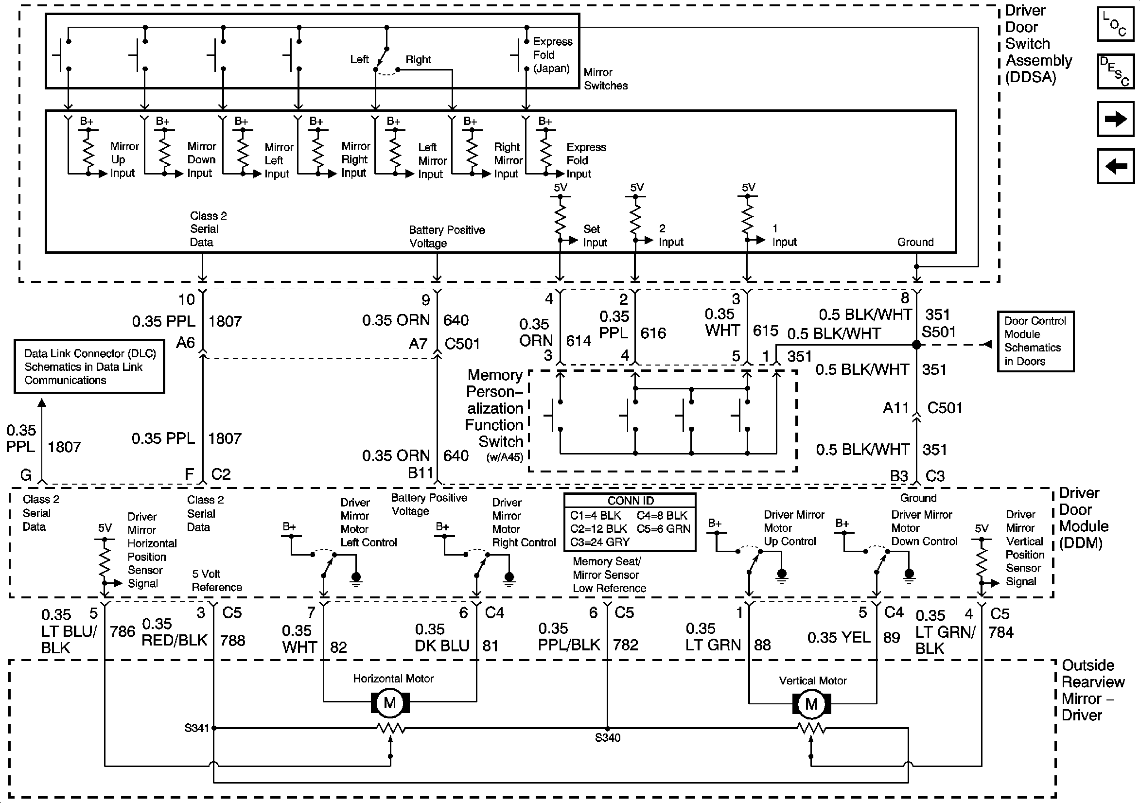
🢒 Left Power Mirror w/Memory (A45)
Left Power Mirror w/Memory (A45)
Left Power Mirror w/Memory (A45)
Master Electrical Component List
Outside Mirror Description and Operation
Right Power Mirror w/Memory (A45)
Outside Mirrors
Right Power Mirror w/Memory (A45)
Class 2 Serial Data (3 of 3)