GM Service Manual Online
For 1990-2009 cars only
Makes
🢒
Cadillac
🢒
2002
🢒
DeVille
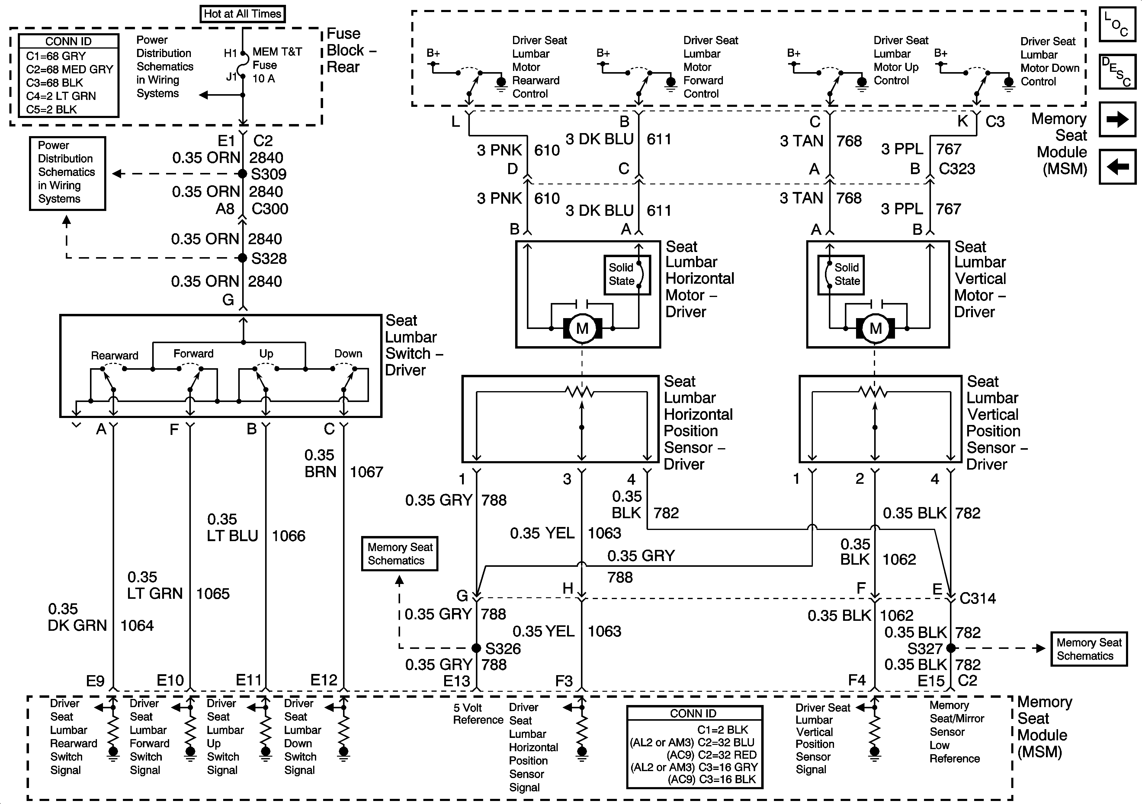
🢒 Power, Ground, Motors Sensors, Switch and MSM (w/A45/AL2)
Power, Ground, Motors Sensors, Switch and MSM (w/A45/AL2)
Driver Seat (w/A45/AL2)
Master Electrical Component List
Lumbar Support Description and Operation with A45
Power, Ground, Massage Module, MSM Switch (w/A45/AM3)
Right Seat Lumbar Massage (AM3)
Front/Rear Vertical, Horizontal Motors, Position Sensors (w/A45/AL2)
Front/Rear Vertical, Horizontal Motors, Position Sensors (w/A45/AL2)
MEM TT, RRLUM/ANT, and HTDST LF Fuses
MEM TT, RRLUM/ANT, and HTDST LF Fuses