GM Service Manual Online
For 1990-2009 cars only
Figure 1:

G102, G103, G105, G106, G110


Object Number: 792240  Size: FS
Master Electrical Component List
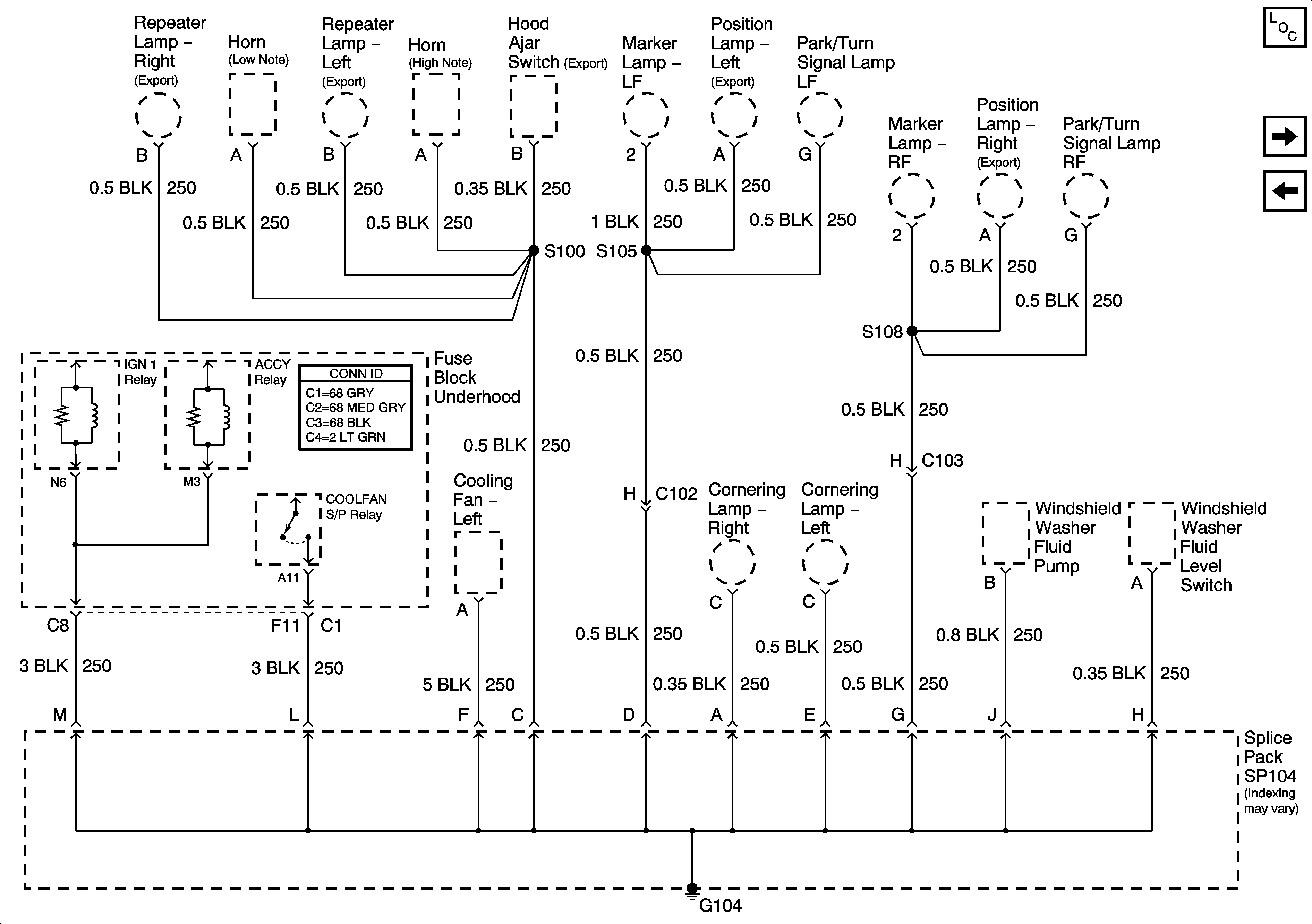
G100
Figure 2:

G100


Object Number: 792241  Size: FS
Master Electrical Component List
G101
G102, G103, G105, G106, and G110
Figure 3:

G101


Object Number: 880429  Size: FS
Master Electrical Component List
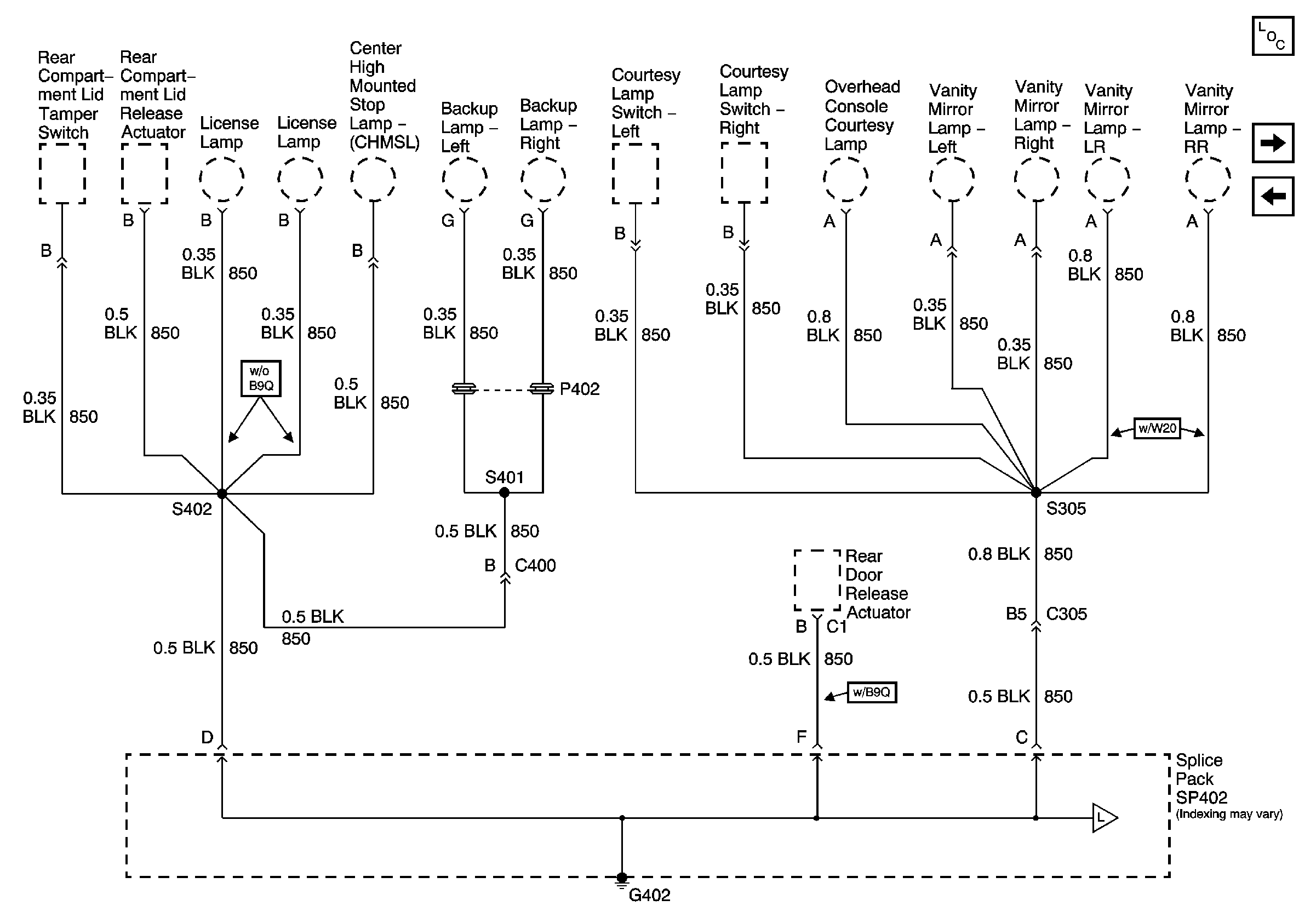
G104
G100
Figure 4:

G104


Object Number: 792245  Size: FS
Master Electrical Component List
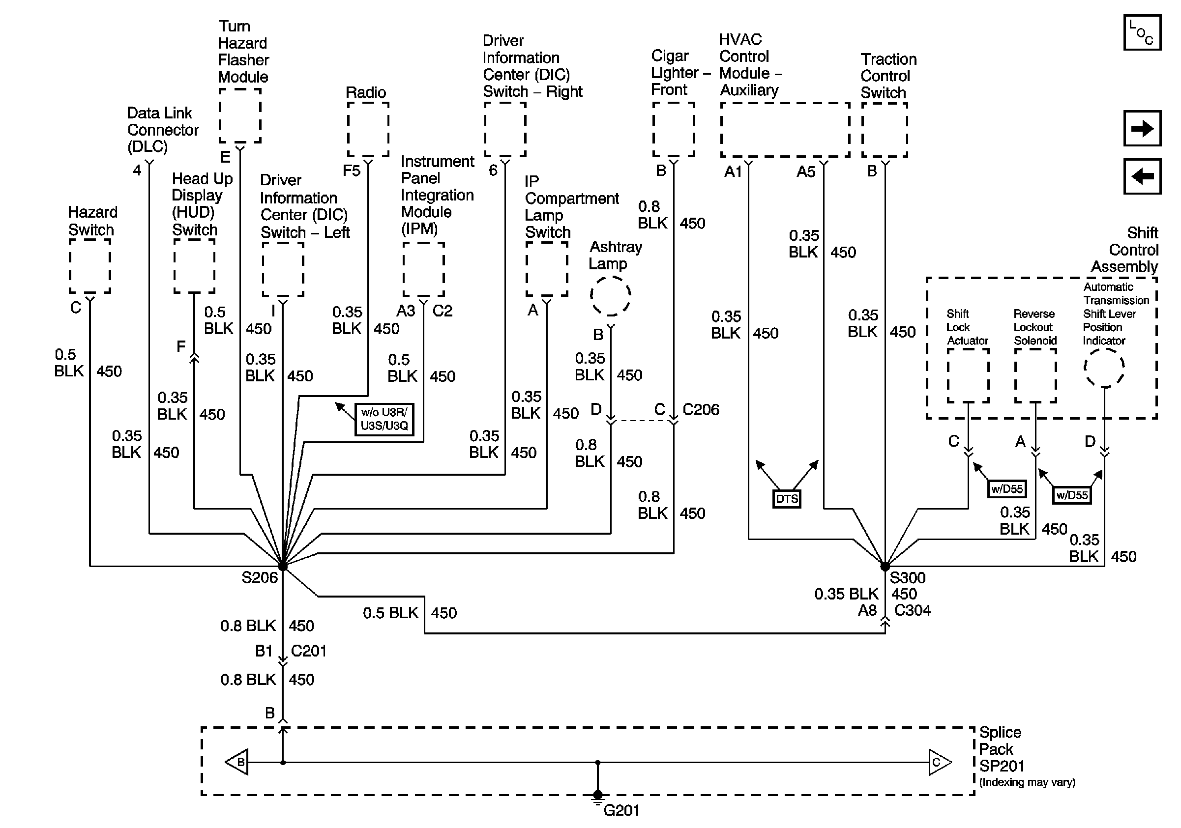
G200
G101
Figure 5:

G200


Object Number: 888609  Size: FS
Master Electrical Component List
G201 (1 of 3)
G104
Power and Grounding Schematic Icons
Figure 6:

G201 1 of 3


Object Number: 792248  Size: FS
Master Electrical Component List
G201 (2 of 3)
G200
G201 (2 of 3)
Figure 7:

G201 2 of 3


Object Number: 792249  Size: FS
Master Electrical Component List
G201 (3 of 3) and G202
G201 (1 of 3)
G201 (3 of 3) and G202
G201 (1 of 3)
Figure 8:

G201 3 of 3 and G202


Object Number: 888611  Size: FS
Master Electrical Component List
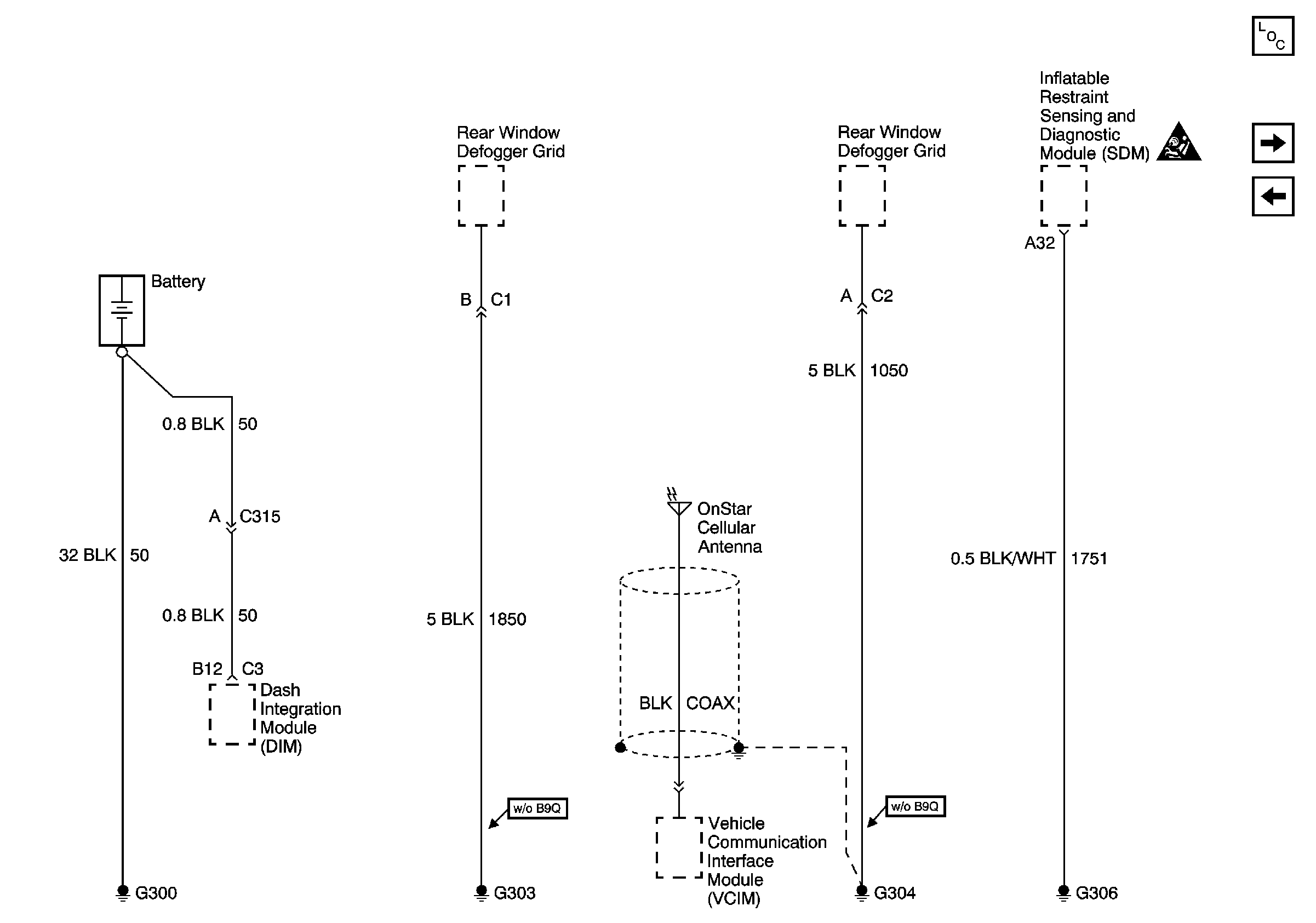
G300, G303, G304, G306
G201 (2 of 3)
G201 (2 of 3)
Figure 9:

G300, G303, G304, G306


Object Number: 792251  Size: FS
Master Electrical Component List
G301
G201 (3 of 3) and G202
Power and Grounding Schematic Icons
Figure 10:

G301


Object Number: 792252  Size: FS
Master Electrical Component List
G302 (1 of 3)
G300, G303, G304, G306
Figure 11:

G302 1 of 3


Object Number: 792253  Size: FS
Master Electrical Component List
G302 (2 of 3)
G301
G302 (2 of 3)
Figure 12:

G302 2 of 3


Object Number: 792254  Size: FS
Master Electrical Component List
G302 (3 of 3)
G302 (1 of 3)
G302 (3 of 3)
G302 (1 of 3)
Figure 13:

G302 3 of 3


Object Number: 792255  Size: FS
Master Electrical Component List
G401
G302 (2 of 3)
G302 (2 of 3)
Figure 14:

G401


Object Number: 792256  Size: FS
Master Electrical Component List
G402 (2 of 2)
G302 (3 of 3)
Figure 15:

G402 1 of 2


Object Number: 792257  Size: FS
Master Electrical Component List
G402 (1 of 2)
G401
G402 (1 of 2)
Figure 16:

G402 2 of 2


Object Number: 792258  Size: FS
Master Electrical Component List
G402 (2 of 2)
G402 (2 of 2)