GM Service Manual Online
For 1990-2009 cars only

Removal Procedure


    Object Number: 602618  Size: SH
  1. Remove the underhood fuse block cover.
  2. Disconnect the negative battery cable from the battery. Refer to Battery Negative Cable Disconnection and Connection in Engine Electrical.
  3. Remove the positive battery cable fastener and cable from the rear fuse block.
  4. Remove the 3 fasteners that retain the fuse block to the fuse block harness.
  5. Release the 4 locking tabs that retain the fuse block to the base.
  6. Remove the fuse block from the base.

  7. Object Number: 602621  Size: SH
  8. Turn the fuse block (1) over in order to disconnect the remaining electrical connections
  9. Remove the underhood fuse block (1).
  10. Important:  If the fuse block base is not being serviced, stop here and start the installation procedure at step number four.

    If the underhood fuse block base is to be removed, the A/C accumulator will need to be removed, which will require evacuating and recharging the A/C system.

  11. Remove the accumulator. Refer to Air Conditioning Accumulator Replacement in Heating, Ventilation and Air Conditioning.

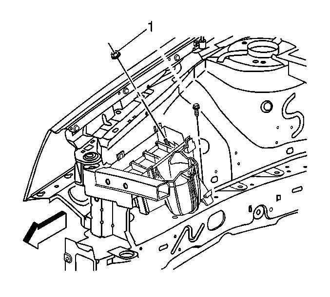
  12. Object Number: 602617  Size: SH
  13. Remove the electrical harnesses from the fuse block base.
  14. Remove the fasteners (1) that secure the fuse block base to the body.
  15. Remove the fuse block base from the vehicle.

Installation Procedure


    Object Number: 602617  Size: SH
  1. Install the underhood fuse block base to the body.
  2. Notice: Use the correct fastener in the correct location. Replacement fasteners must be the correct part number for that application. Fasteners requiring replacement or fasteners requiring the use of thread locking compound or sealant are identified in the service procedure. Do not use paints, lubricants, or corrosion inhibitors on fasteners or fastener joint surfaces unless specified. These coatings affect fastener torque and joint clamping force and may damage the fastener. Use the correct tightening sequence and specifications when installing fasteners in order to avoid damage to parts and systems.

  3. Install the fuse block base fasteners (1).
  4. Tighten
    Tighten the fasteners (1) to 9 N·m (80 lb in).

  5. Install the accumulator. Refer to Air Conditioning Accumulator Replacement in Heating, Ventilation and Air Conditioning.
  6. Install the wiring harnesses to the fuse block base.

  7. Object Number: 602621  Size: SH
  8. With the fuse block (1) turned over, plug the electrical connectors into the fuse block.

  9. Object Number: 602618  Size: SH
  10. Install the underhood fuse block to the base assembly.
  11. Ensure all four of the fuse block hold down clips are engaged.

    Tighten
    Tighten the 3 fasteners, which secure the fuse block to the harnesses, to 6.5 N·m (58 lb in).

  12. Install the positive battery cable and fastener to the rear fuse block.
  13. Tighten
    Tighten the fastener to 15 N·m (11 lb ft).

  14. Install the underhood fuse block cover.
  15. Connect the negative battery cable from the battery. Refer to Battery Negative Cable Disconnection and Connection in Engine Electrical.