GM Service Manual Online
For 1990-2009 cars only
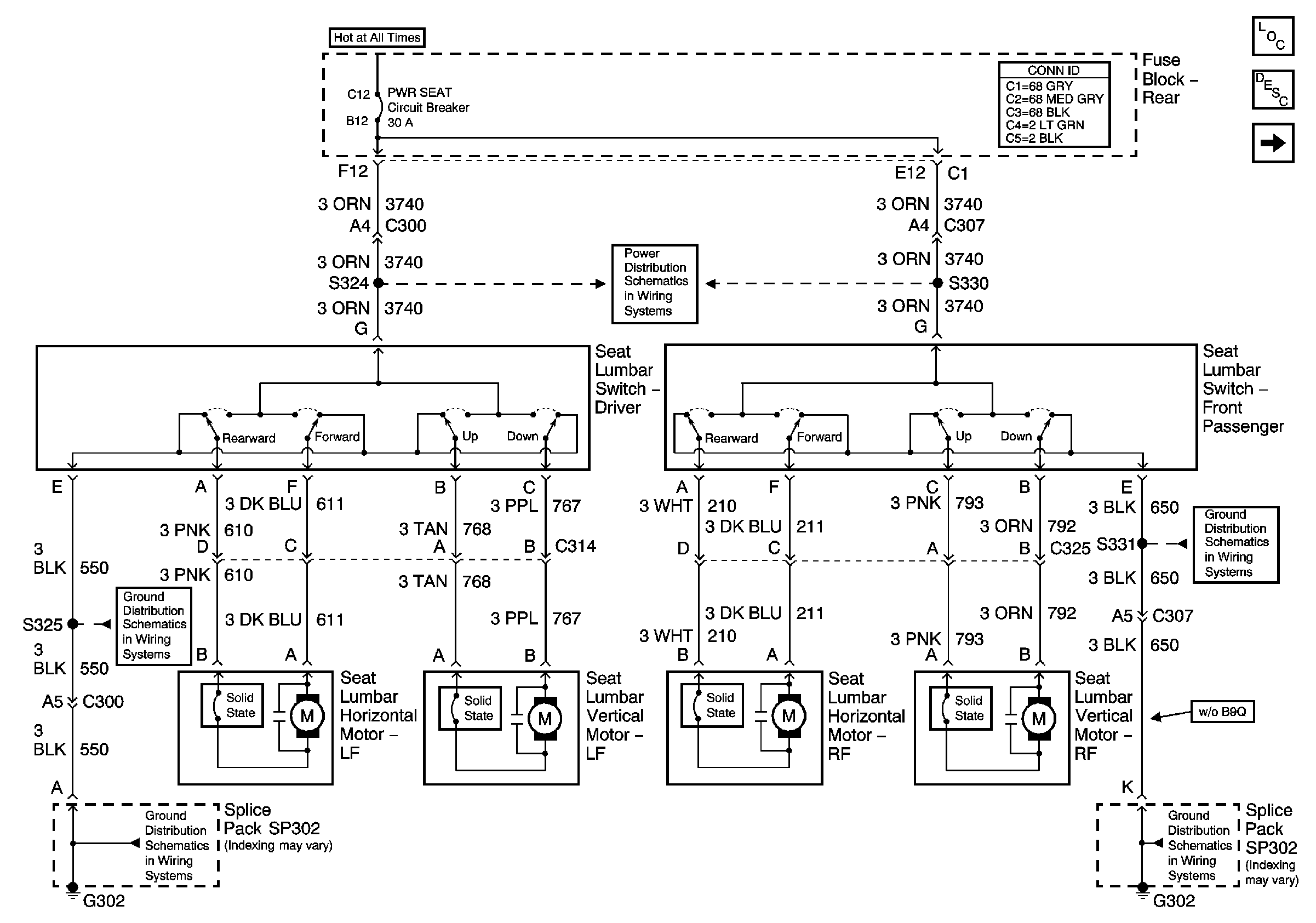
Figure 1:

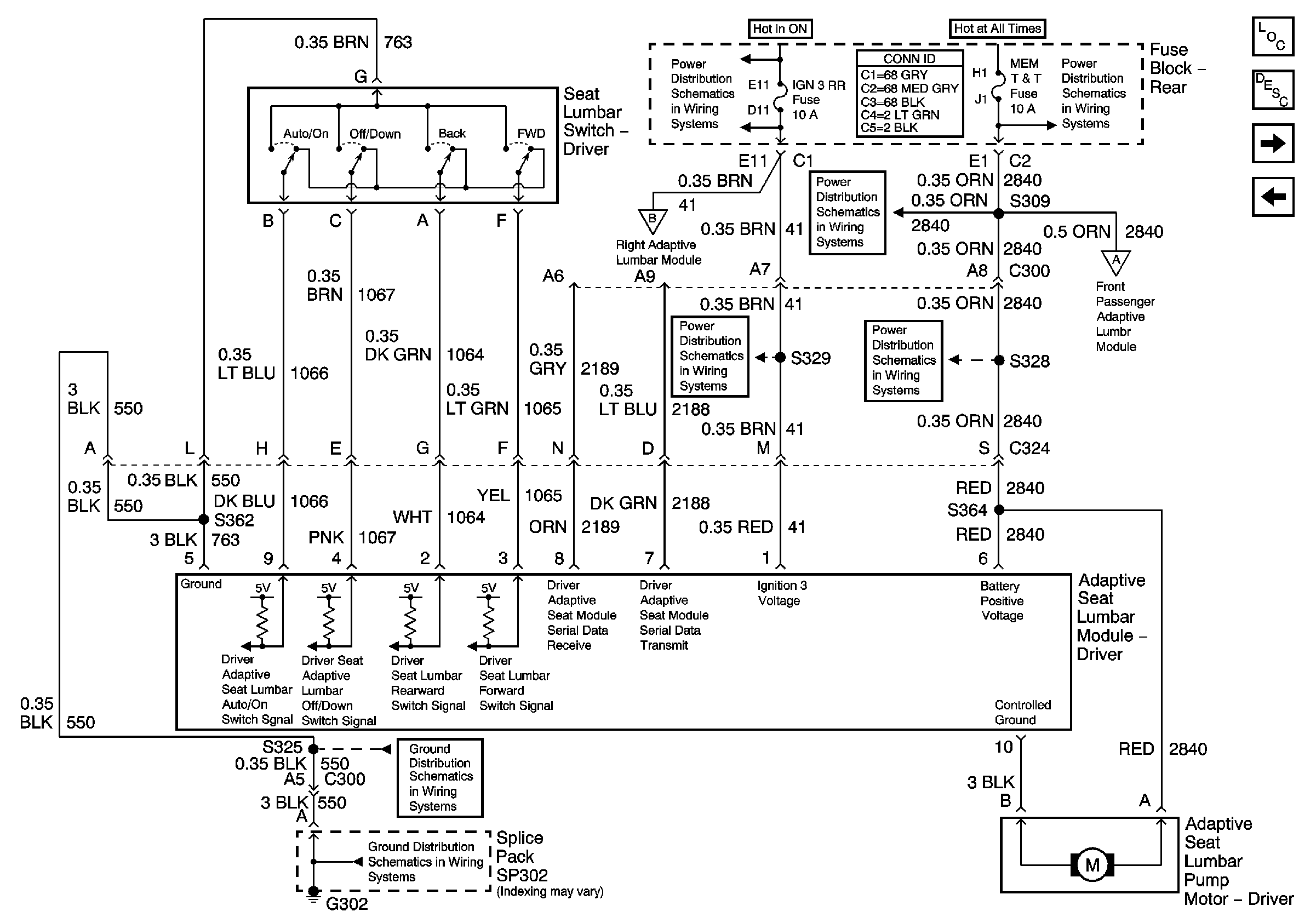
Lumbar Support Front Seats (AL2)


Object Number: 804179  Size: FS
Master Electrical Component List
Lumbar Support Description and Operation w/o Memory-A45
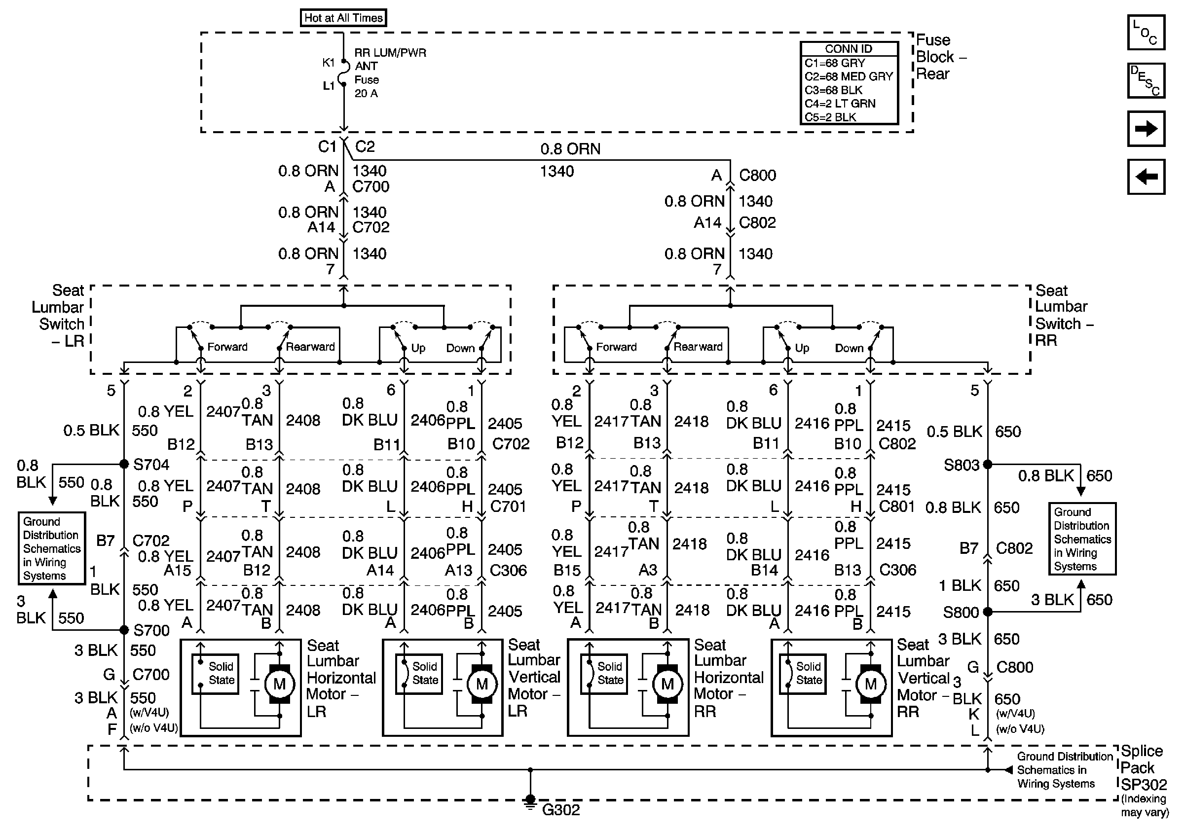
Rear Seats
G302 (1 of 3)
G302 (1 of 3)
Rear Fuse Block- NAV Fuse and PWR SEAT Circuit Breaker
G302 (2 of 3)
G302 (2 of 3)
Figure 2:

Rear Seats


Object Number: 804180  Size: FS
Master Electrical Component List
Lumbar Support Description and Operation w/o Memory-A45
Driver Adaptive Seat (w/ AC9)
Front Seats (w/AL2)
G302 (1 of 3)
G302 (1 of 3)
G302 (1 of 3)
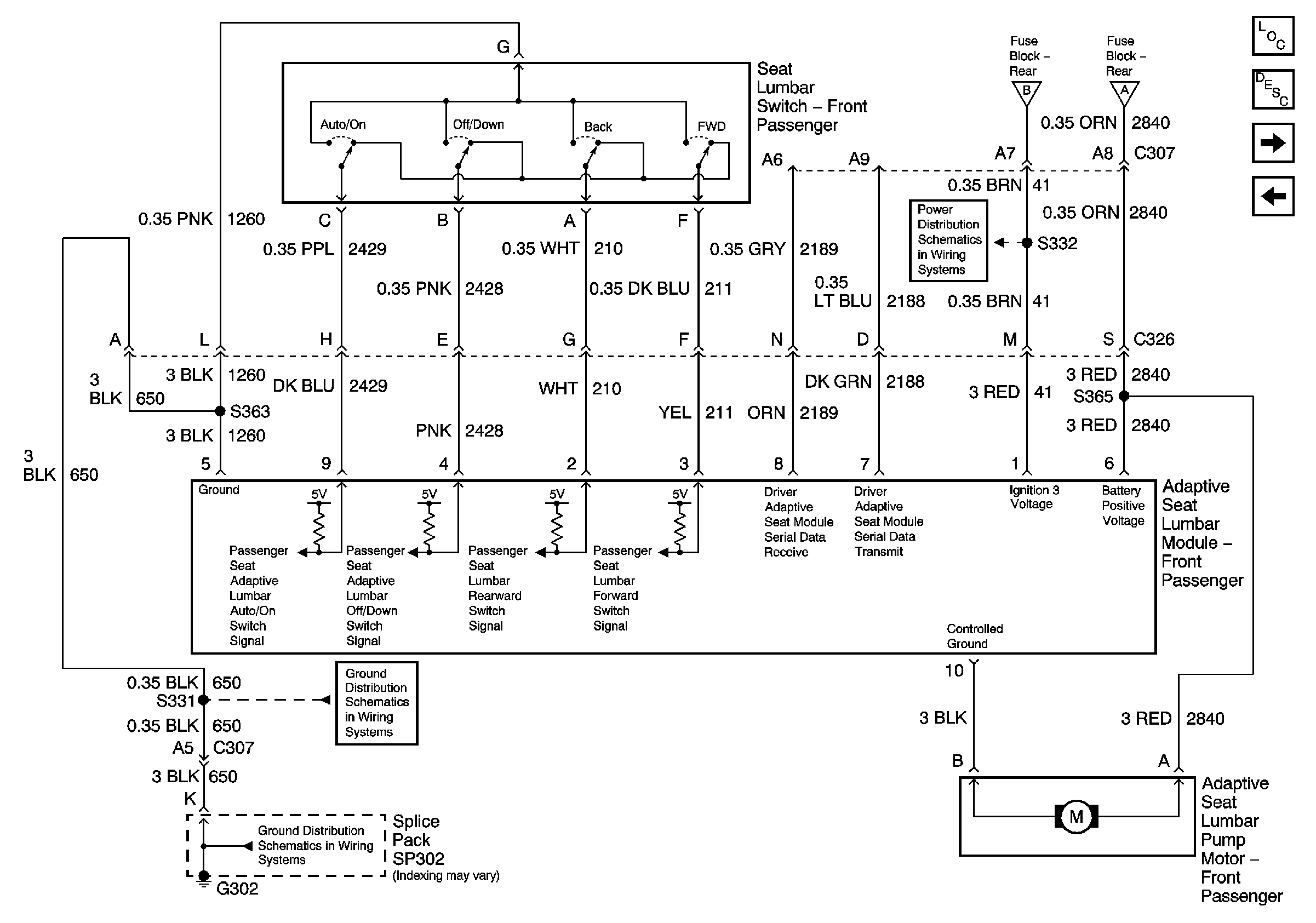
Figure 3:

Driver Adaptive Seat (AC9)


Object Number: 804181  Size: FS
Master Electrical Component List
Lumbar Support Description and Operation with AC9
Passenger Adaptive Seat (w/ AC9)
Rear Seats
G302 (2 of 3)
G302 (2 of 3)
Rear Fuse Block- MEM TT, RRLUM/PWR ANT, HTDST LF Fuses
Passenger Adaptive Seat (w/ AC9)
Rear Fuse Block- IGN 3 Relay, IGN 3 Fuse
Rear Fuse Block- MEM TT, RRLUM/PWR ANT, HTDST LF Fuses
Rear Fuse Block- MEM TT, RRLUM/PWR ANT, HTDST LF Fuses
Passenger Adaptive Seat (w/ AC9)
Rear Fuse Block- IGN 3 Relay, IGN 3 Fuse
Figure 4:

Passenger Adaptive Seat (AC9)


Object Number: 804182  Size: FS
Master Electrical Component List
Lumbar Support Description and Operation with AC9
Driver Seat (w/ AM3)
Driver Adaptive Seat (w/ AC9)
G302 (1 of 3)
Driver Adaptive Seat (w/ AC9)
Driver Adaptive Seat (w/ AC9)
Driver Adaptive Seat (w/ AC9)
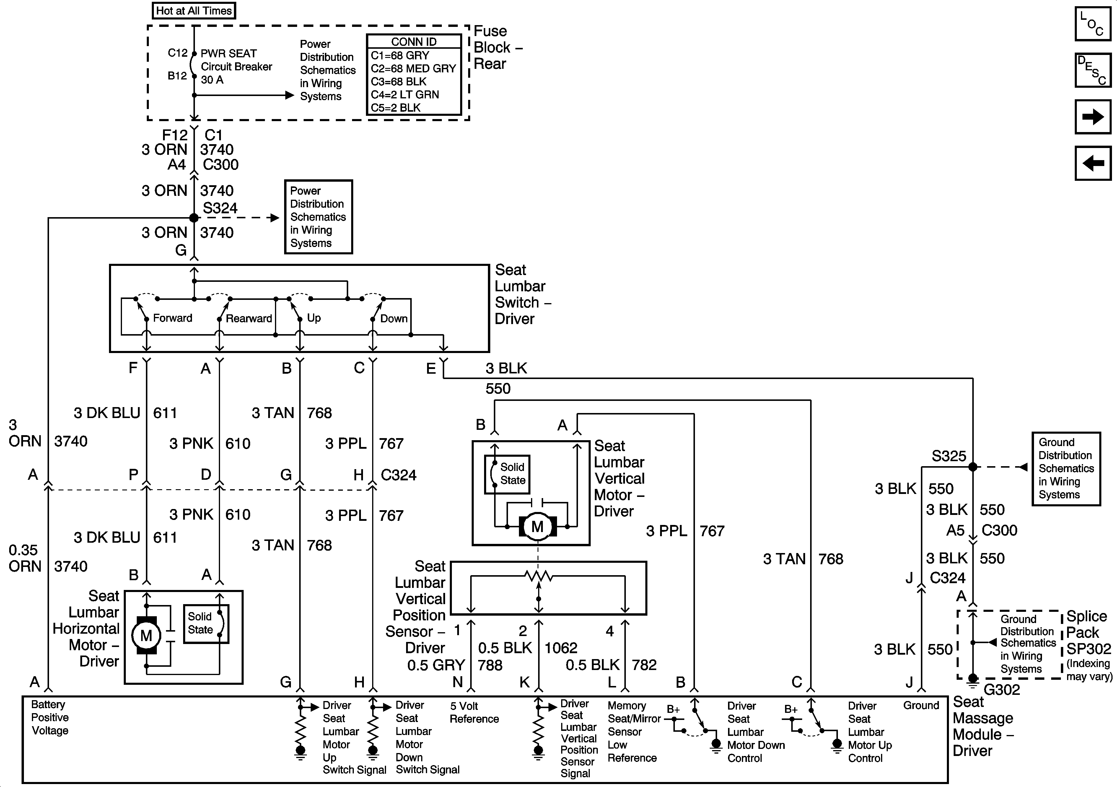
Figure 5:

Driver Seat (w/AM3)


Object Number: 804183  Size: FS
Master Electrical Component List
Lumbar Support Description and Operation Massaging Lumbar-AM3 with Memory-A45
Passenger Seat (w/ AM3)
Passenger Adaptive Seat (w/ AC9)
G302 (2 of 3)
G302 (2 of 3)
Rear Fuse Block- NAV Fuse and PWR SEAT Circuit Breaker
Rear Fuse Block- NAV Fuse and PWR SEAT Circuit Breaker
Figure 6:

Passenger Seat (w/AM3)


Object Number: 804207  Size: FS
Master Electrical Component List
Lumbar Support Description and Operation with A45
Driver Seat (w/ A45/AL2)
Driver Seat (w/ A45/AL2)
G302 (1 of 3)
G302 (1 of 3)
Rear Fuse Block- NAV Fuse and PWR SEAT Circuit Breaker
Rear Fuse Block- NAV Fuse and PWR SEAT Circuit Breaker
Figure 7:

Driver Seat (w/A45/AL2)


Object Number: 804208  Size: FS
Master Electrical Component List
Lumbar Support Description and Operation with A45
Driver Seat Switch (w/ A45/AM3)
Passenger Seat (w/ AM3)
Front/Rear Position Sensors (w/ A45/AL2)
Front/Rear Position Sensors (w/ A45/AL2)
Rear Fuse Block- MEM TT, RRLUM/PWR ANT, HTDST LF Fuses
Rear Fuse Block- MEM TT, RRLUM/PWR ANT, HTDST LF Fuses
Figure 8:

Driver Seat Switch (w/A45/AM3)


Object Number: 804214  Size: FS
Master Electrical Component List
Lumbar Support Description and Operation Massaging Lumbar-AM3 with Memory-A45
Driver Seat Position Sensors (w/A45/AM3)
Driver Seat (w/ A45/AL2)
G302 (2 of 3)
G302 (2 of 3)
Rear Fuse Block- NAV Fuse and PWR SEAT Circuit Breaker
Rear Fuse Block- NAV Fuse and PWR SEAT Circuit Breaker
Rear Fuse Block- MEM TT, RRLUM/PWR ANT, HTDST LF Fuses
Rear Fuse Block- MEM TT, RRLUM/PWR ANT, HTDST LF Fuses
Figure 9:

Driver Seat Position Sensors (w/A45/AM3)


Object Number: 804215  Size: FS
Master Electrical Component List
Lumbar Support Description and Operation Massaging Lumbar-AM3 with Memory-A45
Driver Seat Switch (w/ A45/AM3)
Front/Rear Position Sensors (w/ A45/AL2)