GM Service Manual Online
For 1990-2009 cars only
Figure 1:

Driver Heated Seat Switch


Object Number: 804217  Size: FS
Master Electrical Component List
Heated Seats Description and Operation
Passenger Front Heated Seat Switch
Figure 2:

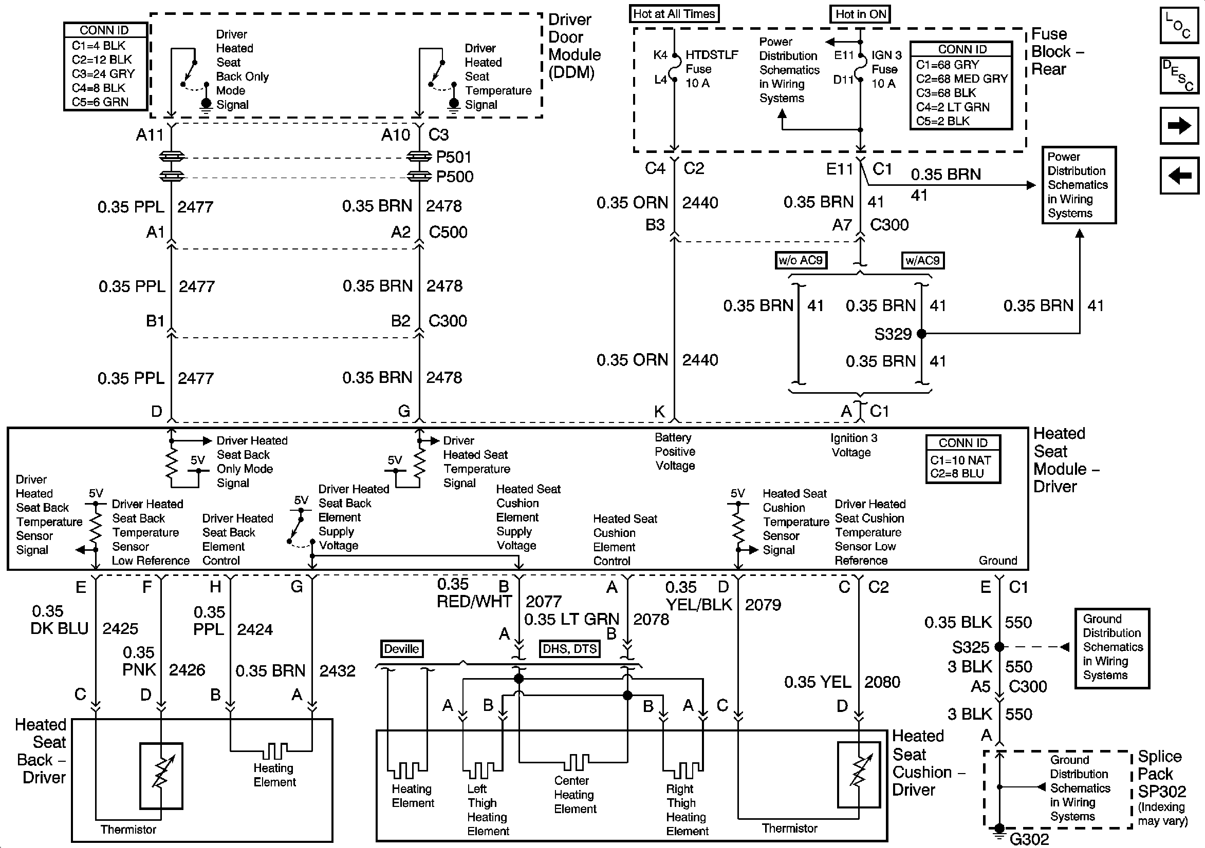
Driver Heated Seat Module


Object Number: 880445  Size: FS
Master Electrical Component List
Heated Seats Description and Operation
Passenger Front Heated Seat Switch
Driver Heated Seat Switch
Rear Fuse Block- IGN 3 Relay, IGN 3 Fuse
G302 (2 of 3)
G302 (2 of 3)
Figure 3:

Passenger Front Heated Seat Switch


Object Number: 804225  Size: FS
Master Electrical Component List
Heated Seats Description and Operation
Passenger Heated Seat Module
Driver Heated Seat Module
Figure 4:

Passenger Heated Seat Module


Object Number: 880449  Size: FS
Master Electrical Component List
Heated Seats Description and Operation
Left Rear Heated Seat Switch
Passenger Front Heated Seat Switch
Rear Fuse Block- IGN 3 Relay, IGN 3 Fuse
Rear Fuse Block- IGN 3 Relay, IGN 3 Fuse
G302 (1 of 3)
G302 (1 of 3)
Figure 5:

Left Rear Heated Seat Switch


Object Number: 804228  Size: FS
Master Electrical Component List
Heated Seats Description and Operation
Left Rear Heated Seat Module
Passenger Heated Seat Module
Figure 6:

Left Rear Heated Seat Module


Object Number: 880450  Size: FS
Master Electrical Component List
Heated Seats Description and Operation
Right Rear Heated Seat Switch
Left Rear Heated Seat Switch
G301
G301
Figure 7:

Right Rear Heated Seat Switch


Object Number: 804230  Size: FS
Master Electrical Component List
Heated Seats Description and Operation
Right Rear Heated Seat Module
Left Rear Heated Seat Module
Figure 8:

Right Rear Heated Seat Module


Object Number: 880453  Size: FS
Master Electrical Component List
Heated Seats Description and Operation
Right Rear Heated Seat Switch
Rear Fuse Block- IGN 3 Relay, IGN 3 Fuse
Rear Fuse Block- IGN 3 Relay, IGN 3 Fuse
G301
G301